VE5RI



MK3 AMP (Cyclops): utilizing the Eimac 4CX3000A /8169 power tetrode.

Adobe pdf documents

RF Deck*

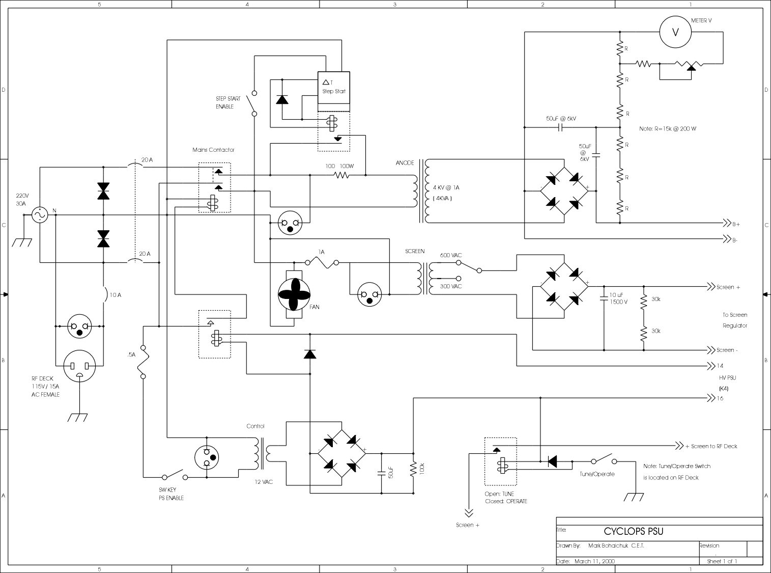
Power Supply*

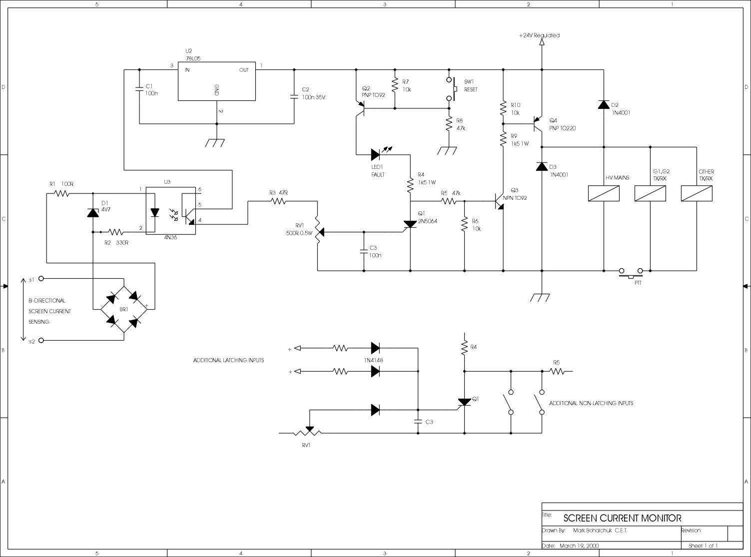
Screen Current Monitor*

QEX article "Power and Protection for Modern Tetrodes"

jpg images

RF Deck*

Power Supply*

Screen Current Monitor*

 

*Documents courtesy Mark Bohaichuk