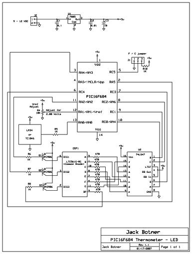
PIC Thermometer
This project uses a PIC with an analog to digital input. I chose the PIC16F684, which is a neat chip costing only about $3.50 Canadian. It has 14 pins, less than the 16F84A but has a 10 bit A/D input (among other features) and can be run from an internal clock, no crystal required! At first I used a small LCD display, and later replaced it with a 3 digit LED display. The LED display requires a little more circuitry and programming effort (and draws more power) but it is cheaper than an LCD display. I used both LM34 and TC1046 temperature sensors in my projects. The LM34 is simple and easy to work with as long as the lowest temperature is +5 degrees F (-15 C). The TC1046 goes down to -40 degrees C, but is in a tiny 3-lead surface mount package that you may find hard to handle.
The following photos show the LED version of the project. You can see the header in the middle of the board where the LCD display used to plug in.


(The temperature display is in degrees Celsius!)
Download assembler source code for LCD thermometer ( Microchip MPLAB)
Download C source code for LED thermometer ( SourceBoost BoostC)