LED Outdoor Thermometer
I had a Radio Shack indoor/outdoor thermometer that I
used for may years. It finally croaked, and I needed a replacement. I
only wanted to know the outdoor temperature. A requirement was that the
display be visible night and day without pressing buttons. Another
requirement was to eliminate batteries and the nuisance of replacing
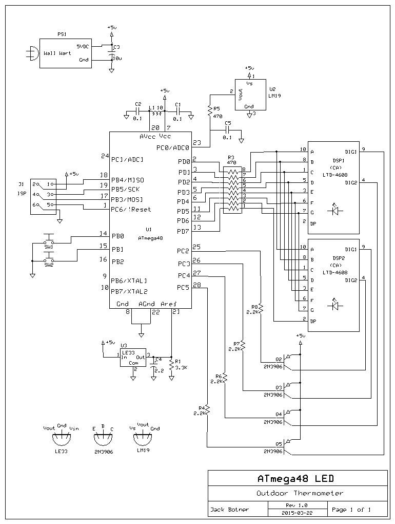
them. So I designed this one, using a ATmega48 and a 4 digit numeric
LED display, powered by a ubiquitous 5V switching wall wart. It uses an
LM19 Celsius temperature sensor, but a single line of code could be
added to convert to Fahrenheit if desired.

There's
nothing special about this project, the output of the LM19 is sampled
by the ATmega48 A/D and the temperature calculated. There is an array
for storing a few samples and the display shows the average.


The only thing of note is the two buttons at the bottom of the
circuit board. The LM19 accuracy is plus/minus 2.5 degrees C. The
buttons are used to program in a correction factor. Each press changes
the temperatore one tenth of a degree. The left button is down, and the
right button is up. The correction factor is stored in flash memory so
it is remembered in case of power loss.

(Click to enlarge)
Download C
source code for the thermometer
Back
to VE3LNY's AVR Project Page