Une forte proportion des composants de cette alimentation provient d'un UPS qui n'a pas survécu à une surtention.
Elle produit 0-30 volts jusqu'à 10 ampères
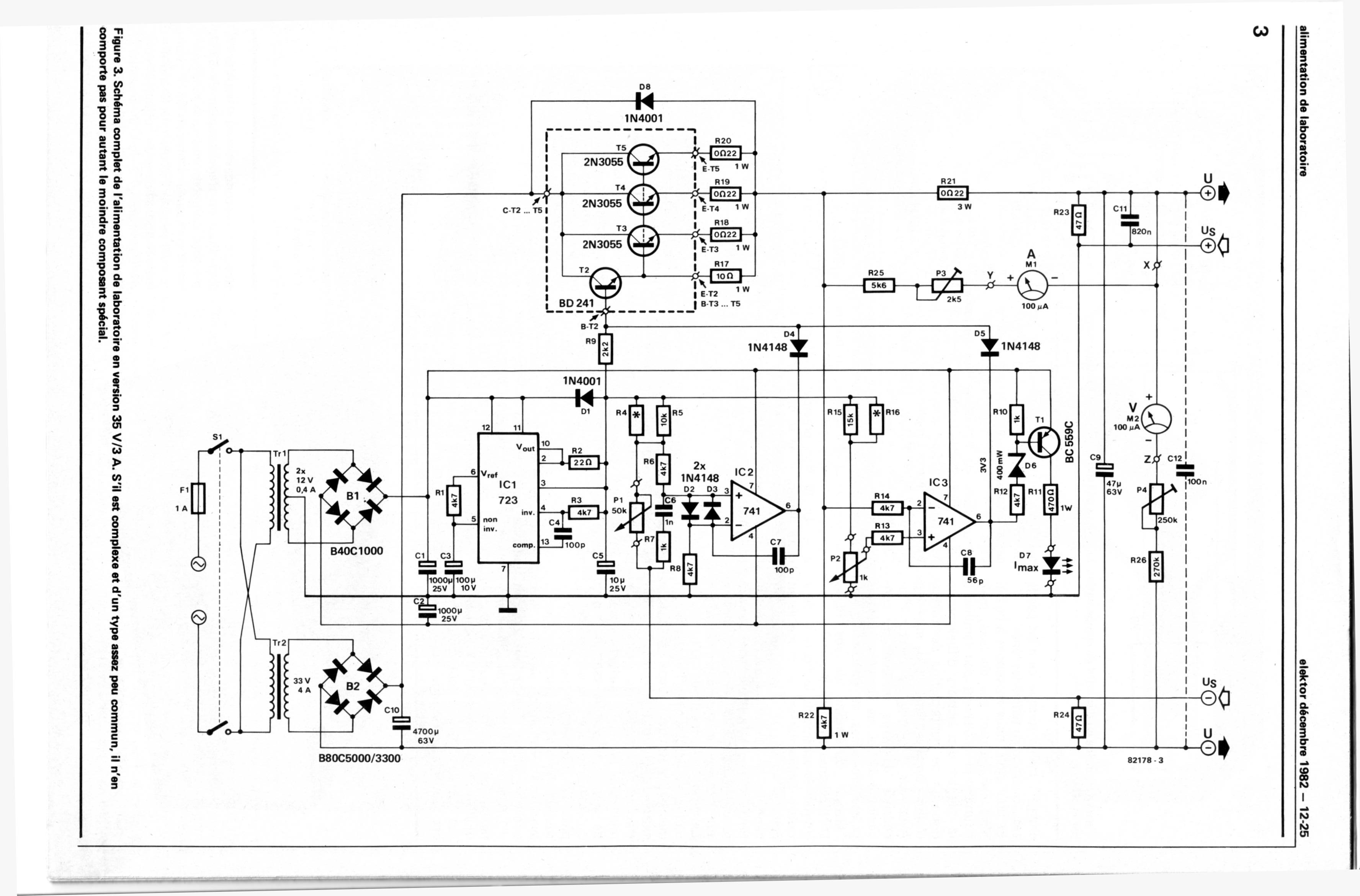
Il y a cependant un peu de travail à faire pour la déclarer "apte au service"
L'idée originale provient de la revue Elecktor décembre 1982. Voici une reproduction des pages concernée.
Il faut encore quelques heures pour finaliser ce projet

Produit par Topward Electric Instrument, le modèle TPS-4000 est une alimentation triple. Elle est constituée d'une source maître-esclave (0-30 volts) avec possibilité de servir séparément ou en "tracking". Une source 5 volts est assi disponible.
Voici la documentation qui accompange l'appareil
Ce document vous présente diverses façons de l'utiliser.

Celle ci a été monté à partir de l'alimentation d'un ordinateur. Elle offre des sorties fixes de +12 volts, -12 volts et de 5 volts.
La puissance disponible devrait tourner autour de 200 watts.
Il reste encore des tests à faire pour déterminer l'intensité maximale de chaque sorties.
L'internet regorge de sites qui explique comment modifier un power supply d'ordinateur.
En voici un exemple.
How to Convert a Computer ATX Power Supply to a Lab Power Supply

Cette alimentation est un autotransformer récupéré d'un ancien laboratoire. Il faut refaire le boîtier et y ajouter ce qu'il faut pour le rendre fonctionnel.