A DISCUSSION ON MIXERS

The Theory of Mixing two Signal Frequencies to obtain Products of those Frequencies is explained with the aid of Spectrum Analyser Displays and Trigonometric Identities



(Originally published in the journal "Amateur Radio" in April 1988)

by Lloyd Butler VK5BR


INTRODUCTION


One only has to examine the output of a mixer on a spectrum analyser to realise that It Is a complex device. Here we examine some of the principles of mixing and mixing devices.

Numerous mixer stages are found in modern transmitters and receivers. These are well-known as devices which produce, from two initial frequencies, additional frequency components equal to the sum and difference of the others. One of these new components is separated from the others by selective tuning or bandpass filters. Actually, a multitude of other frequency components is generated and these must also be considered in the transmitter and receiver design.

All kinds of problems can, occur from the mixing process and if you are interested in experimenting with your own equipment designs, an "in-depth" study of the mixing process is well worthwhile. In the following paragraphs an attempt is made to study some of the basic principles involved.


MIXING PRINCIPLE


if two signals of different frequency are fed through a linear device, they will appear at the device output as the same two frequencies. To mix two signals we require a curved or non-linear characteristic such as shown in Figure 1. The diagram shows a low-level signal f1 with the operating point set for two positions, A and B. Observe that the output level of fi is much higher when the operating point is set to B than when set to A. Now, examine Figure 2. In this diagram, we sweep the operating point between point A and B with a second high level signal fo modulating the amplitude of fi. The word "modulating" has been deliberately used here to demonstrate that if fi were a carrier frequency and fo an audio frequency, we would call it amplitude modulation. The point being made is that amplitude modulation is the same process as mixing, the sum and difference components being the sideband components referred to in modulation.


Figure 1
Non-Linear Output versus Input Characteristic


Figure2
F1 Modulated (or Multiplied) by fo


The next observation to be made concerns the levels of fi and fo. Signal fo is at high level resulting in a high proportion of harmonics of fo being generated owing to the curvature of the device characteristic. Signal fi is kept low so that the portion of the curve used is small and reasonably straight, ensuring that the levels of harmonics from fi are low. This is the normal way to operate a receiver mixer where fi is the incoming signal and fo is the local oscillator. The level at the input is kept low to minimise the generation of intermodulation products from other signal sources and harmonics of fi encouraged by the curvature. This will be discussed further in following paragraphs.


MULTIPLICATION


Referring again to the discussion Figure 2, the process of mixing is mathematically one of multiplication. The instantaneous amplitude of fi is multiplied by the instantaneous amplitude of fo, hence the resultant components are called products. This is all very confusing as we know that the frequencies formed are equal to sums and differences. It must be understood that it is the Instantaneous amplitudes which are multiplied, not the frequencies and the phenomenon can be explained by using one of the well-known trigonornetric identities:

sin(A) sin (B) = (1/2) cos(A + B) - (1/2) cos(A - B)        ... (1)

We can express, the instantaneous amplitude of f1 and fo as follows:

Ai.sin(2π.fi.t) and Ao.sin(2π.fo.t)

where Ai and Ao are their respective amplitudes and t = time.

Multiplying them together by substitution in the identity (1), we get the following:

Ai.sin(2π.fi.t).Ao.sin(2π.fo.t)

= (1/2)AiAo{cos[2π.t(fo + fi)]- cos[2π.t(fo - fi)]}

We can see that two new cosine functions of (fo + fi) and (fo - fi) are formed which represent our sum and difference frequencies. Of course, a cosine wave is the same as a sine wave, with the time scale simply shifted by 90 degrees.


MIXING PRODUCTS


At the output of a mixer, there are many more components than the sum and difference of the input frequencies. To illustrate these on a spectrum analyser, a simple mixing circuit, using a germanium diode, was set up as shown in Figure 3. Signal fo was set at 1 VPP across the diode, just sufficient to sweep the operating point of the diode over the curvature of its voltage versus current characteristic and signal fi was set lower at 0.1 VPP The two frequencies of I50 kHz and 200 kHz, used for fi and fo respectively, are of no particular significance other than to demonstrate the effects.

Figure 3: Simple Diode Mixer


Figure 4: Frequency Spectrum Simple Diode Mixer
(Voltages across diode - fo = 1Vpp, fi = 0.1vpp)
Y Scale on graph - 10 dB per division.



Figure 4, in three parts, shows the mixer output when either fo or fi is on its own and then when both are combined for mixing. Observe the high level of harmonics of fo compared with fi. Harmonic 2fo is only 20 dB below fo whereas harmonic 2f1 is 45 dB below f1 and higher order harmonics of fi are even less significant. Observe, also, that the mixer result shows not only sum and difference products of fi and fo but sum and difference products relative to the harmonics of fo.

Whether these additional products are of concern depends on how close they are to the sum or difference frequency to be used, their relative levels and the sharpness of the tuning or filter system following the mixer. Suppose we were to use (fo + fi) as our output frequency, then our nearest higher order products would be (fo - fi) and 3(fo - fi) Considering their low level, these products would not be much of a problem. What is of concern is the high level of fo, 36 dB above (fo + fi) and 2fo adjacent to (fo + fi) and 16 dB above it.

Figure 5 shows what happens when we increase fi to the same level as fo. The levels of desired products (fo + fi) and (fo - fi) have increased, together with all the other products, plus new components embracing sum and difference products of the harmonics of fi.

Figure 5: Simple Diode Mixer
(Vo1tages across diode fO = 1 VPP, fl = 1 VPP)
Y scale on graph is 10 dB per division.



Because of the particular frequencies of 200 kHz and 150 kHz, chosen for fo and fi, some of the harmonics and products work out to be on the same frequency and there are more components than are apparent from Figure 5. (For example, 2fo and (4fi - fo) coincide at 400 kHz). This is illustrated in Figure 6 where f1 has been shifted down to 115 kHz revealing many more components including (4f1 - fo), now on 260 kHz.

Figure 6: Simple Diode Mixer.
(Voltages across diode: fo = 1Vpp, fi = 1Vpp)
fi is changed to 115 kHz
Y scale on graph is 10 dB per division.



Considering again the problem of signal fo at the mixer output, 35 dB above the desired output frequency of (fo + fi) one solution is to use a balanced mixer to cancel out fo. To demonstrate this, a commercial double balanced mixer package type CM1( shown in Figure 7), was set up with the same frequencies of 200 kHz for fo and 150 kHz for f1. The spectrum was recorded as shown in Figure 8. It can be seen that both the input signals f1 and fo are now 35 dB below the summed frequency (fo + fi). Balanced mixers will be discussed further in following paragraphs.


Figure 7: Doubler Balanced Mixer Type.
CM1 Full Ring



Figure 8: Frequency Spectrum of Double Balanced Mixer.



MIXING MODES


Mixers can be classified as those which operate in a continuous non-linear mode, as shown in Figure 2, or as those which operate in the switching mode.

A typical continuous non-linear mode mixer is the dual gate MosFET circuit as illustrated in Figure 9. The MosFET has a square law characteristic which is particularly good for mixing purposes. Because of its high gate impedance, it requires little power to drive it and the separate gates provide good isolation between the two signals being mixed.


Figure 9: Dual Gate MosFET Mixer Operating in the Continuous non-Linear Mode.


Most bipolar transistor and vacuum tube type mixers operate in the continuous non linear mode. By comparison to the square law of the MosFET, the bipolar transistor and the semiconductor diode have an exponential characteristic and the vacuum tube a 3/2 power law.

The square law of the MosFET is good because harmonic generation is theoretically limited to second order. This can be demonstrated by using another common trigonometric identity:

cos(2A) = 1- 2sin2A

and

sin2A = (1/2) (1 + cos(2A))

Hence, if we square an input component f, expressed as Af.sin(2π.f.t) we get:

[Af.sin(2π.f.t)]2 = (1/2)Af2 [1 + cos(2π.2f.t)]

We now have a frequency - 2f (the second harmonic) but no other order harmonics. It also means that in our square law mixer, higher order products are limited to third order (2fo + fi) and (2fi + fo).

To make a comparison using the exponential law of the bipolar transistor or diode, we can expand an exponential function using the Taylor series:

ex = 1 + x + x2/2! + x3/3! + x4/4! etc.

If we put x = sin (2π.f.t) we get terms containing the following:

sin(2π.f.t), sin2(2π.f.t), sin3(2π.f.t), sin4(2π.f.t), and in fact, all powers of sin(2π.f.t).

We have seen that sine squared component gives second harmonics, so let us now examine sine cubed. For this, we use a third trigonometric identity:

sin(3A) = 3sinA - 4sin2.3A

Rearranging the form gives:

sin3A =         (3/4)sinA - (1/4)sin(3A)

Putting 2π.f.t = A, we get sin[3(2π.f.t)] from within the sine cubed term of the exponential function implying that a third harmonic is generated.

Without going any further with mathematics we might well predict that a pattern follows in which each incremented power of sin(2π.f.t) produces a corresponding incremented order of harmonic. Assuming this to be correct, a conclusion can be drawn that the exponential characteristic of the bipolar transistor or semiconductor diode, generates all orders of harmonics. compared with the square law of the MosFET transistor which generates only second harmonics.


SWITCHING MODE MIXERS


The second classification of mixer to be discussed refers to those which operate in the switching mode. These mixers operate by switching one input signal (f1) between two states at each half cycle of the second signal (fo). Figure 7 illustrates a double balanced switching mode mixer in which diodes act as switches. Pairs of diodes are biased on alternately each time the polarity of fo reverses and this reverses the phase of f1. The switching process is illustrated in Figures 10 and 11, the first showing fi a higher frequency than fo and the second showing fi lower than fo The signal fi is actually multiplied by a square wave of frequency fo, an amplitude equal to one and comprising a fundamental and harmonic component as follows:

(4/π)[cos(2π.fo.t) - (1/3)cos(2π.3fo.t) + (1/5)cos(2π.5fo.t) ... etc] ----------------(2)

that is, fi is multiplied by the fundamental of fo and all its odd harmonics. (Note that a perfect square wave has no even harmonics).

It is significant that the square wave has only two states, one and minus one, so that to multiply with fi it is only necessary to multiply fi alternately by one and minus one, that is, reverse the phase of fi at each fo polarity transition.

This mixer is defined as double balanced because both input signals are balanced out from the output. The reduction of the level of these in the output was previously referred to and illustrated in Figure 8.


Figure 10
Double Balanced Mixer Commutation of f1 by fo ( fi higher than fo)



Figure 11
Double Balanced Diode Mixer Commutation of fi by fo (fi lower than fo).


Another type of diode switching mixer is the single balanced half ring type shown in Figure 12. In this circuit, the diodes are switched on and off by alternate half cycles of fo as shown in Figure 13. In this case, we can consider fi (of amplitude Ai) to be multiplied by a square wave of frequency fo and an amplitude of one but with a DC offset of amplitude one. Multiplying these together our product is now as follows:

Ai.sin(2π.fi.t).(1 + [Square wave series (2)])

The DC offset is represented by the one and in multiplying this by Ai.sin (2π.fi.t), representing signal fi, we still get the same frequency fi and thus our signal fi is not balanced out in the output of this mixer. However, switching frequency fo is still balanced out, hence the name single-balanced mixer.


Figure 12: Single Balanced Mixer (Half Ring).



Figure 13: Single Balanced Diode Mixer.
(fi is multiplied by switching wave fo and a DC offset equal in amplitude
to the switching wave)





OUTPUT


The degree of input signal isolation in the balanced mixer is determined by the accuracy of transformer balance and the degree of matching of the diodes. Before the solid state era, some carrier telephone systems used copper oxide metal rectifiers. Modern balanced mixer modules, suitable for VHF and UHF, use hot carrier diodes which are characterised by low conduction voltage, low reverse current, low capacitance and very high frequency performance.

Diodes of all types have a curved turn-on characteristic and unless driven hard by signal fo will operate in a partial continuous non-linear mode. In the balanced mixer spectrum, shown in Figure 8, even harmonics of fo are evident indicating that perfect square wave switching is not taking place.

Diode balanced mixers work very well but have conversion loss rather than gain. They are also low impedance devices and require low source impedance circuits to drive them. Because of these characteristics, active balanced mixers, using bipolar or field effect transistors, are often used. These have conversion gain and can be driven by higher source impedance circuits.

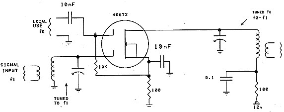
An active balanced mixer, built by the author for use in a transceiver, is shown in Figure 14. In this application, a 4 MHz SSB signal was upmixed to 17 MHz by beating with a 21 MHz carrier. The spectrum for this mixer is illustrated in Figure 15. This mixer works in continuous non-linear mode with signal fo swinging the gate voltage over a large section of the drain current versus gate voltage characteristic. Fine balance of transistor gain is achieved by differential adjustment of drain current with the bias adjustment potentiometer in the source circuit.


Figure 14: MosFET Balanced Mixer
T1 -10 turns tri-filar wound on philips toroid 97120, μ = 2300
T2 - 8 turns tri-filar wound on philips toroid 97160, μ = 120



Figure 15
Spectrum Analysis of MosFET Balanced Mixer


Active balanced mixers can also operate in the switching mode by increasing the level of signal fo to the point where the output current is switched between zero current and the saturated current state. Whether the operation is continuous non-linear or switching Mode is determined by the level of fo and to some degree the setting of input bias.


UP MIXING AND DOWN MIXING


The question can be asked, when, does one use a balanced mixer in preference to a non balanced type? One answer lies in how difficult it is to remove the reference carrier with tuning or filtering. In the case of Figure 14, the 21 MHz carrier is very close in frequency to the 17 MHz product required and the balanced circuit was built in after some difficulty was experienced with the high residual carrier level at the output.

The same frequency conversion, in reverse, was required in the receiver where conversion was from 17 MHz down to 4 MHz using the same 21 MHz carrier. In this case the 21 MHz is well removed in frequency from 4 MHz and no problem was experienced in using an ordinary dual gate MOSFET mixer similar to Figure 9.

The point being emphasised is that a balanced mixer is more likely to be required when up rnixing, as required in an SSB transmitter, than when down mixing in the matching receiver. Another use of the balanced mixer is that of an amplitude modulator which generates double sideband suppressed carrier signals. Signal f1 is then the speech input and the carrier fo is balanced out. In this application the mixer is normally called a balanced modulator. Remember that we have already said that mixing and amplitude modulation is the same process. The balanced modulator is the first stage in our single sideband transmitter to generate two sidebands, one of which is removed by a selective filter.


INTERMODULATION PRODUCTS


Because our mixing device operates in a non-linear mode to carry out its function as a mixer, it can also generate intermodulation products from unwanted signals at its input. The products might result from mixing our signal fi (which we will now call f1) with some other signal f2 or from mixing together two entirely different signals f2 and f3. The most troublesome of these are what are called the third order products (2f1-f2) or (2f2 - f1). These are troublesome because they are normally the closest intermodulation products to our desired signal f1.

Suppose our desired signal f1 is 14.200 MHz and another signal f2 is present on 14.300 MHz. In this case, our third order products are at 14.100 MHz and 14.400 MHz. Suppose there were a third signal C on 14.400 MHz and we calculate the third order products from f2 and f3, that is, (2f2 - f3) and (2f3 - f2). From these we get 14.200 MHz and 14.500 MHz the first of which is the same frequency as our desired signal f1 and a cause of interference.

Clearly interference from intermodulation products can be, a serious problem and one measure of performance of a mixer is the level of its third order products at the output relative to the desired sum or difference product.


THIRD ORDER INTERCEPT


it was suggested in earlier paragraphs that to keep intermodulation products low, It was necessary to operate the input signal fi at low level. We will now examine the reason for this.

Suppose we feed two sine wave signals of equal amplitude to the input of a non-linear device. We take note of the level and then increase the level by a factor of 3.16 (or 10 dB). Because of the non-linearity, the change in output level will not be the same as the change in input level, however the output can be resolved into components consisting of the two fundamental frequencies f1 and f2, and other components which can all be examined separately The fundamental frequencies must increase linearly otherwise they would not be fundamentals and hence their outputs increase by the same factor as the input (i.e. 3.16). The other components will follow some other law.

In previous paragraphs we referred to the trigonometry identity cos(2A) - 1/2(sin**2A) and showed that second harmonic components are associated with a sine squared function, hence we can conclude that second harmonic components 2f1 and 2f2 follow a square law function of the input level. Of course at this stage, we are really interested in the third-order products, the results of multiplying 2f2 by f1 and 2f1 by f2. With fi and f2 equal in amplitude, the result is that our third order products (2f2 - f1) and (2f1 - f2) follow a cube law relationship with the input level. Tabling our input change of 3.16 in decibels, we get the following:

Change in input level - 20 LOG 3.16 - 10 dB

Change in output at fundamental - 20 log 3.16 = 10 dB

Change in output of third order products = 20 log 3.16**3 = 30 dB

Because the third order intermodulation products increase with the cube of the input change, as compared to the linear change for the fundamentals, the higher the signal level input, then the higher the ratio of intermodulation products to fundamental. There is also a theoretical point where the output level of intermodulation products equals the output level of the fundamental. This point is called the Third Order Intercept Point and this is often specified to define the third order lintermodulation performance of a mixer.

To measure the intercept point, we set up the equipment as shown in Figure 16. Two calibrated signal generators of equal signal level are fed to the inputs of the mixer and the output monitored with a calibrated spectrum analyser. As the device is a mixer, both fundamental and third order products are shifted in frequency by a value fo (the local oscillator frequency). In the case of Figure 16, the relevant output components are the Desired Signal (fo - f1) and the Third Order Components [fo - (2f1 - f2)] & [fo - (2f2 - f1)]


Figure 16
Test Set Up to measure Mixer Performance



Figure 17: Performance of 3N140 Mixer
Showing Third Order Inter-Modulation
Intercept.
DR = Dynamic Range for no discernable IMD products


Figure 17, shows curves for a 3N140 mixer produced frorn the test of Figure 16. To carry out the test, the input level is set so that the third order modulation products are the same level as the noise floor. The spectrum analyser is used to separate the various components and measure individual levels. All that has to be recorded is, the input and output levels of the desired signal and the intermodulation products. It is a simple matter to extend the curves based on linear law and cube law respectively By plotting in decibel form, two straight lines of different slopes are formed. The desired signal output increases by 10 dB for a 10 dB increase in input. The third order intermodulation products (IMD) increase 30 dB for a 10 dB increase in input. The curves can be confirmed by recording several different signal levels.

At some point the curves must cross defining the third order intercept. It is emphasised that this point is theoretical and can never be achieved in practice as the mixer would be driven into compression before the point could be reached. Specification of this point is useful because the two curves can be reestablished from it using the linear and cube laws.


NOISE LEVEL AND DYNAMIC RANGE


Using the test equipment, Figure 16, another important measurement is the level of the noise floor at the output. As previously discussed, the lower the input signal level, the lower the level of intermodulation products. However, the lower the signal level, the lower the signal to noise ratio.

In Figure 17, the noise floor is recorded as 0 dB output and this information, together with levels of signal and intermodulation products, is transferred to a different form in Figure 18. Here we show the signal to noise ratio as a function of input signal level on one curve and the ratio of signal to intermodulation products as a function of input signal level on the other. Observe that there is an optimum operating level where the curves cross and where the output signal is 50 dB above both the noise and the IMD products.

Figure 18: 3N140 Mixer
Comparison of signal to noise ratio and signal to Intermodulation product


For signal levels below the crossover point, the IMD products are below the noise floor. This is also shown by the dotted line in Figure 17. The length of this line is also the dynamic range (DR) of the mixer, for which we cannot detect the IMD products. Observe that this figure is 50 dB and two thirds of the difference between the third order intercept point and the noise floor (75 dB). Because of the linear and cubed law of the two curves respectively, the dynamic range (in dB) can always be worked out as two thirds of the decibel margin between the intercept point and the noise floor.

A high dynamic range is particularly important when the mixer is used in a superheterodyne receiver which must cope with a wide range of signal input levels. For satisfactory operation, the least signal level must be raised by RF amplification to a level into the mixer well above its noise floor, but not too much, so that IMD products from stronger signals are encouraged. Hopefully, the maximum level from unwanted signals will be within the dynamic range. If not, we can expect them to cause interference components. For higher input signal levels, less RF gain is desirable and hence there is a need for some type of RF gain control in the receiver.

One other point worth mentioning is that noise power is proportional to bandwidth and hence the noise floor level and the dynamic range are also functions of the system bandwidth. In reference to Figures 17 and 18, the measurements were carried out on the basis of an FM bandwidth of 15 kHz. Had the noise floor been measured for a 3 kHz SSB bandwidth, it would have been 7 dB lower and the dynamic range 7 dB greater.


SUMMARY


Mixers can be categorised in the following ways:

1. Operation in a continuous non-linear mode or operation in the switching mode.

2. Unbalanced operation or balanced operation in which one or both input signals are balanced out at the output.

3. Mixers which have conversion gain and mixers which have conversion loss.

Mixers are usually best operated by sweeping the reference signal fo over the full non-linear region of the mixer characteristic curve but operating the input signal (f1) at a lower level, sufficient to give good signal to noise ratio but low enough to minimise intermodulation products.

Third order mixer products rise in proportion to the cube of the input signal level (and output signal level). Mixer performance as a function of signal input level can be defined by the third order intercept point and the noise floor level.

What we have presented here is an exploration of how mixers work and a few ideas on how they should be operated. Further information on the practical application of these devices can be found in handbooks such as published by the American Radio Relay League (ARRL).


Back to HomePage