Remote Doorbell Controller
I usually can't hear the doorbell when I'm in the basement. My hobby room and ham shack is in the basement, so I'm down there a lot. This project describes how to add an inexpensive remote doorbell to your existing household doorbell.
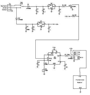
My doorbell runs off of a 24VAC transformer that is live all the time. Someone presses the button and the bell sounds. To implement this project, it is necessary to tap 3 conductors from the system: 24VAC, common, and doorbell. The doorbell signal is the one that is live only when the button is pressed.
You also need a remote doorbell kit. I found a very inexpensive one on eBay, consisting of a small transmitter unit with a pushbutton, and a receiving unit with a speaker. The transmitter is very simple. It takes a tiny 12V battery (supplied), and you're supposed to stick it next to your door with double-sided tape. The receiver takes 2 AAA batteries. As a bonus it sounds numerous tunes, including christmas carol jingles, so you're bound to find one that you like.
I don't like products like this that use batteries that require replacement, and you'll find in my project none are needed. I designed this circuit for the sending unit:
A 555 timer, powered on all the time, is used as a timed one-shot. The timer is triggered by the signal from the doorbell button, conditioned by a 78L12 regulator and a 2N3904 transistor. The remote transmitter is triggered by the output of the 555, using a small reed relay. The relay I used was a 5V unit, so I placed a 560 ohm resistor in series to the 555 timer. 12 volts from the relay switch is applied to the transmitter module battery terminals. Oh yes, you must short the pushbutton in the transmitter module for this to work! Remove the transmitter from its case, short out the pushbutton and connect two wires to the battery terminals. When the doorbell button is pressed, the 555 is triggered and drives the relay for 1 to 2 seconds, depending on R5. The transmitter then sends its signal.
SW1 is actually a SPDT pushbutton. It is handy to test the remote doorbell without sounding the house doorbell. If you can't find a SPDT pushbutton, you can simply omit it or substitute a jumper or toggle switch.

The receiver can be used as-is, or it can be powered off the mains, if you build this battery eliminator:

The wall wart I chose is an old one and although it outputs DC, there is no apparent filtering, so I added C2. It may not be required in your case.