12 to 5 Volt 1 Amp Switching Regulator
When we finally got a GPS, we found that plugging it in to the car power socket was a nuisance. I realized that the unit's battery was sufficient for short trips. The trick was to keep the GPS charged up. I had a big 12V power supply complete with a car style power socket which worked fine, but I didn't like using it for everyday use.
I thought what could be easier, put a 7805 regulator on a bit of perfboard with some sockets and we're done. I had a 12V 500mA wall wart handy for the supply. But I was surprised to find the 7805 getting quite hot and I didn't like that at all. The GPS specifications on the power socket plug showed "Input 10-30V 1A max" and "Output 4.4.9-5.25V 1A max". Hmm, dropping 12V to 5V at 1A gives you 7 watts of heat to get rid of! Of course it doesn't always draw 1A, but in any case I wanted a better way to do it.
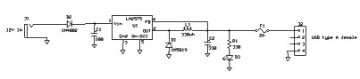
I had previously used an LM2574 in my themostat project to reduce the power supply dissipation, and it worked very well. Whereas the LM2574 was rated at 0.5A, the LM2575 is rated at 1A, just what I need. Here is the circuit I came up with. As you can see, it is pretty much like the sample circuit in the spec sheet:
I built the unit on a piece of perfboard that was fitted to the mounting slots of the small plastic case. This way nothing needs to be mounted on the case itself; just holes cut for the connectors and LED. I put a clip-on heatsink on the regulator since there is no ventilation or metal to solder it to, but in normal operation it does not get hot at all.

The parts aren't what you would normally find in your parts box but they are not expensive and readily available from DigiKey. I even ordered the toroid inductor to save the nuisance of finding a suitable core and winding it myself.
LM2575 DigiKey 576-1517-5-ND ~C$3.70