ATMega8 Thermometer
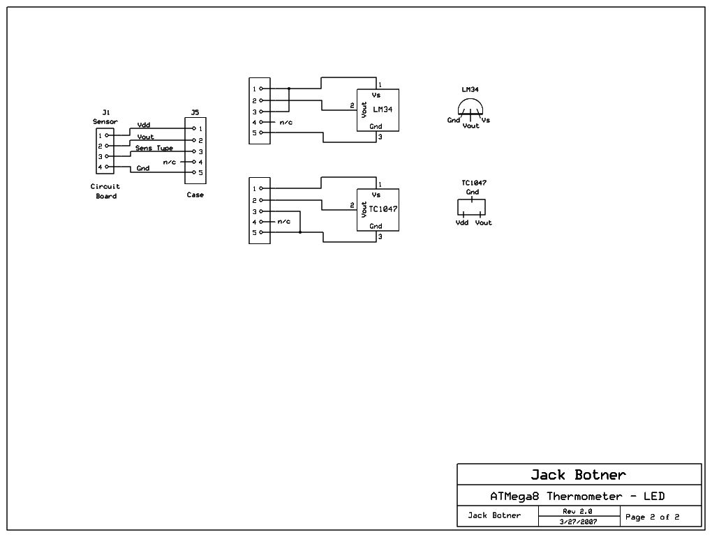
This project uses some advanced features of the ATMega8, compared to the PIC16F684 I used previously. A three digit LED display is used. Both LM34 and TC1047 temperature sensors may be used. The LM34 is simple and easy to work with as long as the lowest temperature is +5 degrees F (-15 C). The TC1047 goes down to -40 degrees C, but is in a tiny 3-lead surface mount package that you may find hard to handle. (Also please note I have not yet provided support for negative temperatures in the code, or the hardware either!)
One improvement is the use of the ATMega8's internal 2.56 volt reference voltage for Aref. This eliminates one source of error.

(The temperature display is in degrees Celsius!)
The sensors inform the microprocessor what type it is by switching PC2 low for the TC1047 or high for the LM34.
Download C source code for LED thermometer ( WinAVR GCC)