"TRITON" (3t) Glowbugs Transceiver


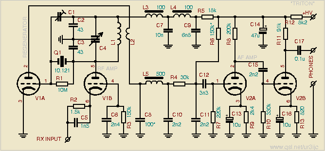
Autodyne 1-V-2 RX
- pair of 6SL7 with neutralised XTAL in the regenerative circuit. First valve used as grounded-grid RF AMP and regenerative detector, second one - AF AMP.

Rock Bound QRP CW XMTR
- one half of 6SN7 acts as grounded-plate XTAL oscillator, another one - power amp with grounded grid, both cathode keyed. Output power is 1-2.5W depend tube and XTAL condition.


  - Simple antenna circuit, without transmitter and TX/RX commutation. It's can be usable for standalone receiver.

[http://www.qsl.net/ur3ijc]