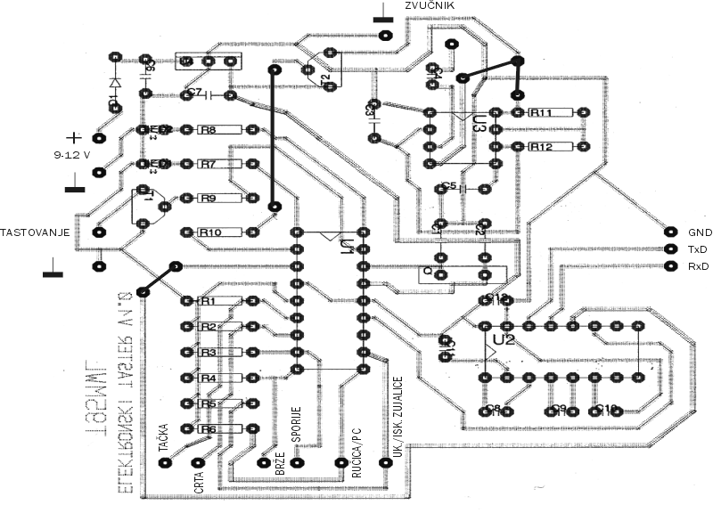
Slika 3. Montažna šema

 

Mail to: [email protected]

This site  was last updated on 11/18/00.

 You are visitor number since 06/08/98