Programer
Home Up

 

            

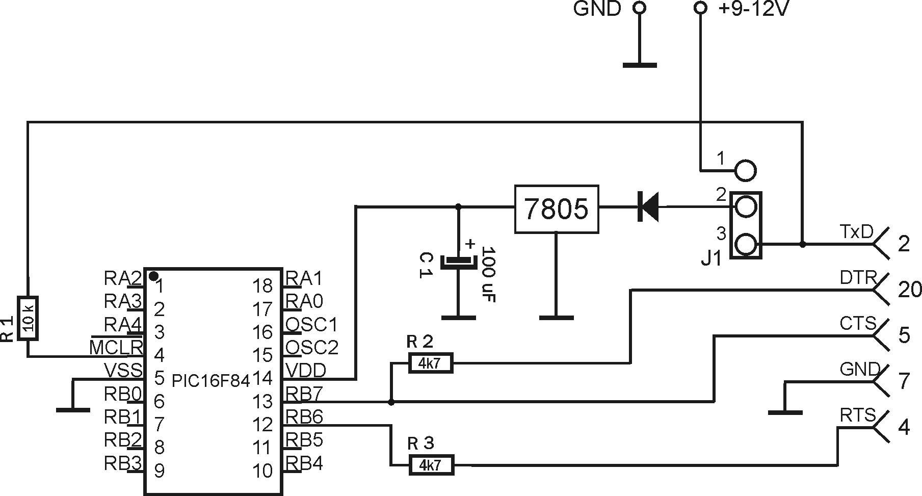
Na internetu je moguće pronaći bezbroj manje ili više kompleksnih šema programera za PIC16F84. Za početak je možda najbolje pokušati sa nekim od jednostavnijih, kao što je ovaj:

 

Na raspolaganju je i fajl picprog.zip, koji sadrži šemu i sliku štampane pločice u TIFF formatu. 

 

Mail to: [email protected]

This site  was last updated on 09/23/00.

 You are visitor number since 06/08/98