SA818V İLE ALICI - VERİCİ
Önce DORJI firmasınca DRA818X, bihahare de NICERF firmasınca SA818X koduyla üretilen RF modüller oldukça ilginç..
19mm x 36 mm ebadındaki bu modüller, VHF bandında 134 - 174 MHz ve UHF bandında ise 400 – 480 MHz frekans aralığında çalışmak üzere üretilmişlerdir. Modülün sonundaki harf çalışma bandını belirtiliyor. SA818V VHF bandında, SA818U ise UHF bandında çalışıyor.
0,5 ve 1W çıkış gücü verebilen bu modüller, 12,5 kHz veya 25 kHz aralıklarla çalışma bandı boyunca ayarlanabilmekdedir. Ayrıca, bu modüller hem alma ve hem de gönderme için CTCSS ve dijital kodlama sistemine, kuyruk sesi seçeneğine, dijital olarak ses ve squelch seviyesi ayarlama özelliklerine sâhiptir.
Ayrıca internet üzerinde yapılan bir arama ile, bu modüllerle ilgili pek çok sayfaya ve uygulamaya erişmek de mümkündür.
“Aliexpress gibi sitelerde 25 dolara dual bant telsiz bulmak mümkün iken, bu modülle uğraşmak niye?” sorusunu soranların esâsen bu sayfayı okumalarına da gerek yokdur.
Bu modüller, bir terminal programı üzerinden asenkron seri veri iletişimi ile programlanabilmekdedirler. Bu amaçla arduino kullanıldığı gibi bir PC de kullanılabilmektedir. Ben, bu amaçla PIC kullandım. Proton PICBASIC ile yapmak üzere -VHF bandı için- yazdığım PROTON PICBASIC programını buradan indirebilirsiniz.
Bu modüller, yüzey montajına uygun olarak üretildiklerinden, kullanım kolaylığı sağlamak üzere, bir ek PCB tasarladım. Bu PCB'nin verilerine buradan erişebilirsiniz.
SA818'e nasıl kumanda edilir?
SA818 Programming Manual'da bu konu ayrıntılı olarak belirtilmekdedir. BURAYA tıklayarak SA818 Programming Manual'u indirebilirsiniz. SA818'in veri kağıdını ise BURAYA tıklayarak indirebilirsiniz.
SA818 üzerinde bulunan UART arabirimi 9600 baud, 8 data bit, N parity ve stop bit'i 1 olarak haberleşmekdedir. Modülde, Alma (Rx) ve gönderme (Tx) frekansları, band genişliği, squelch, alma ve gönderme için CTCSS tonu, ses seviyesi, ses filtresi ayarlanabilmekdedir.
|
SA818 modülü ile haberleşirken dikkat edilmesi gereken en önemli hususları gösterecek olur isek: 1) Haberleşme 9600, 8, N,1 parametrelerinde yapılacakdır. 2) Gönderilen bütün komutların sonuna CR (carriage return) ve LF (line feed) eklenmelidir. Modülden gelecek cevapların sonu da CR ve LF ile biter. 3) Haberleşme ASCII olarak yapılmalıdır. 4) Eğer modüle bir PC ile kumanda edecekseniz, bir RS232-TTL dönüştürücü kullanılmalıdır. 5) Komut sırasına ve formatına harfiyen uyulmalıdır. |
KOMUTLAR
SA818'e kumanda etmek için 5 adet komut kümesi vardır:
1) Kumanda elsıkışma (handshake instruction)
2) Grup parametreleri
3) Tarama
4) Ses
5) Ses filtreleri
(Kümelerin alt kullanımı ile toplam 7 komut)
Bu komutların nasıl kullanıldığına gelince:
(Komutların modüle nasıl gönderileceği MODÜL'E:, modülden alınan cevap ise CEVAP:'tan sonra gösterilecekdir. Komutların sonunda yer alan <CR> <LF> ibareleri, ASCII olarak 13 ve 10'a tekabül eden escape karakterleridir)
1) Elsıkışma komutu (handshake instruction)
MODÜL'E: AT+DMCONNECT <CR> <LF>
CEVAP: +DMCONNECT:0 <CR> <LF>
(Cevap olarak 0 alınması, komutun modül tarafından anlaşıldığını gösterir. 1 ise komut başarısız olmuşdur)
2) Grup parametreleri komutu
MODÜL'E: AT+DMOSETGROUP=BW,TX_F,RX_F,Tx_subaudio,SQ,Rx_subaudio
Burada:
BW, bandgenişliğini göstermekdedir. BW yerine 0 yazılırsa band genişliği 12,5 kHz, 1 yazılırsa 25 kHz olacakdır.
TX_F gönderme frekansıdır ve XXX,YYYY şeklinde kullanılmalıdır. XXX, SA818V için 134 ilâ 174 arasında bir değerdir. YYYY ise frekansın kilohertz kısmını göstermekdedir. 12,5 kHz bandgenişliği de kullanılabildiğinden kHz kısmı muhakkak 4 haneli olarak yazılmalıdır. 145,0250 1464.025 kHz'i göstermekdedir.
RX_F alış frekansıdır ve tıpkı TX_F gibi kullanılmalıdır.
TX_subaudio, gönderme için CTCSS veya CDCSS tonunu göstermekdedir. 0000 gönderme için ton kullanılmayacağını ifade eder.
CTCSS kullanılacaksa, ton değerine göre 1 ilâ 38 arasında bir numara kullanılır. Ton listesi aşağıda verilmekdedir:
|
TON NU. |
TON FR. |
TON NU. |
TON FR. |
TON NU. |
TON FR. |
TON NU. |
TON FR. |
|||
|
1 |
67.0 |
11 |
97.4 |
21 |
136.5 |
31 |
192.8 |
|||
|
2 |
71.9 |
12 |
100.0 |
22 |
141.3 |
32 |
203.5 |
|||
|
3 |
74.4 |
13 |
103.5 |
23 |
146.2 |
33 |
210.7 |
|||
|
4 |
77.0 |
14 |
107.2 |
24 |
151.4 |
34 |
218.1 |
|||
|
5 |
79.7 |
15 |
110.9 |
25 |
156.7 |
35 |
225.7 |
|||
|
6 |
82.5 |
16 |
114.8 |
26 |
162.2 |
36 |
233.6 |
|||
|
7 |
85.4 |
17 |
118.8 |
27 |
167.9 |
37 |
241.8 |
|||
|
8 |
88.5 |
18 |
123.0 |
28 |
173.8 |
38 |
250.3 |
|||
|
9 |
91.5 |
19 |
127.3 |
29 |
179.9 |
|||||
|
10 |
94.8 |
20 |
131.8 |
30 |
186.2 |
SA818 Modülünün kullanabileceği 38 adet CTCSS tonunu gösterir tablo
CDCSS listesi, SA818 Programming Manual'da verilmekdedir.
SQ squelch seviyesini göstermekdedir. 0 squelch açık, 1 ilâ 8 ise değişik squelch seviyelerini gösterir.
RX_Subaudio, alış için CTCSS veya CDCSS tonunu göstermekdedir. 0000 alış için ton kullanılmayacağını ifade eder.
Örnek:(SA818V modülü için)
AT+DMOSETGROUP=0,145,0500,145,6500,8,1,0000
12,5 Khz band genişliği, TX frekansı 145.050 MHz, alış frekansı 145.650 MHz, gönderme için 88,5 Hz CTCSS tonu, squelch seviyesi 1 ve alış için ton kullanılmayacağını göstermekdedir.
3) Scan komutu
MODÜL'E: S+RX_F
CEVAP: S=X
X 0 ise, belirtilen kanalda sinyalin var olduğunu, 1 olmadığını göstermekdedir.
4) Ses komutu
MODÜL'E: :AT+DMOSETVOLUME=X
CEVAP: +DMOSETVOLUME: 0
X, 1 ilâ 8 arasında bir ses seviyesini ifâde eder. Cevaptaki 0, komutun anlaşıldığını ve uygulandığını gösterir. Esâsen, modülün çıkışına bir ses frekans güç kuvvetlendiricisi bağlandığına ve bu kuvvetlendiricinin girişinde de bir adet ses seviye potansiyometresi olduğuna göre, bu komut çok da gerekli değildir.
5) Ses filtreleri komutu
MODÜL'E: AT+SETFILTER=PRE/DE-EMPH, HIGHPASS, LOWPASS
CEVAP: +DMOSETFILTER: X
PRE/DE-EMPH emphasis, HIGHPASS yüksekgeçiren ve LOWPASS da alçakgeçiren filtreyi göstermekdedir. Bunlar için 1 kullanılırsa o filtre baypas edilir, 0 kullanılır ise filtre normal işlevini yerine getirir.
6) Kuyruk sesi komutu
MODÜL'E: AT+SETTAIL=TAIL (TAIL:1 kuyruk sesi var, 0 yok)
CEVAP: +DMOSETTAIL: X (X 0 ise komut başarılı, 1 ise başarısızdır)
7) Alan şiddeti komutu
MODÜL'E: RSSI?
CEVAP: RSSI=X (X, 1 ilâ 255 arasında bir değerdir ve her bir birim 1 dB'dir)

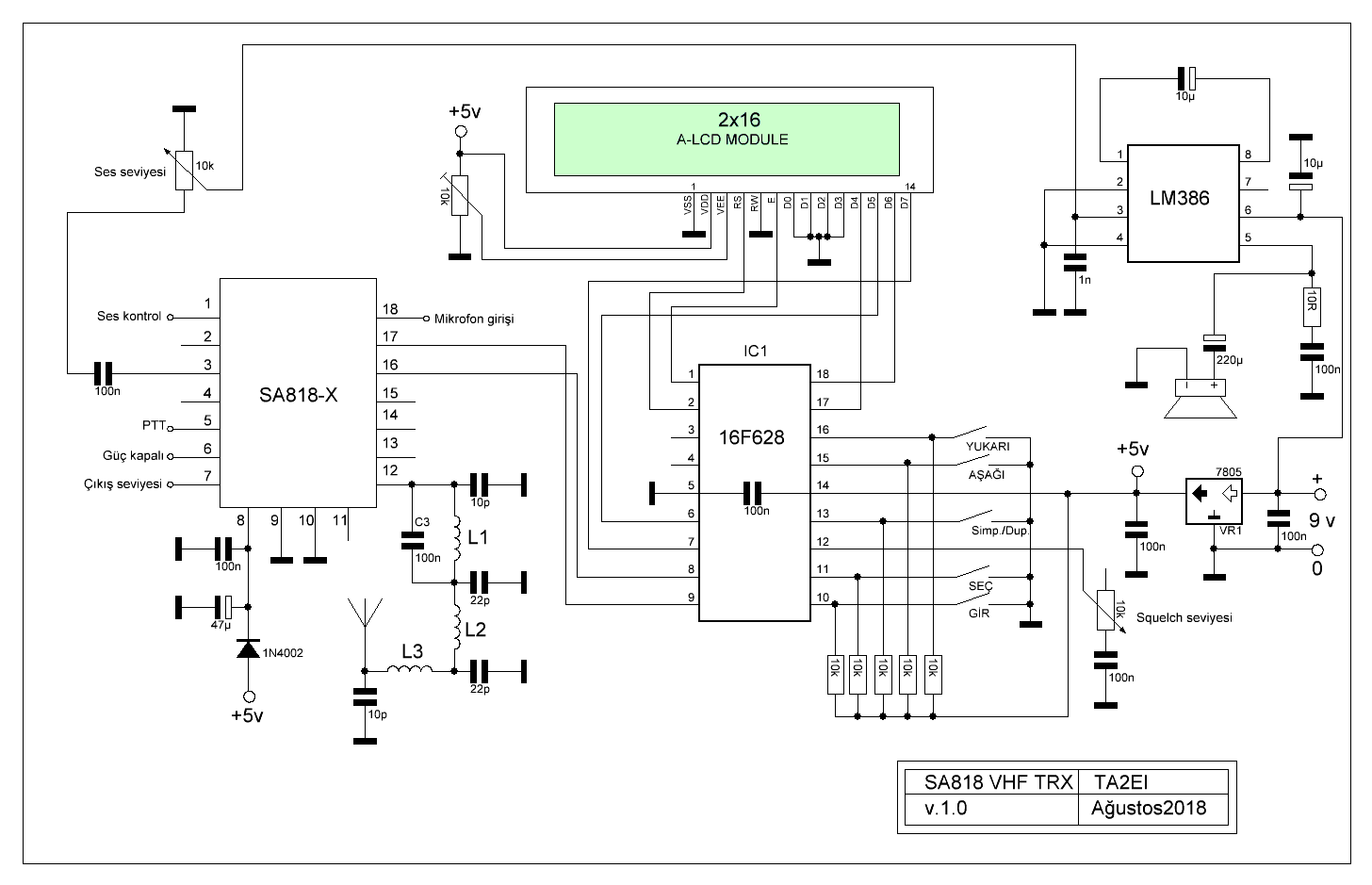
SA818 modülü ile VHF alıcı verici uygulamasının şeması

SA818 modülü ve alçak geçiren filtre devresi SA818'e kumanda eden PIC, güç devresi ve ses frekansı güç kuvvetlendirici devresi

Kumanda devresi PCB'sinin alt yüzündeki elemanlar (SMD)

Kumanda devresinin üst yüzündeki elemanlar
