This is my digital tape. In ARRL Handbook i show a project with ISD chip with 20 seconds of voice . I look around in local elec. stores and i found the similar ISD 2560 ic with the same futures with 1020 ic and i decide to make this project for the CQ WW ssb contest in 1998 . With the help of my good friend SV1CDN , who was student in univercity of my town , we made the pcb and the project was ready to go on the air in a week . We tested the project and found it very intrensting . The audio was excelent and some problems with rfi solved at once after some mods we made in the pcb degign .
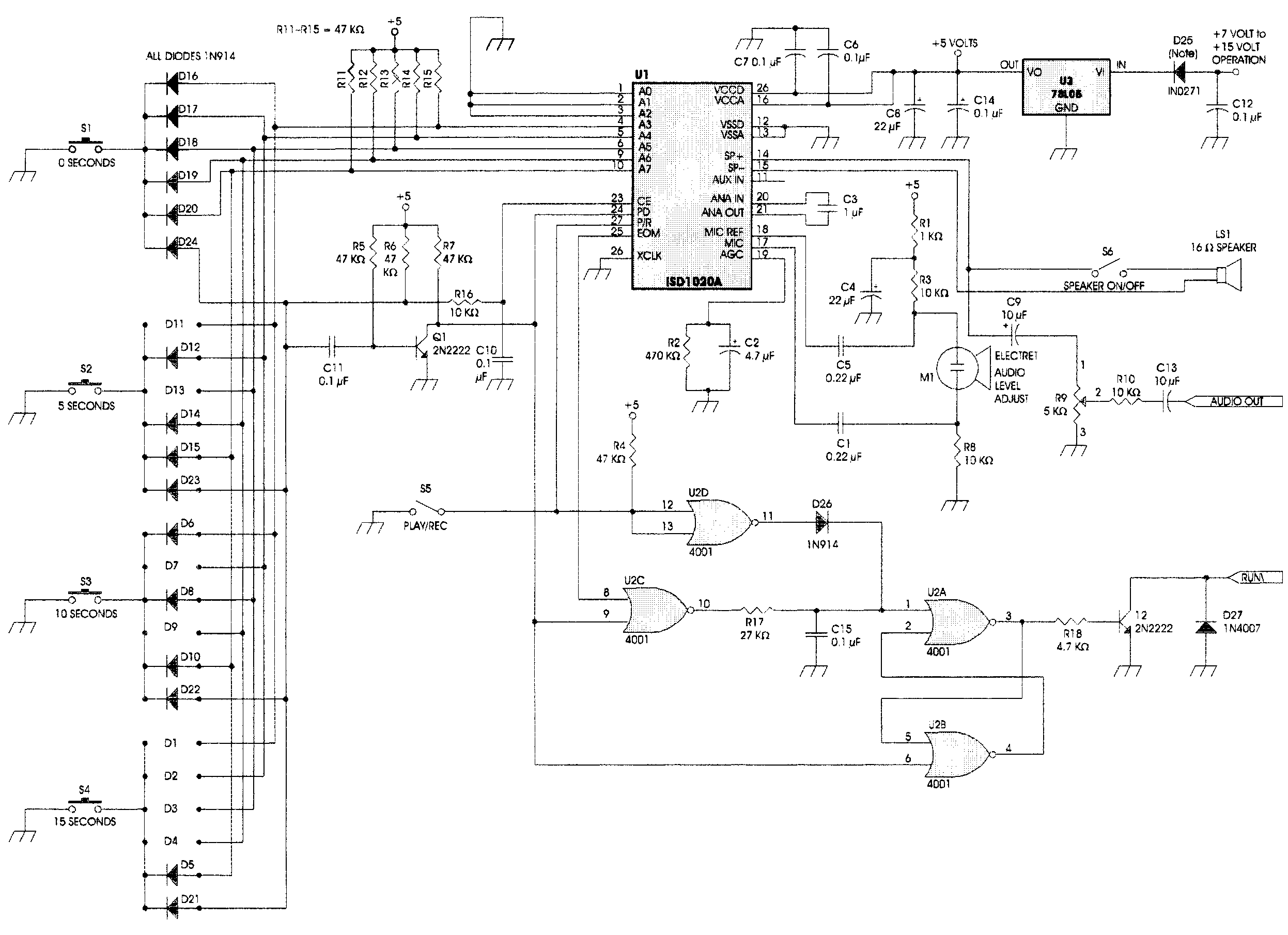
Here is the shematic .
You can also find the shematic in ISD like PSD format and almost any ARRL Handbooks .
Here is my PCB . It measures 6.5 x 10 cm

In the original arcticle there was no *Stop* function in the DVR . After a litle search in ISD Book i found that it was very easy to add this . Just solder a diode 1N4148 from base of Q1 with a push button to GND. With power on the DVR start to play the message . When push the stop button the message stops , or any time you want .
If anyone wants to make this project and needs a PCB just sent a e-mail . Good luck and good DX with the help of DVR .