Antenna Relay - distributor Box


'Ολους κάποιες φορές μας προβληματίζουν τα πολλά καλώδια τύπου RG που είναι απαραίτητο να κατεβάζουμε από την ταράτσα στο Shack. Στην παρούσα σελίδα περιγράφω ένα Antenna Box, χάρις στο οποίο μπορούμε να χρησιμοποιήσουμε μία μόνο κάθοδο για 3 κεραίες HF. To Antenna Box εγκαθίσταται στην ταράτσα μέχρι την οποία έχουμε 1 RG και εκεί διανέμει το σήμα σε μία από τις 3 κεραίες, κατ' επιλογή μας, απαιτώντας μόνο ένα καλώδιο για τον τηλε-χειρισμό του !!

ABOX1a.gif - 9044 Bytes

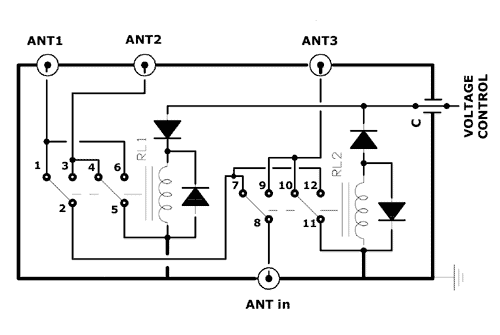
FIG.1

Η FIG.1 δείχνει το διάγραμμα του Antenna-Box και η FIG.2 το control Box που τηλεχειρίζει το Anntenna Box από το shack μας.
Το Antenna-box περιέχει 2 relays. Το RL1 ενεργοποιείται αν το τροφοδοτήσουμε με θετική τάση εν σχέσει με το GND, το δε RL2 ενεργοποιείται με αρνητική τάση. Το διαχωρισμό αυτόν τον πραγματοποιούμε με την χρήση διόδων και του κατάλληλου διακόπτη (S1)

Mε απλά λόγια, αν το Control Box στο Shack στέλνει +12 Volts στο καλώδιο ελέγχου με το "μείον" στο πλεντάζ του RG, τότε ενεργοποιείται το RL1 και το RL2 είναι απενεργοποιημένο. Εάν αντιστρέψουμε την πολικότητα, δηλ. - V στο καλώδιο και + V στο πλεντάζ, σ'αυτή την περίπτωση ενεργοποιείται το RL2.
Οι δίοδοι δρούν σαν πύλες "OR", για όσους γνωρίζουν λίγα ηλεκτρονικά, προσφέροντάς μας στην παρούσα φάση μία κατασκευή με τα ελάχιστα δυνατά εξαρτήματα μεν, που εξαντλεί όμως όλους τους πιθανούς συνδυασμούς δε, χάρις στην έξυπνη σχεδίασή του.


Ο παρακάτω πίνακας "αληθείας" μας απεικονίζει τις καταστάσεις λειτουργίας και την σχέση μεταξύ S1-RL1-RL2 & των 3 κεραιών
S 1
Voltage CONTROL RL1 RL2 ANT-input to:
"Path" :
ANT1
O V
OFF OFF
ANT 1
1-2 (RL1)
& 7-8 (RL2)
ANT2
+ V (- to GND)
ON OFF
ANT 2
2-3 (RL1)
& 7-8 (RL2)
ANT3
- V (+ to GND)
OFF ON
ANT 3
8-9 (RL2)


ABOX2.gif - 11817 Bytes

FIG.2

Το Control-Box (FIG.2) περιέχει μόνο ένα περιστροφικό διακόπτη 2x3. Θα πρέπει όμως να λάβετε σοβαρά υπ'όψιν ότι είναι απολύτως απαραίτητο να τροφοδοτήσετε την κατασκευή με ένα ξεχωριστό τροφοδοτικό. Π.χ. ένα μικρό Power-pack (σαν αυτά που βυσματώνονται στην πρίζα) με τάση εξόδου 12-14 Volts / 200mA είναι υπεραρκετό.
ΜΗ ΧΡΗΣΙΜΟΠΟΙΗΣΕΤΕ για την τροφοδοσία αυτού του κυκλώματος το μεγάλο τροφοδοτικό που παρέχει ρεύμα στον πομποδέκτη σας διότι σ'αυτή την περίπτωση, αν στρέψετε τον S1 στη θέση ANT3 ο διακόπτης θα καταστραφεί αμέσως, διότι πολύ απλά θα βραχυκυκλώσει το + με το - του τροφοδοτικού ! Μην ξεχάσετε λοιπόν : βάλτε ένα μικρό πακ-άκι για να του δώσετε ρεύμα !

Τα RL1-RL2 είναι 12 βολτα Relay με 2 μεταγωγικά ζεύγη επαφών το καθένα (10 Α) και όλες οι δίοδοι τύπου 1N4004. Ο πυκνωτής C που χρησιμοποίησα στην δική μου κατασκευή ήταν τύπου feedtrough (1nF), όπου στην εξωτερική πλευρά του κουτιού κόλλησα το καλώδιο ελέγχου και φυσικά εκεί χρειάζεται σχετική στεγανοποίηση, αλλά αν δεν έχετε τέτοιο πυκνωτή βάλτε στη θέση του μία θηλυκή μπόρνα και στη εσωτερική πλευρά του κουτιού συνδέστε παράλληλα 2-3 κεραμεικούς πυκνωτές 1nF/63 V για απόζευξη με την γή (κέλυφος κουτιού)

Το Antenna Box το κατασκεύασα σε diecast αλουμινένιο κουτί. Είναι ιδανικό για τέτοια κατασκευή, πολύ ανθεκτικό και υδατοστεγές. Τρυπήστε πρώτα στις κάθετες πλευρές του τα σημεία που θα βιδώσετε τους θηλυκούς κοννέκτορες και αφού τους βιδώσετε γερά και φροντίσετε να στεγανοποιηθούν οι σχισμές και οι τρύπες, κατόπιν τοποθετείστε τα ρελαί και συνεχίστε με την καλωδίωση. Προσωπικά προτίμησα να έχω την είσοδο (ANT-in) στην μία πλευρά του κουτιού και τις 3 εξόδους στην ακριβώς αντίθετη. Είναι θεωρητικά και πρακτικά ότι καλύτερο.
Το Control Box κάτω στο shack που περιέχει τον S1, είναι ένα μικρό πλαστικό κουτάκι με μία μπόρνα για να "φεύγει" το καλώδιο ελέγχου και ένα θηλυκό βύσμα για την τροφοδοσία, αντίστοιχο του αρσενικού που ήδη έχει το Pak τροφοδοσίας που θ'αγοράσετε.

Κλείνοντας, θα ήθελα να επισημάνω ότι ο σχεδιασμός του κυκλώματος εκμεταλλεύεται πλήρως όλες τις επαφές των realays με έξυπνο τρόπο, έτσι ώστε όταν είναι συνδεδεμένη η ANT1 στην είσοδο ANT-in, οι άλλες κεραίες είναι γειωμένες. Το ίδιο συμβαίνει πάντοτε ανάλογα με την χρησιμοποιούμενη κεραία, δηλ. αν συνδέσουμε στην έξοδο την ANT2, τότε αντίστοιχα γειώνονται οι ANT1 - ANT3, ώστε να μην υπάρχουν αλληλοεπιδράσεις μεταξύ τους για την περίπτωση που θα έμεναν "στον αέρα". Κι'όλα αυτά με μόλις 2 relays και ένα καλώδιο ελέγχου !

That's all folks !

Καλή επιτυχία σ'όσους το κατασκευάσουν !

Makis SV1BSX
Jan 2002
backhombrew