Dlaczego PSK-31:
1. Jest najbardziej skuteczną emisją przy małych mocach nadajnika
2. Nie potrzeba "wyczynowych" anten aby zrobić ciekawe stacje DX
3. Nie powoduje TVI i BCI z racji braku konieczności stosowania dużych mocy
4. Wpływa na poprawę układów rodzinnych - żona nawet nie wie, że robimy łączności
a wszystko odbywa się w zaciszu naszego kącika radiowego.
5. Coraz więcej stacji pracuje na psk-31, co można sprawdzać - W TYM MIEJSCU -
6. Paweł SP7PS zawsze ma na swojej stronie programy do psk-31 i -TU- jest potwierdzenie.
7. Opis ( po polsku ) popularnego programu "MIX-W" jest na serwisie ARIADNY
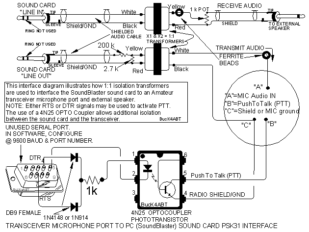
8. Praktycznie każdy TRX nadaje się do pracy tą emisją a wystarczy prosty interface
( jeśli jest VOX, to nic więcej nie trzeba ):
Interface 1:  |
Interface 2:  |
Interface 3:  |
|