20 Watts PA VHF Module


The MHW 612 by Motorola, it's a VHF Broadband power module amplifier for commercial mobile transmitters giving a maximum Output Power of about 20 Watts (50 Ohm).
I bought a piece from eBay for about 10 Euros(!) and I tried to find some description, a diagram or "data sheet", without succes. Just the operating voltage (12 V), the Bandwidth (146-174 MHz) and the output power (20 W) was known.
Anyway, after few experiments on my bench, I achieved to find the correct connections into the module's pins ( without "smoke" ! )

The Module is mainly for operating between 146-174 MHZ, but our 2m amateur Band (144-146 MHz) is very close to the lower edge of module bandwidth.
With this thought, I decided to construct a PA amplifier, knowing that the module has a very big Gain and on the other hand, is usually a pretty simple construction, using just a few external components.


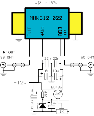
FIG.1

Picture above shows my circuit. The module has just 4 pins. The 2 across Pins are for RF Input-Output respectively, the 3rd for the main Power-supply (+Vc) and the 4th pin for the Output-Power handling. I have designed a simple circuit by using the BD435 NPN transistor, in order to control the output. This way, I achieved to adjust the output between 0,1 and 15 Watts, just by using 0,25 Watts driving input-power. The Power output adjusting is done through the 1K potentiometer. The result was good enough. The total Gain was ~17 Db, fully controlled.
The module can accept in the ADJ-pin up to 12 V directly from +Vc, but in this case the current into +ADJ pin strongly increased, without any spectacular difference in the Output-Power. Just 1-2 Watts more (probably was close to the "saturation-point"). So, I decided to keep the +ADJ up to 10V maximum, for safety operation of module.

+ADJ pin
Volts
+ADJ pin
I (mA)
+Vc pin
I (A)
Output
(W)
2,7 <50 0,3 0,25
3,0 ~100 0,85 0,5
3,4 ~120 1,0 1
3,7 ~150 1,33 2
4,8 ~200 2 5
5,8 ~250 2,65 10
9 ~500 3,5 12
10 ~600 4 15
+Vc = 12V, driving Input-power = 0,25 Watts / 50 Ohms.
Output measured by Hansen FS-5 SWR-Power meter, terminated
into a BIRD 8130 Dummy Load.


As I said before, the module has 20 Watts maximum output Power, so the 15 Watts output on my unit is less than specification. On the other hand keep in mind, my unit tested with +12 Volts and 250mW Input. Thus, the voltage supply could be increased to 13.8 - 14 V or the driving Power up to 0,5 Watts, in order to increase the Output power up to 20 Watts. Another point is the lower limit of module: 146-174 Mhz... perhaps this prevents the module's maximum output below of 146 MHz.
In any case, I 'm really happy with this power of 15 Watts. Thus, by using a small pocket-size VHF hand held with output power 200 - 300 mW, it's pretty easy for anyone to construct a small Linear Amplifier (PA) for NBFM mobile operation, APRS etc.
The MHW612 module is pretty small (27 x 18 mm), but needs a good enough hotsink, for safety operation. Don't forget, it's a power amplifier, that means a High-Power consumption.
Finally, don't forget to solder the 22nF capacitors (ceramics / 63V) as close as possible to module pins and GND.


Closing the picture above shows a photo of module and the following picture shows my first experimental PA-unit with MHW612.




That's all folks! Have fun !
Makis SV1BSX



April 2004
duffy3.gif - 3376 Bytes

back hombrew