Г.ПЕЧЕНЬ (EW1EA)
"КВ и УКВ" №9 1998г.
Очень многие коротковолновики убеждены — о ламповых усилителях известно все.
И даже больше... Может быть. Вот только число некачественных сигналов в эфире
не уменьшается. Скорее наоборот. И что самое печальное, все это происходит на
фоне роста количества используемых промышленных импортных трансиверов, параметры
передатчиков которых достаточно высоки и удовлетворяют требованиям FCC
(американской Федеральной комиссии связи). Однако иных моих коллег по эфиру,
смирившихся с тем, что FT 1000 "на коленке" не сделаешь и использующих РА,
сконструированные по канонам тридцатилетней давности (ГУ29 + три ГУ50) и т.д.,
не покидает уверенность, что по РА "мы впереди планеты всей". Замечу, "они там,
за рубежом", не только покупают, но и конструируют РА, достойные внимания и
повторения.
Как известно, на KB в усилителях мощности применяются схемы с общей сеткой (ОС)
и с общим катодом (ОК). Выходной каскад с ОС — почти стандарт для радиолюбителей
СНГ. Здесь используются любые лампы — и специально предназначенные для работы по
схеме с ОС, и лампы для линейного усиления в схемах с ОК. По-видимому, объяснить
это можно следующими причинами:
- схема с ОС теоретически не склонна к
самовозбуждению, т.к. сетка заземлена либо по ВЧ, либо гальванически;
- в
схеме с ОС линейность на 6 дБ выше за счет отрицательной обратной связи по току;
- РА с ОС обеспечивают более высокие энергетические показатели, чем РА с ОК.
К сожалению, что хорошо в теории, на практике хорошо не всегда. При использовании
тетродов и пентодов с высокой крутизной вольтамперной характеристики, третья
сетка или лучеобразующие пластины которых не соединены с катодом, РА с ОС могут
самовозбуждаться. При неудачном монтаже, некачественных комплектующих (особенно
конденсаторах) и плохом согласовании с трансивером легко создаются условия
баланса фаз и амплитуд для получения классического автогенератора на KB или УКВ
по схеме с ОС. Вообще, согласовать трансивер с РА по схеме ОС не так просто, как
об этом иногда пишут. Часто приводимые цифры, например 75 Ом для четырех Г811,
верны только теоретически. Входное сопротивление РА с ОС зависит от мощности
возбуждения, анодного тока, настройки П-контура и т.д. Изменение любого из этих
параметров, например повышение КСВ антенны на краю диапазона, вызывает
рассогласование на входе каскада. Но и это еще не все. Если на входе РА с ОС не
применяется настроенный контур (а это обычное явление в самодельных усилителях),
то напряжение возбуждения становится несимметричным, т.к. ток от возбудителя
протекает только на отрицательных полупериодах входного напряжения, и это
увеличивает уровень искажений. Таким образом, возможна ситуация, когда
вышеприведенные факторы сведут на нет преимущества схемы с ОС. Но, тем не менее,
РА с ОС популярны. Почему?
На мой взгляд, вследствие отличных энергетических показателей: когда необходимо
"качнуть мощу", схеме с ОС цены нет. О линейности усилителя при этом думают в
последнюю очередь, ссылаясь на крепко усвоенное из [1] — "вносимые каскадом
искажения мало зависят от выбора рабочей точки на характеристике". Например
разработанная для линейного усиления однополосных сигналов лампа ГУ74Б в типовом
включении в схеме с ОК [5] должна иметь ток покоя около 200 мА, и вряд ли
удастся при этом получить выходную мощность более 750 Вт (при Ua=2500 В) без
риска для долголетия лампы, т.к. мощность рассеяния на аноде будет предельной.
Другое дело, если ГУ74Б включить с ОС — ток покоя можно установить менее 50 мА,
а получить выходную мощность 1 кВт [8]. Сведений об измерении линейности
подобных РА разыскать не удалось, а аргументы типа "на данном усилителе
проведено множество QSO, и корреспонденты неизменно отмечали высокое качество
сигнала" — субъективны, следовательно, неубедительны. Мощность более 1 кВт в
приведенном выше примере обеспечивает популярный промышленный ALPHA/POWER ETO
91В, использующий пару ламп ГУ74Б с ОК в рекомендованном производителем режиме
работы с известными интермодуляционными характеристиками. По-видимому,
разработчики данного усилителя были озабочены не только экономическими
соображениями (еще одна лампа удорожает и усложняет конструкцию), но и
соответствием параметров РА нормам и требованиям FCC.
Достоинством РА с ОС считается отсутствие необходимости стабилизации
напряжений экранной и управляющей сеток. Верно это лишь для схемы, в которой
указанные сетки непосредственно соединены с общим проводом [8]. Подобное
включение современных тетродов вряд ли можно считать корректным — не только
отсутствуют данные о линейности каскада в таком режиме, но и мощность рассеяния
на сетках, как правило, превышает допустимую. Мощность возбуждения для такой
схемы — около 100 Вт, а это вызывает повышенный разогрев трансивера, например
при интенсивной работе на общий вызов. Кроме того, при длинном соединительном
кабеле требуется применение на входе усилителя коммутируемого П-контура, чтобы
избежать высоких значений КСВ и связанных с этим проблем.
К недостаткам схем с ОК причисляют необходимость стабилизации напряжений экранной
и управляющей сеток; однако у современных тетродов в режиме АВ1 мощность,
потребляемая указанными цепями, невелика (20...40 Вт), а стабилизаторы
напряжения на доступных в настоящее время высоковольтных транзисторах достаточно
просты. Если на силовом трансформаторе отсутствуют необходимые напряжения, можно
применить подходящие маломощные трансформаторы, подключив их наоборот —
вторичной обмоткой к напряжению накала 6,3 или 12,6 В. Другой недостаток схемы с
ОК — большая мощность рассеяния на аноде в паузах передачи. Один из возможных
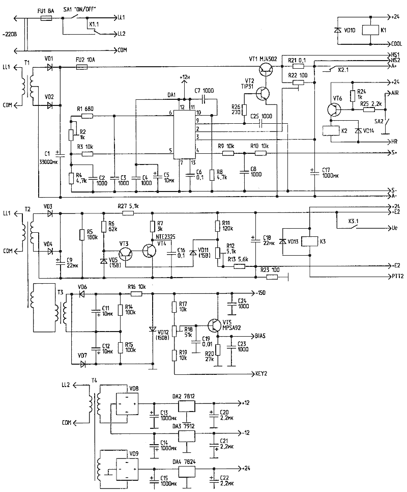
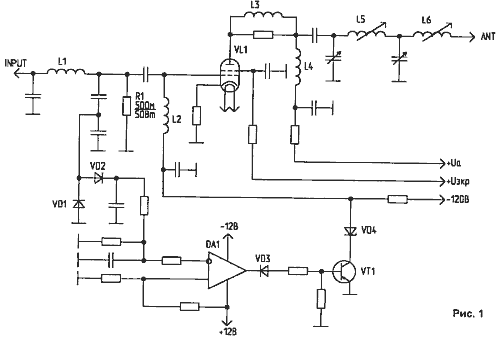
путей ее снижения приведен на рис.1 (упрощенная схема из [10]).
Напряжение возбуждения через емкостный делитель подается на
двухполупериодный выпрямитель VD1, VD2 и далее — на компаратор DA1. Срабатывание
компаратора переводит лампу из закрытого состояния в рабочий режим. В паузах
передачи напряжение возбуждения отсутствует, лампа заперта, и мощность рассеяния
на аноде незначительна.
На мой взгляд, РА с ОС может применяться на KB с устаревшими лампами — для
удешевления конструкции, или с лампами, специально предназначенными для работы в
таком включении. Применение на входе настроенного LC-контура невысокой
добротности или П-контура обязательно. Это особенно актуально для трансиверов с
широкополосными транзисторными выходными каскадами, нормальная работа которых
возможна только на согласованную нагрузку. Безусловно, если выходной каскад
трансивера имеет настраиваемый П-контур или антенный тюнер, и длина
соединительного кабеля не превышает 1,5 м (т.е. представляет собой емкость для
используемого диапазона частот), такой контур можно рассматривать как входной
для РА. Но в любом случае применение П-контура на входе РА значительно снижает
вероятность самовозбуждения на УКВ. Кстати, именно так реализовано подавляющее
большинство РА с ОС, описанных в зарубежной литературе и выпускаемых
промышленностью для коротковолновиков. Для радиолюбителей, задумавших создать РА
мощностью 500 Вт и более, рекомендуется применение ламп, специально
разработанных для линейного усиления радиочастотных сигналов в схеме с ОК.
Особую актуальность данная рекомендация приобретает при использовании
дорогостоящих "фирменных" трансиверов — в РА с ОС при самовозбуждении на входе
присутствует значительная мощность ВЧ- или СВЧ-колебаний, что может привести к
выходу из строя либо выходного каскада, либо входных цепей трансивера (в
зависимости от коммутации цепи RX — ТХ в момент возникновения самовозбуждения).
Увы, это не авторская фантазия, а реальные случаи из практики.
И еще одну проблему нельзя не затронуть, рассматривая ламповые РА — с легкой руки
В.Жалнераускаса [2] и В.Дроздова [3] популярность приобрели схемы построения
передающей части трансивера, когда после диапазонного полосового фильтра для
возбуждения лампового усилителя используется линейное усиление радиочастотного
сигнала транзисторными каскадами без промежуточной фильтрации. Конструктивно
трансивер упрощается, но цена такой простоты — повышенное содержание побочных
излучений при недостаточно тщательной настройке подобных схем.
Ситуация еще больше ухудшается, когда выходной мощности трансивера
недостаточно для "раскачки", например в случае ГУ74Б с ОК с широкополосной
входной цепью на трансформаторе 1:4. Необходимого усиления обычно добиваются
дополнительным широкополосным каскадом [9]. Если используется низкая ПЧ, и после
двух-трехконтурного ДПФ передающий тракт имеет коэффициент усиления 40...60 дБ
по мощности, а П-контур является единственной селективной цепью этого тракта, то
не обеспечивается достаточное подавление побочных излучений. Последствия можно
услышать на любительских диапазонах ежедневно, например вторые гармоники, почти
равные по мощности основному сигналу. Послушайте, к примеру, участок 3680...3860
кГц, и почти обязательно услышите сигналы второй гармоники от SSB-станций
160-метрового диапазона. Собственно РА также обладает определенной
нелинейностью, поэтому даже при подаче на него спектрально чистого
радиочастотного сигнала на выходе неизбежно присутствуют гармоники. Одиночный
П-контур можно рекомендовать при выходной мощности до 1 кВт. При большей
мощности зарубежные любительские и промышленные РА [10] используют П-L контур,
изображенный на рис. 1 — коэффициент фильтрации у него в два раза выше.
Рассмотрим теперь схемные решения, демонстрирующие достаточно
требовательный подход при конструировании РА.
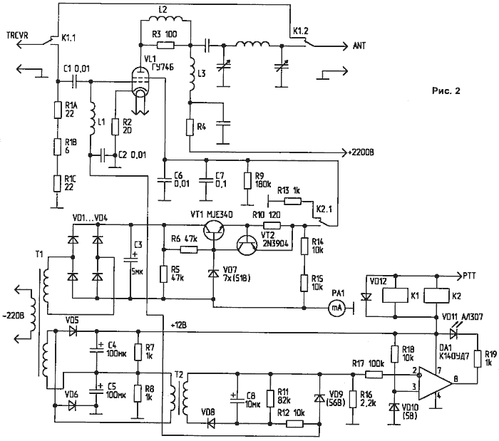
Публикация [4] знакомит нас с американской версией самодельного РА на
ГУ74Б. George Т. Daughters, AB6YL, задумав переделать промышленный усилитель
Dentron MLA2500, первоначально построенный на триодах по схеме с ОС, остановил
свой выбор на лампе ГУ74Б (американское обозначение — 4СХ800А). Для этого
проекта он посчитал оптимальным использование режима подачи сигнала возбуждения
на управляющую сетку, где входная мощность рассеивается на пятидесятиомном
резисторе между сеткой и общим проводом. Это позволило устранить необходимость в
настроенных входных контурах и легко обеспечить широкополосность. Низкий
импеданс цепи управляющей сетки помогает избежать самовозбуждения и обеспечивает
выходному каскаду трансивера стабильную резистивную нагрузку с низким КСВ. Кроме
того, очень популярный коммерческий усилитель ALPHA/POWER 91B с выходной
мощностью 1500 Вт использует пару 4СХ800А в таком включении — это уже
опробованная схема!
Схема усилителя приведена на рис. 2.
Большая входная емкость 4СХ800А (около 50 пФ) требует применения
индуктивной компенсации, особенно на высокочастотных диапазонах. Проволочный
резистор R1B 6 Вт/6 Ом обеспечивает необходимую индуктивность и дополняет
совместно с безиндуктивными R1A и R1С сопротивление нагрузки до требуемого — 50
Ом/50 Вт. Согласно измерениям AB6YL, на частотах ниже 35 МГц входной КСВ — менее
1,1.
Энергетические показатели усилителя можно улучшить, подключая
безиндуктивный резистор R2 сопротивлением до 30 Ом между катодом и общим
проводом. Этот резистор обеспечивает отрицательную обратную связь, что позволяет
снизить ток покоя и несколько улучшить линейность; уровень составляющих пятого
порядка уменьшается при этом примерно на 3 дБ.
Параметры П-контура не приводятся, т.к. использованы компоненты от
Dentron — MLA2500.
Накал 4СХ800А должен быть включен минимум за 2,5 минуты до подачи напряжений
возбуждения и питания.
Технические условия на 4СХ800А/ ГУ74Б [5], поставляемые на американский
рынок, рекомендуют напряжение смещения на управляющей сетке около -56 В при
экранном напряжении +350 В. Источник питания управляющей сетки состоит из
маломощного трансформатора Т2, включенного наоборот — на вторичную обмотку,
используемую как первичная, подается напряжение 6,3 В от основного
трансформатора Т1, что обеспечивает около 60 В переменного напряжения. На выходе
параметрического стабилизатора VD9, R12 присутствует напряжение -56 В. Любой ток
управляющей сетки вызывает нелинейные искажения, приводящие к splatter. Детектор
тока сетки собран на операционном усилителе DA1, включенном по схеме
компаратора. Когда ток сетки превышает несколько миллиампер, увеличивается
падение напряжения на R16, вызывая срабатывание компаратора и свечение красного
светодиода.
Экранная сетка питается от стабилизатора напряжения (VT1, VT2, VD7) с
защитой от превышения потребляемого тока. Контакты реле К2 переключают экранную
сетку между общим проводом (через R13) в режиме приема и напряжением +350 В в
режиме передачи. Резистор R9 предотвращает броски напряжения при коммутации
реле. Ток экранной сетки индицируется стрелочным прибором РА1, т.к. у тетродов
ток экранной сетки — лучший индикатор резонанса и настройки, нежели ток анода. В
режиме передачи анодный ток покоя должен быть 150...200 мА, при этом ток
экранной сетки составляет около -5 мА (если используется прибор без нуля
посередине, то стрелка переместится влево до упора). Усилитель работает в
линейном режиме и не нуждается в ALC (пока нет тока управляющей сетки) при токе
анода 550...600 мА и токе экранной сетки примерно 25 мА. Если ток экранной сетки
при резонансе превышает 30 мА, необходимо увеличить связь с нагрузкой или
уменьшить мощность возбуждения. При настройке усилителей на тетродах необходимо
помнить, что ток анода увеличивается с ростом мощности возбуждения; ток экранной
сетки максимален при резонансе или слабой связи с нагрузкой. Не следует,
настраивая усилитель по максимальной выходной мощности, превышать значения
параметров, указанных в ТУ для оптимальной линейности. Необходимая мощность
возбуждения усилителя уменьшается на высокочастотных диапазонах. Это объясняется
влиянием емкости катод — подогреватель, которая шунтирует резистор R2, уменьшая
ООС. Необходимо помнить об этом, чтобы избежать перевозбуждения усилителя на 15
и 10 метрах. (Или применить ВЧ-дроссель в цепи накала. Прим. ред.)
Параметры усилителя при входной мощности около 45 Вт приведены в
табл.1. (Значение выходной мощности, по-видимому, несколько завышено. Прим.ред.)
Перед выключением усилителя после сеанса работы нужно оставить его в положении
standby приблизительно на три минуты — вентилятор должен охладить лампу.
Табл.1
Напряжение анода 2200 В
Ток покоя анода 170 мА
Ток
анода максимальный 550 мА
Ток экранной сетки максимальный 25 мА 0
Мощность рассеивания на аноде без сигнала 370 Вт
Мощность подводимая
1200 Вт
Мощность выходная 750Вт
Стремление обеспечить надежную и долговечную работу высоколинейного
усилителя мощности ярко продемонстрировал Mark Mandelkern, KN5S [6].
Принципиальные схемы усилителя и вспомогательных цепей приведены на рис.3...8.
Не стоит удивляться обилию полупроводниковых приборов — их применение оправдано и
заслуживает внимания, особенно применение схемы защиты. (Однако нельзя
утверждать, что все они абсолютно необходимы. Прим. ред.)
При проектировании РА преследовались следующие цели:
- питание нагревателя лампы
от стабилизированного источника постоянного тока; применение автоматических
таймеров разогрева и охлаждения;
- измерение всех параметров, включая
анодный ток и напряжение, без неудобных коммутаций;
- наличие
стабилизированных источников смещения и экранного напряжения, допускающих
подстройку напряжения в широких пределах;
- обеспечение работоспособности
при значительных колебаниях напряжения сети (особенно это актуально при работе в
полевых условиях от генератора электрического тока).
Источнику питания подогревателя мощных генераторных ламп редко
уделяется должное внимание, а ведь он во многом определяет долговечность работы
лампы и стабильность выходной мощности. Разогрев подогревателя должен
происходить постепенно, не допуская бросков тока через холодную нить накала. В
режиме передачи, когда происходит интенсивная эмиссия электронов, очень важно
обеспечить постоянство напряжения накала и, соответственно, температуры катода.
Вот основные причины применения для накала лампы стабилизированного источника
питания с ограничителем потребляемого тока, который исключает бросок тока в
момент включения.
Схема блока питания показана на рис.4

Стабилизатор напряжения накала использует популярную микросхему LN723 в
типовом включении. Значительный ток накала тетрода 4СХ1000 (около 9 А) и
соединение катода и подогревателя внутри лампы потребовали отдельных проводников
большого сечения для сильноточной цепи (А- и А+); по цепи S- и S+ выходное
напряжение подается на схему сравнения стабилизатора. Предохранитель FU1 на 10 А
лучше всего запаять, а не использовать держатель.
Схема управления нагревателем показана на рис.5

Таймер разогрева (DA3 на рис.5) настроен на пять минут. По ТУ
достаточно трех минут, но более длительный разогрев продлит жизнь лампы. Таймер
запускается только после появления напряжения на нагревателе. Это определяет
компаратор DA2.2, подключенный к точке S+. Так, например, если плавкий
предохранитель сгорел, таймер не начнет работу, пока вы не замените
предохранитель. При превышении напряжения (например при пробое регулирующего
транзистора VT1) срабатывает триггер на DA2.3 и закрывается транзистор VT2,
отключая напряжение от обмотки реле К2 (точка HR на рис.5). Конденсатор СЗ
обеспечивает начальную установку триггера и, соответственно, открывание
транзистора VT2 при подаче напряжения питания.
Наряду с таймером разогрева, усилитель нуждается в таймере охлаждения
лампы перед выключением (DA4). При выключении усилителя цепь +12 В разряжается
быстрее, чем цепь +24 В (имеющая минимальную нагрузку в режиме приема). На
выходе DA2.1 появляется напряжение +24 В, и запускается таймер охлаждения. После
запуска на выводе 7 DA4 присутствует низкий уровень напряжения, приводящий к
срабатыванию реле К1 (рис.4), через контакты которого обеспечивается работа
стабилизаторов +12/-12 В и +24 В. Приблизительно через три минуты на выводе 7
появляется высокий уровень, реле К1 возвращается в исходное состояние, и
усилитель окончательно обесточивается. Цепь +24 RLY исключает работу таймера
охлаждения, если по каким-либо причинам усилитель был выключен и сразу же
включен. Например, прохождение радиоволн заканчивается и диапазон кажется
мертвым — вы выключаете усилитель. Внезапно появляется интересный корреспондент
— тумблер питания вновь в положении ON! При переходе в режим передачи напряжение
+24RLY переводит DA2.1 в низкое состояние и сбрасывает таймер охлаждения.
Как и в случае с напряжением накала, стабилизатор напряжения экранной сетки редко
удостаивается внимания при конструировании РА. А зря... Мощные тетроды из-за
явления вторичной эмиссии имеют отрицательный ток экранной сетки, поэтому
источник питания данной цепи должен не только отдавать ток в нагрузку, но и
потреблять его при изменении направления. Последовательные схемы стабилизаторов
этого не обеспечивают, и при появлении отрицательного тока экранной сетки
транзистор последовательного стабилизатора может выйти из строя. Потеряв
несколько высоковольтных транзисторов при настройке усилителя, радиолюбители
приходят к решению установить мощный резистор сопротивлением 5...15 кОм между
экранной сеткой и общим проводом, смирившись с бесполезным рассеиванием
мощности. Применение параллельного стабилизатора напряжения, который может не
только отдавать, но и принимать на себя ток, позволяет добиться безотказной
работы, однако желательно использовать защиту от превышения тока.
Стабилизатор напряжения экранной сетки собран на транзисторах VT3, VT4
(рис.4). Вместо VT3 типа 2N2222A можно использовать высоковольтный, исключив
параметрический стабилизатор R6, VD5, но при этом возможно ухудшение
коэффициента стабилизации, т.к. высоковольтные транзисторы имеют невысокий
коэффициент усиления. Выходное напряжение определяется суммой напряжения
стабилизации VD11 и напряжения на переходах база-эмиттер транзисторов VT3, VT4
(15+0,6+0,6=16,2 В), умноженной на коэффициент, определяемый делителем
напряжения R11,R12,R13 (12...20) на выходе стабилизатора.
Шунтирующий транзистор установлен непосредственно на алюминиевой
пластине размерами 70х100х5 мм, которая, в свою очередь, крепится на боковой
стенке с использованием керамических изоляторов. Резистор R7 ограничивает
пиковый ток через шунтирующий транзистор VT4 величиной порядка 100 мА.
Схема ПРИЕМ-ПЕРЕДАЧА (рис.6)
проверяет шесть сигналов: наличие воздушного потока через лампу (+12Н),
состояние переключателя OPERATE-STANDBY, завершение разогрева накала, наличие
анодного напряжения, наличие напряжения смещения и состояние схемы защиты от
перегрузки. Схема коммутации прием-передача обеспечивает задержку срабатывания
реле КЗ 50 мс (рис.4) при переходе на передачу и задержку отключения
коаксиального реле 15 мс при переходе на прием. Если используются вакуумные
реле, синхронизация реле может быть легко изменена для полного QSK.

Операционные усилители схемы коммутации прием-передача на рис.6
используют очень простые R-C цепи для получения задержки переключения. В режиме
передачи на выходе DA1.4 присутствует напряжение порядка +11 В, что обеспечивает
быстрый заряд конденсатора С4 через диод VD8 цепи коаксиального реле коммутации
антенны Kant. Конденсатор С5 цепи реле питания экранной сетки заряжается при
этом через резистор R26, поэтому экранное реле срабатывает позже. При переходе в
режим приема на выходе DA1.4 появляется напряжение около -11 В, и происходит
обратный процесс. Вход KEY позволяет уменьшить мощность рассеяния на аноде в
паузах передачи и избежать изменения формы посылки CW-сигнала при работе с РА,
но для этого необходимо, чтобы трансивер имел соответствующий выход. Схема
блокировки при перегрузках (рис.7) срабатывает, когда ток управляющей или
экранной сетки, или анода превышает значение 1 мА, -30 мА и 1150 мА
соответственно. Схема защиты от перегрузки экранной сетки функционирует только
при отрицательных токах. Ограничителем положительного тока экранной сетки
является резистор R27 в схеме стабилизатора напряжения. Срабатывание схемы
защиты от перегрузки (рис.8)
вызывает отключение схемы ПРИЕМ-ПЕРЕДАЧА по цепи OL (рис.6), включение с помощью
контактов реле К1 дополнительного резистора R2 в цепи смещения управляющей
сетки, включение генератора на DA2.4 и мигание красного светодиода VD9
ПЕРЕГРУЗКА на передней панели.
От однополярного источника +24 В питается только микросхема DA2 (рис.5). Все другие
операционные усилители используют напряжение питания +12/-12 В.

На рис.7 приведена схема
измерения. Пять стрелочных приборов позволяют измерять с помощью дополнительных
кнопок 10(!) параметров: прямую/отраженную мощность в антенне, ток/напряжение
управляющей сетки, анодный ток/напряжение, ток/напряжение экранной сетки,
напряжение/ток накала. Для считывания значений параметров, указанных через
дробь, необходимо нажать соответствующую кнопку. Основные параметры считываются
немедленно; вторичные параметры имеют большое значение только при начальной
настройке и для подстройки после замены лампы. Самый простой неинвертирующий
усилитель, используемый здесь — для измерения анодного напряжения (DA2.1).
Допустим, что предел измерений должен быть 5000 В; делитель R7, R8 (рис.3) имеет
коэффициент деления 10 000, т.е. 5000 В в точке HV2 — это 0,5 В. Резистор R9 не
влияет на работу схемы, поскольку операционный усилитель имеет высокое входное
сопротивление. При напряжении питания +12/-12 В максимальное выходное напряжение
усилителя около +11/-11 В. Допустим, что +10 В выходного напряжения
операционного усилителя соответствуют полному отклонению стрелки измерительного
прибора при использовании резистора R22 10 кОм и прибора на 1 мА. Требуемый
коэффициент усиления (10/0,5) равен 20. Выбрав R15=10к0м, находим, что резистор
обратной связи должен иметь сопротивление 190 кОм. Указанный резистор составлен
из подстроечного резистора R20 сопротивлением приблизительно в половину
номинального значения и постоянного резистора R19, выбранного из ряда
стандартных значений.
Схема измерения тока анода аналогична. Напряжение, пропорциональное анодному току,
снимается с резистора отрицательной обратной связи R2 в цепи катода (рис.3).
Конденсатор С2 обеспечивает демпфирование показаний измерительного прибора РАЗ
при работе SSB.
Экранное напряжение измеряется аналогичным образом. Номиналы
резисторов, определяющих коэффициент усиления схем измерения прямой и обратной
мощности, зависят от конструкции направленного ответвителя.
Несколько иначе реализована схема измерения тока экранной сетки. Выше
указывалось, что ток экранной сетки может иметь и отрицательные, и положительные
значения, т.е. требуется измерительный прибор с нулем посередине. Схема
реализована на операционном усилителе DA2.3 и имеет диапазон измерения
-50...0...50 мА, используя для индикации обычный прибор с нулем слева.
При 50 мА положительного тока экранной сетки падение напряжения на резисторе R23
(рис.4) составляет -5В в точке -Е2. Таким образом, от операционного усилителя
необходимо усиление -1, чтобы получить требуемое выходное напряжение +5 В для
отклонения стрелки на половину шкалы. При R23=10 кОм резистор обратной связи
должен иметь номинальное значение 10 кОм; используются подстроечный R32 и
постоянный R30 резисторы. Для смещения стрелки прибора на середину шкалы при
напряжении питания -12 В требуется коэффициент усиления +5/-12=-0,417. Точное
значение коэффициента усиления и, соответственно, нуль шкалы, устанавливается
подстроечным резистором R25.
На операционных усилителях DA2.2, DA2.4 реализована расширенная шкала измерения
напряжения накала. Дифференциальный усилитель DA2.2 преобразует напряжение
накала в однополярное, т.к. точка S не соединена непосредственно с общим
проводом. Суммирующий усилитель DA2.4 реализует расширенный масштаб измерения —
от 5,0 до 6,0 В. Фактически, это вольтметр с пределом измерения 1 В, смещенный к
начальному значению 5 В.
Рекомендуется указанные схемы измерения параметров РА настроить и
откалибровать отдельно, чтобы избежать опасности поражения электрическим током в
действующей конструкции.
В схемах выпрямителей применяемые диоды должны быть рассчитаны на соответствующий
ток, остальные — любые импульсные кремниевые диоды. За исключением
высоковольтных транзисторов, можно применять любые маломощные соответствующей
структуры. Операционные усилители — LM324 или подобные. Измерительные приборы —
РА1...РА5 с током полного отклонения 1 мА.
Приведенные схемы, безусловно, усложняют РА. Но для надежной
повседневной работы в эфире и в соревнованиях стоит затратить дополнительные
усилия на создание действительно качественного устройства. Если на диапазонах
будет больше чистых и громких сигналов, то в выигрыше окажутся все
радиолюбители. За QRO без QRM! Выражаю благодарность И.Гончаренко (EU1TT),
советы и замечания которого оказали большую помощь при работе над статьей.
Литература
1. Бунимович С., Яйленко Л. Техника любительской
однополосной радиосвязи. — Москва, ДОСААФ, 1970.
2. Радио, 1986, N4, С.20.
3. Дроздов В. Любительские KB трансиверы. — Москва, Радио и связь, 1988.
4. QST ON CD-ROM, 1996, N5.
5. http: //www.svetlana.com/.
6. QEX ON
CD-ROM, 1996, N5.
7. QEX ON CD-ROM, 1996, N11.
8. Радиолюбитель. KB и УКВ, 1998, N2,
С.24.
9. Радиолюбитель,
1992, N6, С.38.
10. ALPHA/POWER ETO 91B User's Manual.