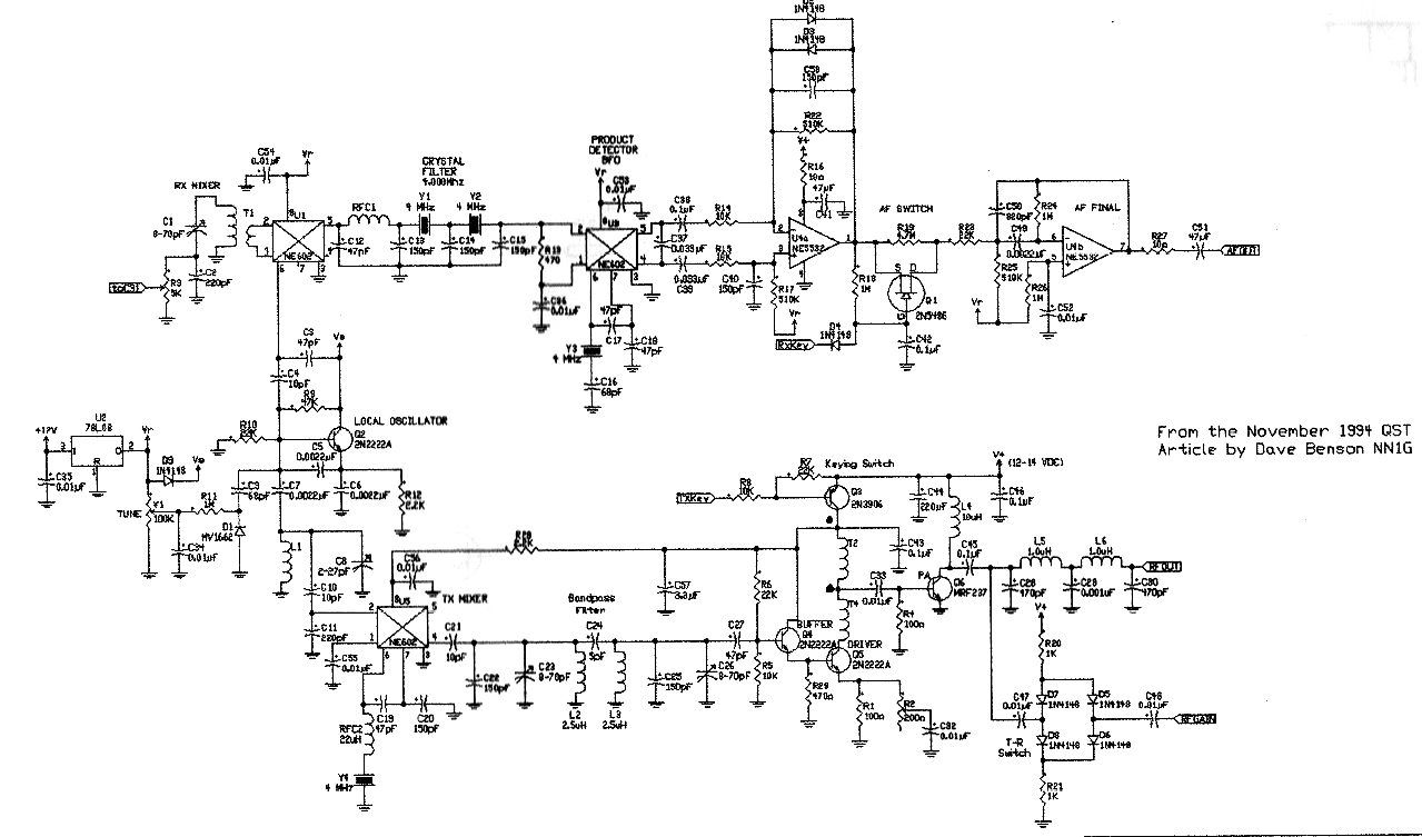
Este é o esquema do New England QRP 40-40, que aparece nas fotos da primeira página.
Os dados para as bobinas são:
L1 - 27 voltas de fio 22 em T50-2
L2,L3 - 25 voltas de fio 26 em T37-2
L4 - 5 voltas de fio 22 em T37-2
L5,L6 - 16 voltas de fio 26 em T37-2
RFC1, RFC2 - indutor de 22uH
T1 - Primário 16 voltas de fio 26 e secundário 4 voltas em FT73-61
T2,T4 - 4 voltas bifilar em T37-43
