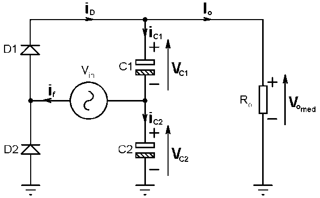
Cálculo do Retificador dobrador de tensão


Entre com os dados:

Tensão AC de entrada [V]:
Potência de saída [W]:
Tensão média de saída [V]:
Frequência da operação [Hz]:
Queda de tensão no diodo [V]:
Rendimento esperado [%]:

Voltar

Referências:

Livro: "Projeto de fontes chaveadas" do Professor Ivo Barbi

Artigo da revista: "Ilha Digital" do Professor Clóvis Antônio Petry