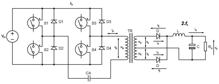
Cálculo do conversor full-bridge


Entre com os dados:

Tensão DC de entrada Vin [V]:
Tensão DC de saída Vo [V]:
Corrente de saída Io [A]:
Frequência de operação dos transistores fs [kHz]:
Queda de tensão no diodo retificador Vf [V]:
Ciclo de trabalho dos transistores D (0 à 0.5):
Rendimento esperado [%]:
Corrente magnetizante [%]:
Variação máxima do fluxo magnético [T]:
Densidade máxima de corrente [A/cm²]:

Voltar

Referências:

Livro: "Projeto de fontes chaveadas" do Professor Ivo Barbi