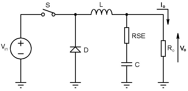
PY4FLR - Cálculo do conversor buck



Tensão de entrada [Vin]:
Tensão de saída [Vo]:
Variação máxima da tensão de saída [%]:
Corrente de saída [Io]:
Variação máxima da corrente de saída [%]:
Frequência de trabalho [kHz]:
Tensão no diodo [Vf]:

Voltar

Referência:

Livro: Projeto de fontes chaveadas - Ivo Barbi