* * DIAGRAMAS * *


CONVERSOR DE CA/CC

TELEPATCH - Modelo TCA-12/8   TCA-12/10   TCA-12/12



ESPECIFICA��ES T�CNICAS
TIPO T C A
  12/8 12/10 12/12
Tens�o de entrada 110 / 220 VAC 50 /60 Hz
Tens�o de sa�da Ajust�vel entre 11 e 15 VDC
Corrente de sa�da
a) cont�nua
b) Intermitente (50%)
 
5 A
8A
 
8 A
10 A
 
10 A
12 A
Limita��o de corrente 8 A 10 A 12 A
Consumo M�ximo de Entrada 2 A
Ondula��o Residual < - 3mV RMS
Regula��o com varia��o na Tens�o de Entrada em + - 20 % Melhor que 1,5 %
Regula��o c/varia��o Carga Melhor que 1,5 %
Prote��o contra sobretens�o DC 16 VAC
Prote��o contra sobretens�o CA + 27 % do valor nominal de entrada CA
Prote��o contra sobreaquecimento 100 �C



DESCRI��O


           O Conversor CA/CC modelo TCA, constitui um equipamento de alta confiabilidade, projetado para funcionar em condi��es adversas e com alto desempenho.


           Dotado de um circuito de prote��o contra sobretens�o de sa�da CC, sobrecorrente de sa�da, sobretens�o de entrada e de excesso de temperatura, este tipo de conversor atende os mais exigentes requisitos de seguran�a e de confiabilidade existentes, permitindo o seu uso em uma ampla gama de utiliza��es sem detrimento de sua alta qualidade.


           Este conversor , foi projetado para utiliza��o com sistema de radiocomunica��es, repetidores, esta��es fixas e, pode ser configurado como carregador de bateria.



TEORIA DE OPERA��O



           Refira-se ao diagrama de blocos que � mostrado na figura 1. No momento em que o equipamento � posto em conex�o com a rede, um circuito de prote��o principia a atuar.


           O rele de C.A. atracar� alguns segundos ap�s energizado o circuito, surgindo . nos terminais de sa�da uma tens�o estabilizada, e limitada em corrente.


           Um sensor de sobrecorrente detecta a ultrapassagem do limite de corrente imposta ao equipamento, comandando o circuito de prote��o, o qual procede ao desligamento do regulador, provocando o desaparecimento da tens�o nos terminais de sa�da do equipamento.


           O religamento � autom�tico e, ocorre sempre alguns segundos ap�s o desaparecimento da ocorr�ncia que deu origem ao evento.


           Na persist�ncia da sebrecarga, o circuito de prote��o continuara na tentativa do religamento at� que a sobrecarga seja removida.


           A temperatura presente no radiador dos transistores de sa�da tamb�m � sentida e, o circuito de prote��o desliga o regulador sempre que a temperatura ultrapassar 100 �C, somente tornando a religar a temperaturas inferiores a 70 �C.


           A tens�o presente nos terminais de sa�da da fonte � permanentemente monitorada e, se por uma eventualidade qualquer ultrapassar de 16V, o circuito de prote��o atua, tornando a fonte em "Shut-off", e desligando o rele de C.A. A fonte permanecera nessa condi��o at� que seja religada a rede novamente. Se a falha estiver presente, ap�s religada, o piloto "FALHA" acendera alguns segundos apos, indicando a anomalia.


           A tens�o da rede tamb�m � monitorada e o circuito de prote��o atua, desligando o rele de CA sempre que a tens�o ultrapassar 27% da tens�o nominal de entrada (140V ou 280V) e, permanecendo nessa condi��o enquanto persistir a ocorr�ncia. Apos a tens�o da rede retornar ao nominal, a fonte e religada alguns segundos apos a normaliza��o.



3 . OPERA��O FUNCIONAL



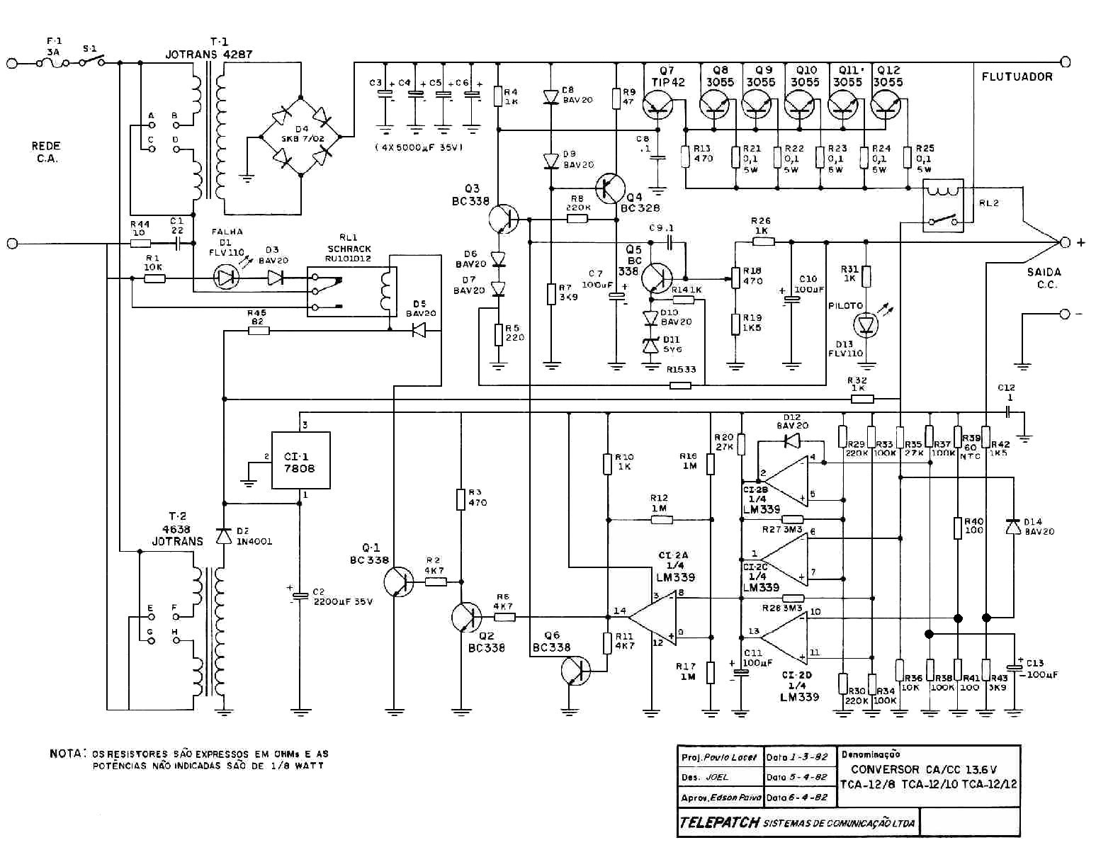
           Refira-se ao diagrama el�trico que e mostrado na figura 2. esquema contem todo o circuito do retificador, do regulador e o circuito de prote��o.


3.1 Regulador


           A tens�o primaria de rede e convertida por T1 para cerca de 21 VCA (com carga) e � retificada por D1 e filtrada por C2 a C5.


           O gerador de corrente constante carrega o capacitor C6 colocando em condu��o o transistor Q4, diminuindo o potencial no seu coletor, o que provoca a condu��o do transistor excitador Q7.


           Os transistores de potencia Q8 a Q12 conduzem, fazendo com que aumente a tens�o no terminal de sa�da da fonte. A tens�o de sa�da em eleva��o far� com que a queda de tens�o entre coletor-emissor do transistor Q4 diminua.


           A corrente fornecida pelo gerador Q5 permanece, porem, constante, Uma vez que o potencial no terminal de sa�da da fonte atinja um valor tal que no cursor do trimpot P1 a tes�o ultrapasse + 7,4 V, o transistor Q6 come�a a conduzir, drenando parte da corrente que, atrav�s de R8, polariza diretamente o transistor Q4.


           Como a queda de tens�o em Q4 diminui, e, tamb�m a corrente Iceo, a tens�o na sa�da n�o aumenta mais permanecendo estabilizada. Quando uma carga � aplicada aos terminais de sa�da, a tens�o diminui, o que provoca um aumento na corrente da base de Q4, fazendo com que Q7 conduza mais, elevando a tens�o de sa�da da fonte ao valor inicial existente antes de a carga ser colocada. Os capacitores C7 e C8 eliminam qualquer componente C.A que venha a surgir devido ao fator de amplifica��o do circuito.


           O diodo D9 compensa termicamente as varia��es do zener D10 contribuindo para uma melhor regula��o do circuito face �s varia��es da temperatura.


           Com esse circuito, � poss�vel obter-se valores de regula��o melhores do que 0,5% em altas potencias, dependendo do rendimento do transformador, utilizado. Na pratica, valores de 0,1% a 0,5% s�o t�picos.


3.2 - Circuito de Prote��o


           Quando o equipamento � posto em conex�o com a rede, o rele RL1 encontra-se em repouso, n�o permitindo a liga��o do prim�rio do transformador T1 com a rede.


           O transformador T2 porem, encontra-se energizado e fornece alimenta��o ao circuito da prote��o.


           A alimenta��o � regulada em 8V pelo integrado U1.


           Devido a que o capacitor C9 encontrava-se inicialmente descarregado, o potencial no pino 8-de U2 � inferior ao existente no pino 9, fazendo com que a sa�da do comparador (pino 14) esteja no estado alto.


           Os transistores Q2 e Q3 estar�o saturados, provocando o desligamento do circuito regulador pelo desaparecimento da corrente de base de Q4.


           O rele RL1 continua em repouso. Uma vez que a tens�o do capacitor ultrapasse o valor da tens�o existente no pino 9 de U2, a sa�da do comparador transicionar� rapidamente para o estado baixo, levando ao repouso os transistores Q2 e Q3.


           O rele RL1 atraca, ent�o pondo T1 em conex�o com a rede.


           A tens�o presente nos terminais de sa�da da fonte � constantemente monitorada.


           Se por alguma eventualidade vier a ultrapassar 16 Volts, a tens�o presente no pino 4 do integrado U2 ser� mais alta que a tens�o presente no pino 5, a qual � determinada pela histerese introduzida por R30/R31/R32 (tipicamente 3,86V e 4,12V) e, a sa�da (pino 2) desse comparador transiciona para o estado baixo, descarregando o capacitor C9.


           O divisor resistivo R35/ R41 fornece uma tens�o equivalente a 1/2Vcc para a pino 4 do integrado U2.


           No momento em que a fonte � posta conex�o com a rede, o capacitor C11 estar� inicialmente descarregado, o que faz com que o pino 2 assuma um estado de alta imped�ncia na ocorr�ncia da ultrapassagem da tens�o de sa�da , o regulador � desligado e o rele RL1 desatraca, o que provoca o desaparecimento da tens�o de sa�da da fonte.


           A condi��o de "SHUT-0FF" persistira at� que a fonte seja desligada e novamente religada a rede Na persist�ncia da condi��o an�mala , apos alguns segundos iniciais com o rele RL1 inoperante, logo apos o seu atracamento essa anomalia � detectada e a fonte sofre um novo "SHUT-OFF" .


           Pela bobina do rele RL2 passa toda a corrente que e solicitada pela carga imposta aos terminais da fonte.


           O ajuste do limite da corrente de sa�da � feita variando-se a indut�ncia apresentada pela bobina, com um numero fixo de espiras, aumentando (o que eleva o limite de corte) ou diminuindo (o que abaixa o limite de corte) o espa�amento entre as espiras da bobina.


           Com a bobina utilizada o a juste de corte pode se situar entre os 7A e 13A com o "reed-switch" especificado.


           Quando o limite do corte pr�-ajustado � atingido, o "reed-switch" fecha e, atrav�s do divisor R29/R36, aplica cerca de 8V no pino 6 do integrado U2, fazendo com que a sa�da desse comparador (pino 1) assuma o estado baixo, descarregando o capacitor C9.


           Com o "SHUT-OFF" da fonte, a "REED-SWITCH", abre e o capacitor C9 torna a carregar.


           Alguns segundos apos, o rele RL1 atraca novamente.


           Na persist�ncia da sobrecarga a fonte sofre um novo "SHUT-OFF". A tentativa de religamento persistira ate que a sobrecarga seja removida dos terminais de sa�da da fonte.


           Igualmente, uma parte da tens�o presente no pino 1 do integrado U1 � aplicada ao pino 6 de U2 pelo divisor resistivo R27/R36.


           O divisor esta calculado para que, com uma tens�o prim�ria maior que 27 % (140V ou 280V) da tens�o nominal de rede (11OV ou 220V), a histerese do circuito seja ultrapassada, o que provoca um "SHUT-OFF" enquanto persistir a tens�o na rede maior que o especificado.


           Alguns segundos apos a normaliza��o da tens�o de rede, a fonte religa e pode operar normalmente.


           Durante o funcionamento normal da fonte, o resistor "NTC" R37 apresenta uma resist�ncia que � inversamente proporcional a temperatura m�dia existente no centro da massa do radiador dos transistores excitadores e de potencia.


           Na eventualidade dessa temperatura ultrapassar + 100 �C, a sa�da do comparador (pino 13) correspondente transicionar� para o estado baixo, descarregando a capacitor C9.


           O "SHUT-OFF" da fonte persistira at� que a temperatura m�dia na massa do radiador seja inferior a + 60 �C, quando a fonte, ent�o � novamente religada.





mail



| Retorna | Recomende esta pagina a um amigo | imprimir esta pagina |



Publicado em 18 de outubro de 2005
Atualizado em 18 de outubro de 2005