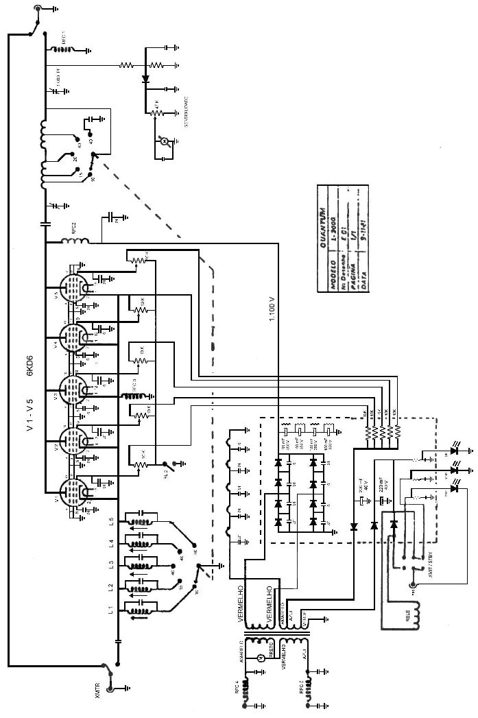
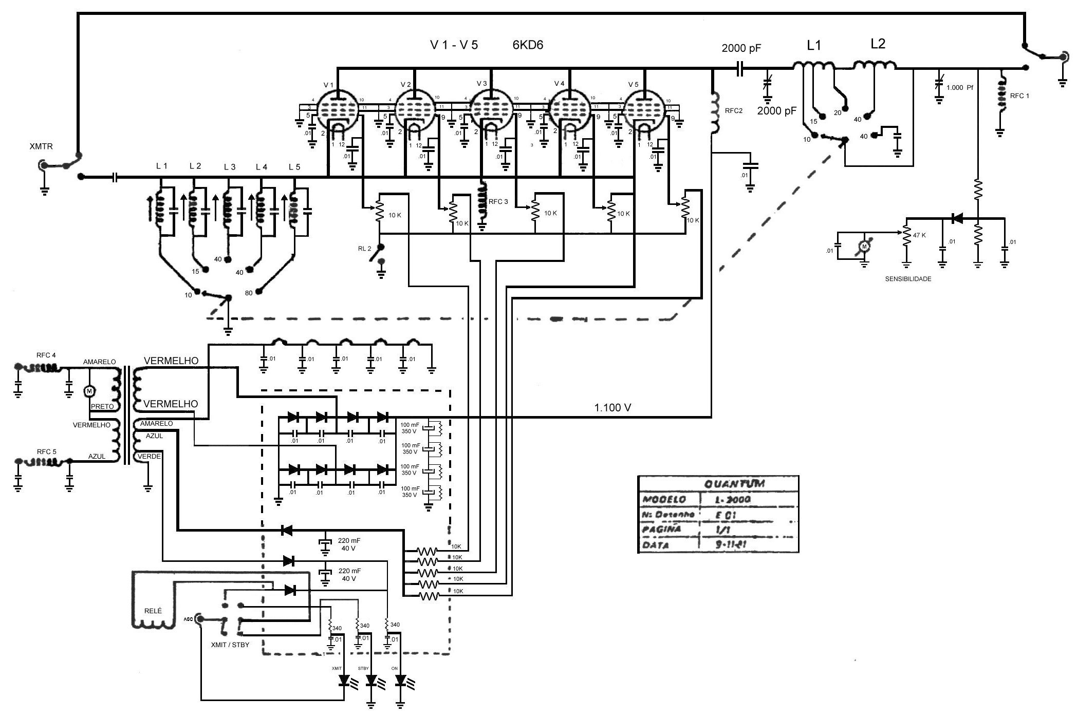
* * DIAGRAMAS * *


AMPLIFICADOR LINEAR



MAC L-2000 -Fabricação QUANTUM
























Para copiar o diagrama para impressão, clique aqui


| Retorna | Recomende esta pagina a um amigo | imprimir esta pagina |


Publicado em 30 de janeiro de 2006
Atualizado em 31 de janeiro de 2006