CARACTERISTICAS TECNICAS Modelo CV - 08 Dimensões 160 (larg) x 120 (Alt) x 242,5 (prof) mm Peso 5,5 (Kg) Tensão de entrada 110/220 (Vac) Tensão de Saída 13,6 ( Vdc) Corrente Ver grafico abaixo Ondulação 35 (mV) Regulação < 1% de 0 a 10 (A) - 117 (Vac) Alto falante interno Potencia 10 (W); Impedancia 8 ohms Carregador de bateria 1,5 (A) constante
desligamento com 15,6 (V)
religamento com 12,4 (V)
GRAFICO
![]()
APRESENTAÇÃO
A fonte conversora CV-08 foi desenvolvida para atender satisfatoriamente aos equipamentos em geral que operam nas faixas de VHF e UHF.
A CV-08 fornece uma tensão de saída constante de 13,6 [V] a partir de 110/220 [Vac) - 50/60 [Hz], com nível de ruído significativamente baixo para que não ocorram interferências nos tipos de modulação dos respectivos equipamentos, em instalações fixas.
O modelo que possui carregador de bateria mantém a tensão de saída na falta de energia da rede elétrica.
DIAGRAMA EM BLOCOS
![]()
CIRCUITO REGULADOR
A retificação da tensão da rede é clássica em onda completa pela ponte retificadora com filtragem capacitiva, fornecendo a tensão necessária.
O regulador-série mantém a tensão de saída constante em 13,6 [V], até uma corrente de 10 [A] pré-ajustada, por RV1. Uma amostra do sinal de saída passa pelos sensores de corrente e de tensão.
Ocorrendo sobrecarga, os pinos 2 e 4 do regulador (CI-1 ) atuam diminuindo a corrente nas bases de Q1, Q2 e Q3. Caso a tensão de saída estiver abaixo de 13,6 [V], a corrente nas bases aumentará, garantindo a compensação do sinal na saída.
O circuito conta com fusíveis de entrada e saída para limite de corrente, entrada 5 [A] e saída 20 [A].
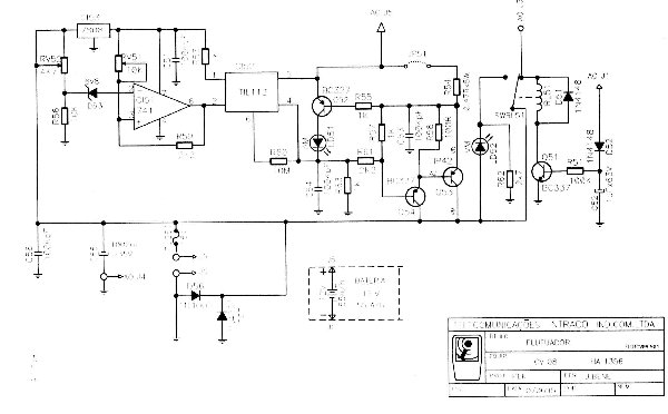
CIRCUITO FLUTUADOR
(CIRCUITO OPCIONAL)
Enquanto houver tensão na rede, o diodo D52, capacitor C52 e transistor Q51 mantém o relé RL51 acionado, abrindo seu contato e o equipamento e normalmente alimentado pelo circuito regulador. Na falta de energia da rede elétrica, Q51 corta e o contato da chave do relé RL51 é fechado, conectando a bateria à saída do circuito regulador.
O led LD52, vermelho, acende indicando que a bateria está em uso. A bateria recomendada para o modelo CV-08 possui capacidade de 55 [A/h]; com consumo de TX 9[A], RX 0.5[A] e Standby 0.25[A]; funcionando sob regime de 60% em Standby, 20% em RX e 20% em TX; com duração de 15 horas.
Nas condições de funcionamento da rede, a bateria é recarregada por um circuito gerador de corrente constante de 1,5 [A], formado por Q52,Q53,054 e componentes associados, acendendo o led LD51, amarelo, que indica que a bateria está em carga.
Quando a tensão da bateria atinge 15,6 [V], valor ajustado em RV52, o comparador CI-53, com ajuste de referencia na entrada não-inversora por RV51, aciona o acoplador óptico CI-52 que interrompe o carregamento da bateria. Se a bateria não for conectada ao equipamento-base, o capacitor C55 provocará oscilações que farão com que o led LD51, amarelo, permaneça piscando em alerta.
OPERAÇÃO
![]()
DIAGRAMA ESQUEMATICO DA FONTE
![]()
DIAGRAMA ESQUEMATICO DO FLUTUADOR
![]()
![]()
![]()
1 - AJUSTE DE TENSAO
Com uma carga eletrônica ligada à saída do circuito Regulador, ajuste seu consumo para 0 A ( carga em aberto ). Varie o trimpot RV2 até que o indicador de tensão da carga marque 13,6 [Vdc], que deve ser a tens5o de saída da fonte.
2 - AJUSTE DE CORRENTE
Após o ajuste de tensão, conecte um voltímetro em escala de VOLTS/DC a saída do circuito Regulador. Varie, na carga eletrônica, o consumo de corrente até que o medidor da carga esteja marcando 15 [A] de consumo. Nesse ponto, ajuste o trimpot RV1 até que a tensão de saída ( lida no voltímetro ) comece a cair e mantenha-o nesse ponto. Para verificar o ajuste, reduza o consumo da carga para um valor abaixo de 15 [A]. Em seguida, v6 aumentando até que a tensão no voltímetro comece a cair, verificando que nesse ponto o consumo da carga deve estar em tomo de 15 [A].
AJUSTES DO CIRCUITO FLUTUADOR
( CIRCUITO OPCIONAL )
Os pontos na placa (régua HA-1356 ), onde são feitos os ajustes, estão indicados na figura 2 e os procedimentos para o alinhamento estão descritos abaixo:
![]()
AJUSTE DE HISTERESE (TENSÕES MINIMA E MAXIMA DA BATERIA )
a
Retire o jump JP51 do circuitob Conecte uma fonte de alimentação variável ajustada em 12,4 [V/dc] aos pontos J5 (+) e J6 ( - ). Atenção para a polaridade: terminal PRETO (-); terminal VERMELHO (+). c Varie o trimpot RV52 até que o led " Carga " acenda e mantenha-o nessa posição d Eleve a tensão da fonte externa até 15,6 [Vdc]. e Ajuste RV51 até que o led " Carga " apague e mantenha RV51 nessa posição. f Reduza novamente a tensão da fonte externa para 12,4 [Vdc] e verifique se o led acende. Se acender, eleve a tensão da fonte a 15,6 (Vdc) e o led deve apagar, estando o circuito ajustado. Caso contrário, refaça a regulagem de RV52 e RV51 a partir do primeiro item até que este item seja satisfeito. g Com o circuito ajustado, desconecte a fonte externa e recoloque o jump JP51.
| CIRCUITO REGULADOR - REGUA HA-1348 | ||
|---|---|---|
| Ítem | Código | Descrição |
| R2 | 41451/8 | Resistor de fio 0,33 ohms 5 W |
| R3 | 41451/8 | Resistor de fio 0,33 ohms 5 W |
| R4 | 41451/8 | Resistor de fio 0,33 ohms 5 W |
| R5 | 41451/8 | Resistor de fio 0,33 ohms 5 W |
| R6 | 41451/8 | Resistor de fio 0,33 ohms 5 W |
| R7 | 41451/8 | Resistor de fio 0,33 ohms 5 W |
| R8 | 41312/1 | Resistor de carvão 1k8 - 1/3 W |
| R9 | 41312/1 | Resistor de carvão 1k8 - 1/3 W |
| RV1 | 41553/7 | Trimpot 10K - miniatura horizontal |
| RV2 | 41556/1 | Trimpot 2K2 - miniatura horizontal |
| C1 | 13258/6 | Capacitor Eletrolítico 6800Mf x 25 V - Radial |
| C2 | 13258/6 | Capacitor Eletrolítico 6800Mf x 25 V - Radial |
| C3 | 13258/6 | Capacitor Eletrolítico 6800Mf x 25 V - Radial |
| C4 | 13258/6 | Capacitor Eletrolítico 6800Mf x 25 V - Radial |
| C5 | 13120/5 | Capacitor cerâmico disco GMV 100kPf x 50V |
| C6 | 13247/5 | Capacitor eletrolítico 470 Mf x 25V - radial |
| C7 | 13503/3 | Capacitor poliéster metalizado 1kPf x 250V |
| C8 | 13237/7 | Capacitor eletrolítico 100Mf x 25V - radial |
| C9 | 13120/5 | Capacitor cerâmico disco GMV 100kPf x50V |
| C10 | 13229/4 | Capacitor eletrolítico 10 pF x 25V - radial |
| D2 | 43311/9 | Diodo 1N4001 ou 1N4002 |
| Q1 | 43775/8 | Transistor TIP 140 (NPN) |
| Q2 | 43775/8 | Transistor TIP 140 (NPN) |
| Q3 | 43775/8 | Transistor TIP 140 (NPN) |
| CH1 | 45531/0 | Choque NF LF-13 |
| CI -1 | 43233/9 | Circuito integrado UA-723 |
| FUS2 | 27125/3 | Fusível 20 A - grande - 32mm |
| 74810/6 | Suporte 1 A. Niquelado p/fusível | |
| 37548/1 | PCI HA-1348 (Regulador CV-08) | |
| CIRCUITO FLUTUADOR - REGUA HA-1356 (OPCIONAL) | ||
|---|---|---|
| R51 | 41368/6 | Resistor de carvão 100K - 1/3 W |
| R53 | 41302/0 | Resistor de carvão 1K - 1/3 W |
| R54 | 41453/0 | Resistor de fio 0,47 - 5 W |
| R55 | 41302/0 | Resistor de carvão 1K - 1/3 W |
| R56 | 41330/8 | Resistor de carvão 10K - 1/3 W |
| R57 | 41302/0 | Resistor de carvão 1K - 1/3 W |
| R58 | 41227/9 | Resistor de carvão 100 - 1/3 W |
| R59 | 41314/3 | Resistor de carvão 2K2 - 1/3 W |
| R60 | 41317/7 | Resistor de carvão 10M - 1/3 W |
| R61 | 41314/3 | Resistor de carvão 2k2 - 1/3 W |
| R62 | 41316/5 | Resistor de carvão 2k7 - 1/3 W |
| R63 | 41302/0 | Resistor de carvão 1k - 1/3 W |
| C51 | 13120/5 | Capacitor cerâmico disco GMV 100kpF x 50V |
| C52 | 13223/6 | Capacitor eletrolítico 1mF x 63V - radial |
| C53 | 13120/5 | Capacitor cerâmico disco GMV 100kpF x 50V |
| C54 | 13120/5 | Capacitor cerâmico disco GMV 100pF x 50V |
| C55 | 13239/9 | Capacitor eletrolítico 1000 mF x 25V - radial |
| C56 | 13120/5 | Capacitor cerâmico disco GMV 100pF x 50V |
| Rv51 | 41553/7 | Trimpot 10k - miniatura horizontal | RV52 | 41566/3 | Trimpot 4k7 - miniatura horizontal |
| D51 | 43316/4 | Diodo 1N4148 ou 1N-914 ou BAV20 |
| D52 | 43316/4 | Diodo 1N4148 ou 1N-914 ou BAV20 |
| D53 | 43355/0 | Diodo zenner 1N4736 - 6V6 |
| D56 | 43311/9 | Diodo 1N4001 ou 1N4002 |
| D57 | 43311/9 | Diodo 1N4001 ou 1N4002 |
| LD51 | 43504/0 | Led 5mm (redondo) - amarelo |
| LD52 | 43508/4 | Led 5mm (redondo) - vermelho |
| Q51 | 43724/6 | Transistor BC-337 (NPN) |
| Q52 | 43722/4 | Transistor BC-327 (PNP) |
| Q54 | 43722/4 | Transistor BC-327 (PNP) |
| CI - 51 | 43609/7 | Regulador LM-7808 |
| CI - 52 | 43262/8 | Circuito integrado TIL-113 |
| CI - 53 | 43266/2 | Circuito integrado UA-741C |
| RL51 | 39215/3 | Rele BR10 (BRASMAP) |
| JP51 | 19535/4 | Jump curto MKBL |
| 19842/8 | Terminal celis MSO-11B42 (2/42) | |
| FUS51 | 27121/8 | Fusível 15A - grande - 32 mm |
| 74810/6 | Suporte la. Niquelado p/fusível | |
| 74238/4 | Suporte al. "L" fixação (CV-08) | |
| 37556/0 | PCI HA-1356 (Flutuador CV-08) | |
| CHASSI - FONTE CONVERSORA CV-08 | ||
|---|---|---|
| Ítem | Código | Descrição |
| Q53 | 43772/3 | Tansistor TIP 42 (PNP) |
| 31310/1 | Isolador de mica - retang - p/transistor | |
| D1 | 43338/5 | Diodo-ponte SKB 25/02 |
| T1 | 45878/3 | Trafo (CV-08) |
| VR1 | 41622/4 | Varistor V385K10 |
| FUS1 | 27115/0 | Fusivel 5A - grande - 32 mm |
| 27207/8 | Porta fusivel grande ref 50 | |
| SW1 | 15260/3 | Chave HH 110/220-deslizante (fenda e rosca) |
| SW2 | 15382/7 | Chave alavanca (1 polo / 2 posições) preta |
| (OPCIONAL) | 11704/6 Alto falante 4x4" 8 ohms 10W quad | |
| 12509/7 | Cabo de alimentação AC-2x18x2m pré moldado | |
| 19370/3 | Conector WE-3009-1N - Femeo | |
| 19871/4 | Terminal WT-0302-21 macho (9 unidades) | |
| 31102/3 | Borracha 1/2 - passante (2 unidades) | |
| 31107/9 | Borracha 3/16 - passante | |
| 31302/2 | Isolador de mica TO-03 para transistor (3 unidades) | |
| 31616/7 | Pes de borracha SJ-5123 quadrado ads (4 unidades) | |
| 51624/1 | Arruela Fe zincado 1/8" - estrela (2 unidades) | |
| 51626/3 | Arruela Fe Zincado 5/32" - Estrela (4 unidades) | |
| 51644/4 | Arruela Fe Zincado 1/8" - lisa (2 unidades) | |
| 51647/7 | Arruela Fe Zincado 5/32" x 5/16" (4 unidades) | |
| 57607/5 | Chassi Fe Inferior (CV-08) | |
| 58213/5 | Dissipador aleta KTC 169/80 | |
| 60911/0 | Espaçador nylon 3,2 x4 x7,5 mm SB-4 (4 unidades) | |
| 68677/2 | Painel Fe Trazeiro (CV-08) | |
| 68964/4 | Painel policarbonato (CV-08) | |
| 69512/0 | Paraf auto-atarrachante Fe Zinc. 3,5x6,5 mm (6 unid) | |
| 69615/4 | Parafuso cab redonda Fe Zinc. 1/8"x1/4" (10 unidades) | |
| 69665/3 | Parafuso cab redonda Fe Zinc. 15/32"x1/2" (4 unidades) | |
| 69671/4 | Parafuso cab redonda Fe Zinc. 15/32"x3/8" (3 unid) | |
| 71605/9 | Porca 5/32 x 1/4" -Fe. Zincado (4 unidades) | |
| 71613/8 | Porca 1/8 x 1/4" -Fe. Zincado (10 unidades) | |
| 76608/1 | Tampa Fé. (CV-08) | |
| 64806/6 | Ilhós la niq. 1/8 x 3/16" | |
| 69647/3 | Parafuso cabeça red FE zinc 3/16 x 5/8" | |
| 51688/2 | Arruela Fé zincado 3/16" de pressão | |
| 69673/6 | Parafuso cabeça red Fé Zinc 5/32 x 5/16" (4unidades) | |
| | Retorna | Recomende esta pagina a um amigo | imprimir esta pagina | |
Publicado em 08 de agosto de 2005
Atualizado em 12 de agosto de 2005