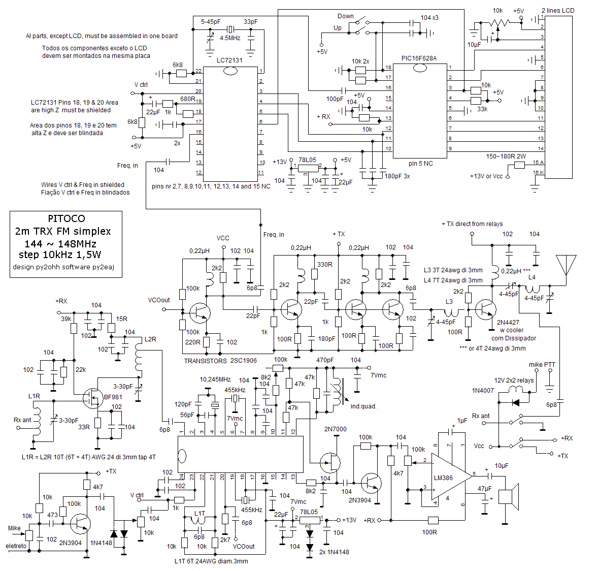
PITOCO

Um transceptor FM de 2m 1,5W simples

Este é o transceptor que apanhamos dele no projeto e era simples de resolver - as placas do PLL PIC e do VCO devem ser uma só, caso contrario geram muito ruido.

Esquema

Todos os cuidados que foram ditos anteriormente no projeto do BACURI valem para este projeto.

A montagem foi concluida mas não tivemos tempo de encaixotar, QSOs mantidos com este TRX foram com otimos resultados.

Como não passamos a limpo o prototipo queiram desculpar a má montagem (ou amontoagem).

Arquivo HEX para gravar o PIC16F628A

 

73 de py2ohh miguel