Huff Puff
Here it is our version for the solution given by
Hans Summers G0UPL to the problem suggested to the group of the Yahoo HuffPuffVFO, that consisted of developing a circuit with a minor number of ICs and components.Hans has developed a solution with only one IC, but we decided to built the 2 ICs because it incorporates the VFO/VXO.
The original circuit and all the detailed explanations of how it works could be seen in
the Hans site.Our initial circuit:

Details:
IC oscillator we change the 74HC4060 for CMOS CD4060.
The crystal used was the type of clock miniature and may be 32kHz.
The inductor of 10µH is commercial.
The ceramic resonator of 7.15MHz is made by Hosonic.
Tests
We execute a test with the circuit opened on the table, with one frequency meter who had 10Hz of resolution.

2nd Circuit
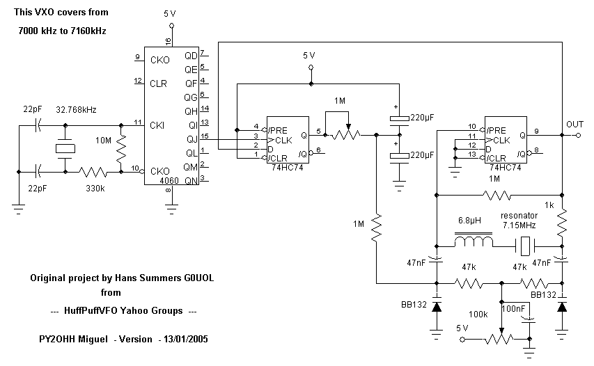
The VXO covers from 7000 the 7160 kHz.

Last version
Details:
The inductor of 6.8µH is commercial.
For other frequencies try to change the ceramic resonator, for that it will have a value above of the desired frequency, the inductor value determines the band covering and it must be determined experimentally.
Tests
We execute a test with the circuit opened on the table, with one frequency meter who had 10Hz of resolution.

Adjustments
Adjust the 1 MOhms trimpot to the maximum value, the frequency will be crazy then adjust it quickly until it stabilizes.
73 from PY2OHH Miguel ( I will post some pictures when they are ready )
Huff Puff
Aqui está nossa versão para a solução dada pelo colega
Hans Summers G0UPL ao problema proposto ao grupo do Yahoo HuffPuffVFO , que consistia em desenvolver um circuito com o menor numero de CIs e de componentes.O Hans chegou a desenvolver uma solução com
um só CI, mas ficamos com a solução que apesar de possuir mais componentes ela engloba tambem o VFO/VXO incorporado ao circuito com 2 CIs.O circuito original e todas as explicações detalhadas de funcionamento poderão ser vistas no
site do Hans.Nosso circuito inicial:

Detalhes :
CI oscilador substituimos o 74HC4060 pelo CMOS CD4060.
O cristal utilizado foi o tipo de relogio miniatura
O indutor de 10µH é comercial da Sontag
O ressonador cerâmico de 7,15MHz é da Hosonic.
Testes
Executamos um teste com o circuito aberto sobre a mesa, com um frequencimetro com uma resolução de 10Hz.

Grafico obtido nos testes
Segundo circuito
Cobertura de 7000 a 7160 kHz.

Versão final do circuito
Detalhes :
O indutor de 6,8µH é comercial da Sontag.
Para outras frequencias substitua o ressonador ceramico por outro que tenha um valor acima da frequencia desejada, o valor do indutor determina a cobertura da faixa e deve ser determinado experimentalmente.
Testes
Executamos um teste com o circuito aberto sobre a mesa, com um frequencimetro com uma resolução de 10Hz.

Grafico obtido nos testes
Ajustes
Ajustar o trimpot de 1 MOhms para o valor maximo, a frequencia deverá estar variando muito rapidamente, ajuste até estabilizar.
73 de PY2OHH Miguel