MONTAGEM e MODIFICAÇÕES no DDS ECONOMICO

Com as facilidades de compra pela WEB, conseguimos comprar um encoder e um keypad autocolante, assim o DDS ficou ainda mais simples de montar. Ainda modificamos o amplificador de RF, usando transistores mais simples e baratos, mantendo a qualidade.

Para arquivos .HEX do pic e explicações de operação visitem minha pagina do primeiro DDS1

Esquema do DDS

Esquema do amplificador de RF

Montagem :

Montei o modulo DDS sobre um soquete de circuito integrado de mais de 20 pinos, cortei o soquete ao meio e parti com 10 conexões, soldei a duas placas previamente cortadas de 10 mm de largura por 30mm de comprimento, em uma delas fiz 12 cortes,sendo o primeiro e o ultimo para aterramento e os outros para conexões. A segunda placa cortei com 5 divisões que acondicionam as conexões conforme esquema.

O PIC tambem foi acondicionado em um soquete comum de 18 pinos, o soquete foi soldado a uma placa com 18mm por 25mm, cortada de forma a acondicionar os 9 pinos de um lado e do outro. Fizemos um corte central longitudinal para separa os 9 + 9 pinos. neste modulo apos soldar o soquete soldamos os 6 resistores em pé de 4k7, conectamos os fios comuns e ligamso o comum ao pino 14 de alimentação. O modulo é fixado na placa plano terra pelo pino 5 (terra) e por um capacitor de 100nF entre pino 14 e terra.

O modulo de alimentação tem uma placa de 18 por 25mm, cortada no comprimento maior em 3 partes de 6mm (2 cortes), a trilha central é terra a trilha do LM317 (superior) é assim (esquerda para direita) 13mm (3,3V), 6mm divisor de tensão e 6mm alimentação 13,8V. Já a trilha do 78L05 (inferior) é assim 5mm (contraste), 10mm (5v), 5mm (alimentação (13,8V) e 5mm (saida para back ligth).

foto (em baixo) esquerda para direita contraste, 5V, alimentação e saida para back light

Foto a esquerda saida de 3,3V a direita trimpot do contraste.

Foto placa dos reguladores

O modulo do amplificador de RF foi montado junto ao modulo de atuação remota do PTT.

A placa do plano terra ficou com 90 por 60mm com 10 ilhas de 5x5mm no canto esquerdo (horizontal), em baixo, para conexões do LCD e com 8 ilhas de 5x5mm na vertical no canto direito embaixo, para conexões do teclado, encoder e teclas.

As chaves de comando foram montedas em uma placa padrão e fixadas com parafuso e porca na lateral, junto com o encoder a disposição ficou assim (esquerda para direita) VFO em cima, mem em baixo, no meio Abaixo do encoder) Rit, a direita acima CAL (pouco uso) embaixo mode. No encoder ficou a chave Step devido ao maior uso.

Estes são os links para a compra de material :

New 12 Key Membrane Switch Keypad 4 x 3 Matrix Array Matrix keyboard ( 180867136911 )
chinatobby2011
paguei 1,99US$ cada e correio gratis

10pcs 12mm Rotary Encoder Switch with Keyswitch NEW ( 140872782110 )
ouyou2010
paguei 0,99US$ pelos 10 encoders e 4,29US$ pelo correio

3 x New AD9850 DDS Signal Generator Module 0-40MHz Test Equipment (AD9850 Signal Generator Module)
paguei US$5 cada correio gratis
http://www.buyincoins.com/details/categories/new-ad9850-dds-signal-generator-module-0-40mhz-test-equipment-product-11609.html

A caixa foi feita em duas partes de aluminio (1mm de espessura e sucata de placas de identificação) em forma de "U" e fixadas a uma peça de madeira com 15mm de espessura onde tambem fixamos a placa plano terra.

Para quem for montar um radio multibandas, sugerimos colocar o PIC2 no radio e manter o DDS em separado usando 2 linhas de comunicação blindadas, ou seja 3 linha mais blindagem a terceira seria o retorno do PTT. Em uma nova montagem multibanda usarei este recurso.

Pela facilidade, preço, qualidade e estabilidade de sinal não devo montar mais VFOs.

Para radioamadores brasileiros que não possuem cartão de credito internacional já é possivel criar uma conta paypal, adicionar creditos via banco e realizar compras. Para isto vistem a pagina brasileira do paypal.

Gostariamos de agradecer ao amigo PY2EAJ Chuma pela ajuda com a hospedagem de nossa pagina e ao colega VU3CNS C.V. Niras pela confecção e distribuição do software sem os quais não voce não estaria a disposição estas informações.

73 de py2ohh miguel

 

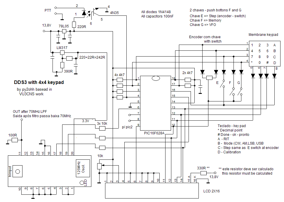
NOVA MONTAGEM

Fizemos uma nova montagem usando um keypad de 4x4, comprado no Ebay, conforme esquema abaixo

Com esta modificação são necessarias apenas duas chaves extras.

73 de py2ohh miguel