FILTRO
PASSA BANDA ÁUDIO 300Hz a 3kHz
(300Hz high pass + 3kHz low pass)

Para uso em conjunto com o defasador de audio (all pass filter de 300Hz
a 3kHz).
Deve ser usado para receptores ou excitadores (transmissores) de SSB.
Tambem pode ser usado em receptores de conversão direta ou
em transmissores DSB.
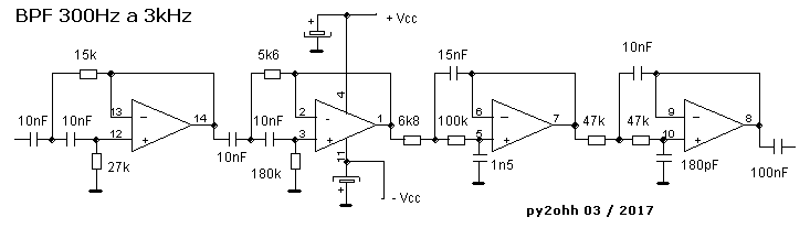
Esquema

Os componentes podem ser de 10% de tolerância.
A alimentação deve ser simétrica de 6 a 12V.
Sugestão de montagem em módulo:

Cortar PCB com 25x15mm.

Soldar resistor de 15 pinos 13/14 e um capacitor de 10nF em
série cim o resistor para o pino 12.

Soldar resistor de 5k6 nos pinos 1/2 e um capacitor de 10nF em serie
indo para o pino 3.

Soldar resistor de 180k entre o terra e o pino 3.

Soldar capacitor de 19nF entre pino 13/14 e junção
10nF e 5k6.

Soldar resistor de 27k entre o terra e pino 12.
Soldar capacitor de 10nF entre a ilha da entrada e junção
10nF com 15k.

Soldar resistor de 100k no pino 5 em serie com o resitor soldar
capacitor de 15nF indo aos pinos 6/7.

Soldar resistor de 6k8 entre pinos 1/2 e junção 100k -
15nF.

Soldar resistor de 47k no pino 10 e em serie soldar um capacitor de
10nF até os pinos 8/9.

Soldar resistor de 47k entre pinos 6/7 e junção 10nF e
47k.

Soldar capacitor de 1N5 entre pino 5 e terra.

Soldar capacitor de 180pF entre pino 10 e terra.

Soldar capacitor de 100nF entre pino 8 e ilha de saida de sinal.
boa montagem
73 de py2ohh miguel