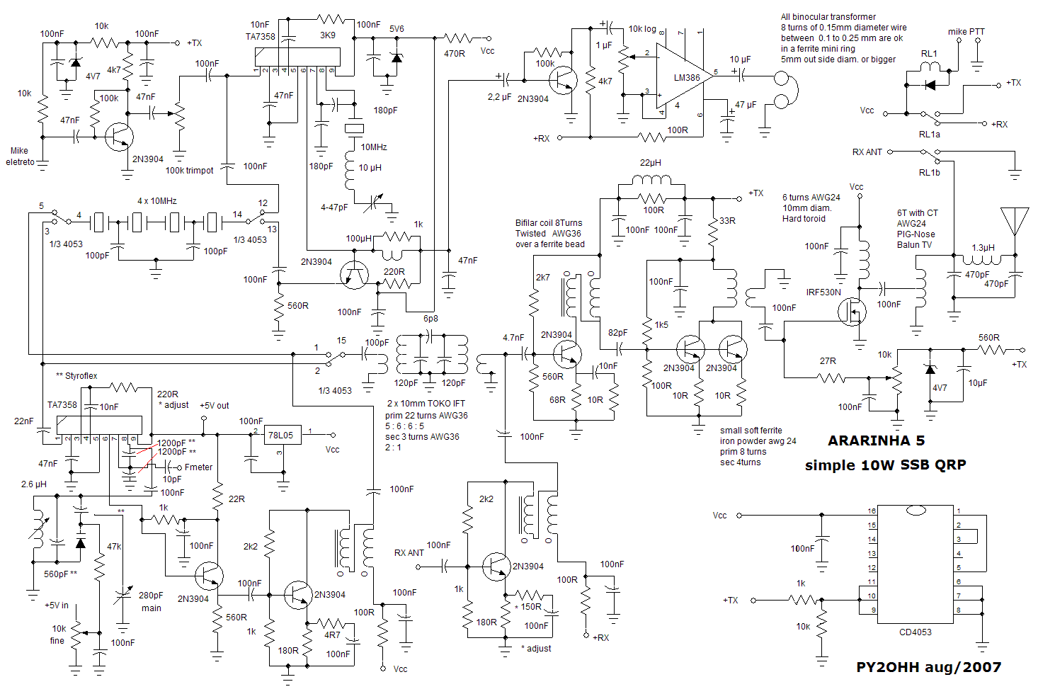
ARARINHA 5

QRP SSB TRX SIMPLE 40M 10W with VFO 7MHz TO 7.25MHz.

Schematics :

 

Verson with vari capacitor

More pics

It is under test ... I made several QSOs with this rig ...

ESTE É VERSÃO PÉ DE BOI ..DEPOIS TEREMOS AS PERFUMARIAS... E TEM ESPAÇO RESERVADO !

 

 

73 de PY2OHH miguel