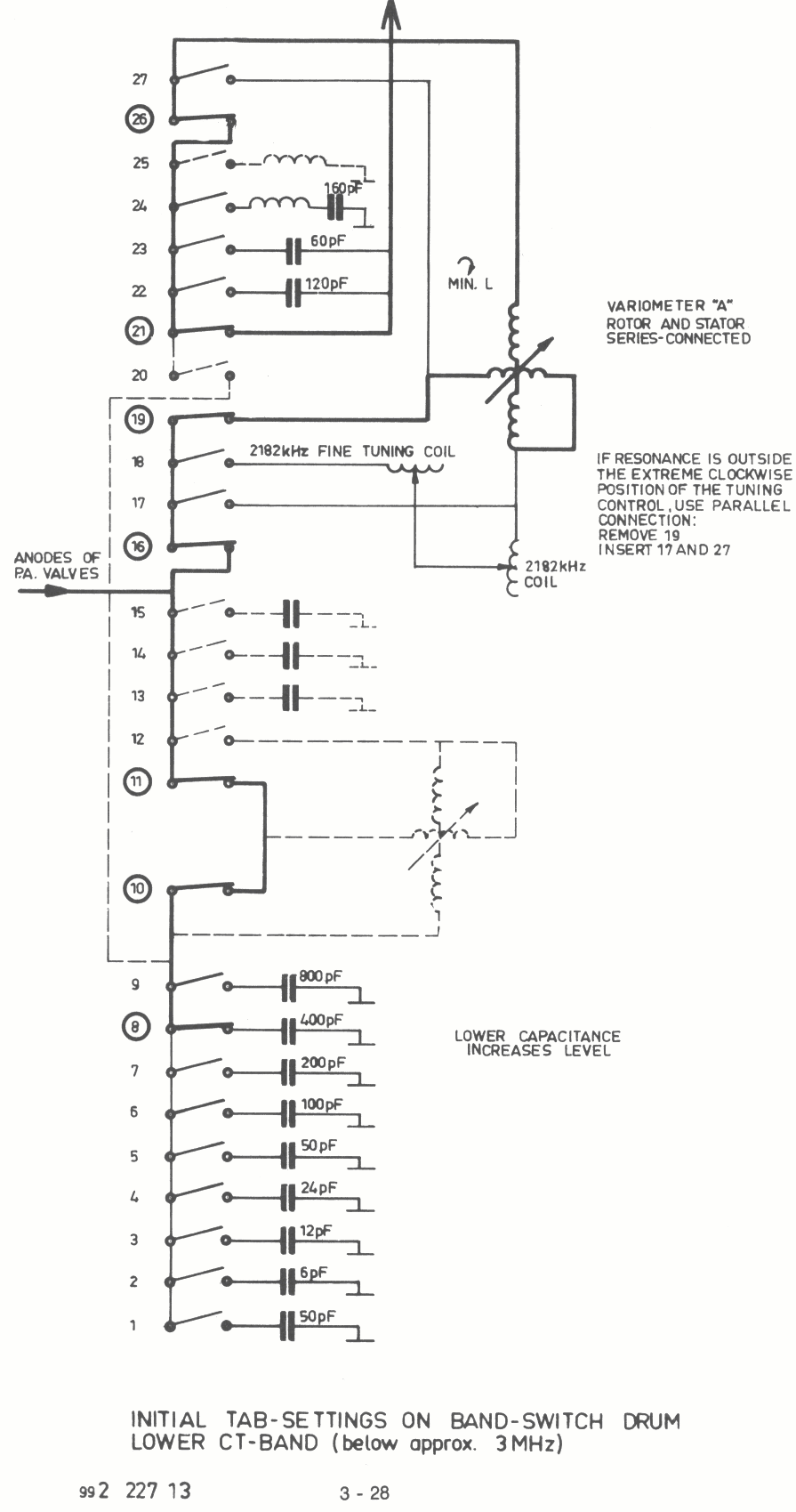
Skanti 5001 antena tuner for lower 3 MHz CT bands

Skanti 5001 antena tuner for upper 3 MHz CT bands

Skanti 5001 antena tuner for 4-6 MHz bands

Skanti 5001 antena tuner for 8-16 MHz bands

Skanti 5001 antena tuner for 22-25 MHz bands


Pagina terug