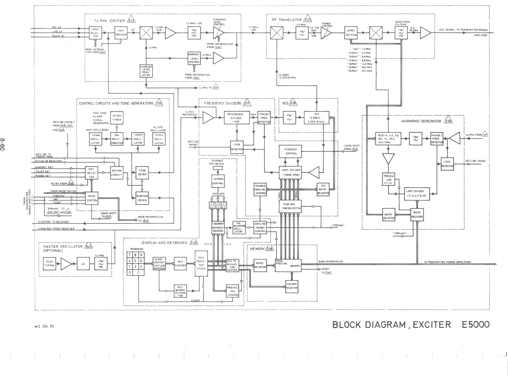
Skanti 5001 Exiter

Skanti 5001 Exiter blokschema

Pagina terug