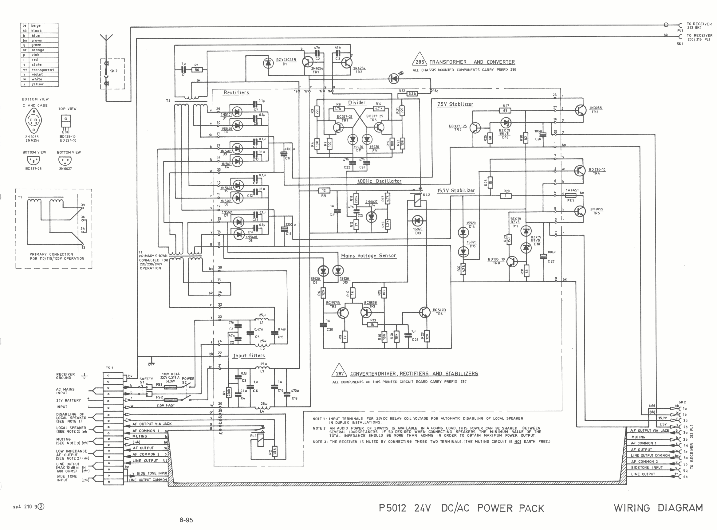
Skanti 5012 powerpack 287

Skanti 5012 powerpack print 287


Pagina terug