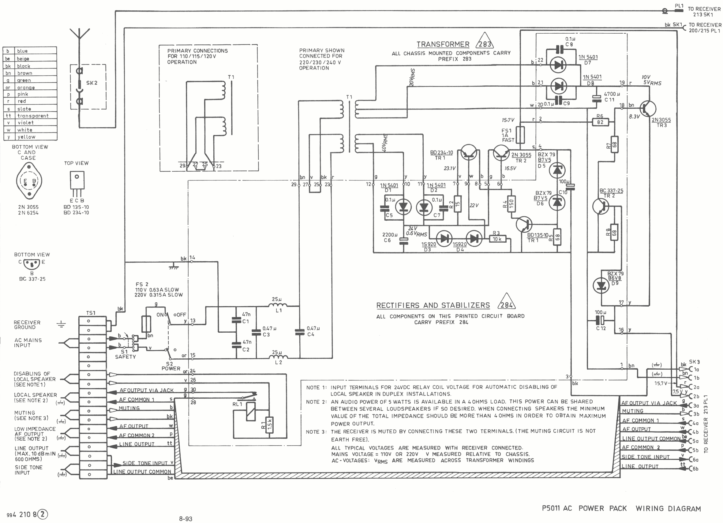
Skanti 5011 AC powerpack 284

Skanti 5011 AC powerpack print 284


Pagina terug