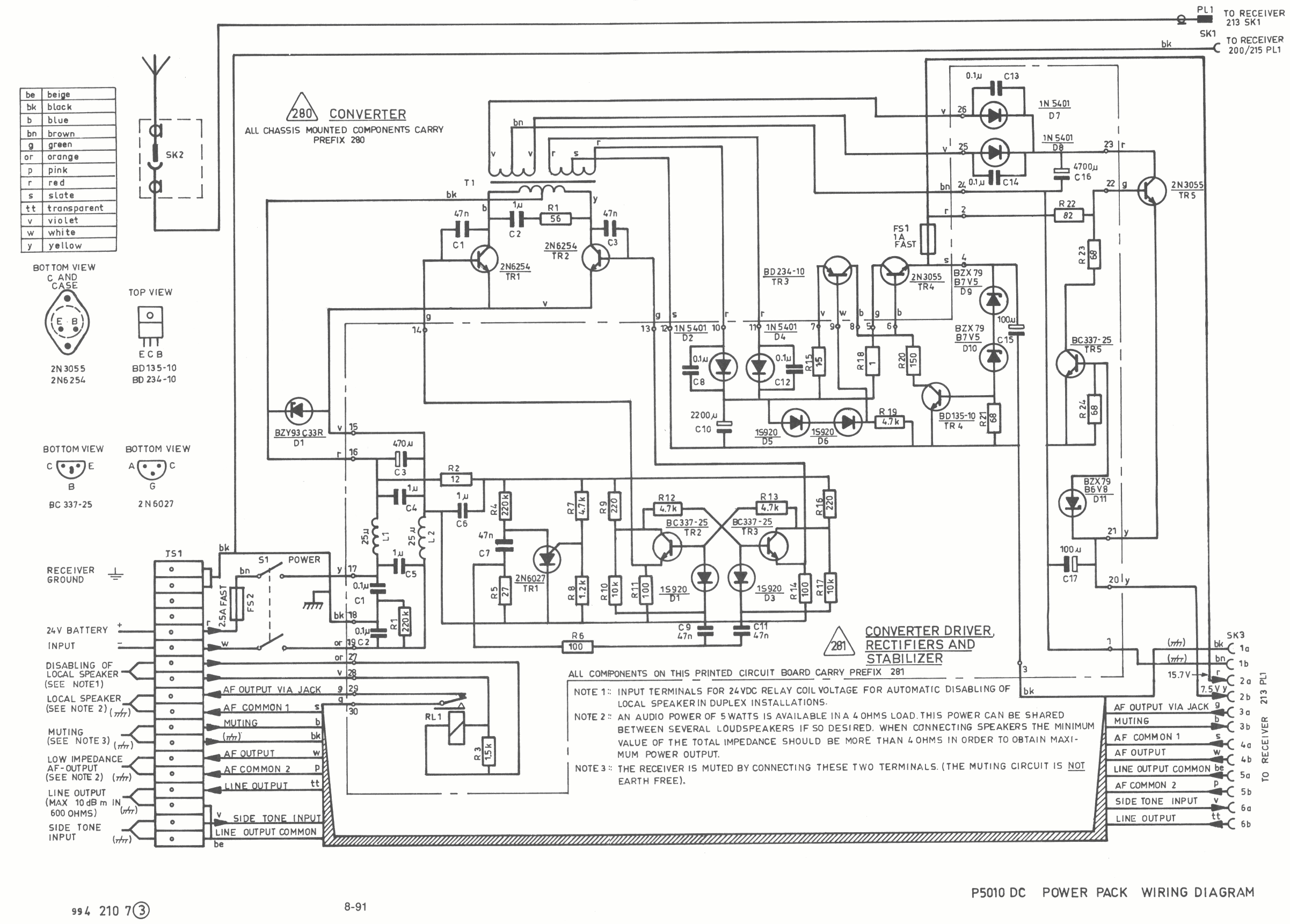
Skanti 5010 DC powerpack 281

Skanti 5010 DC powerpack print 281


Pagina terug