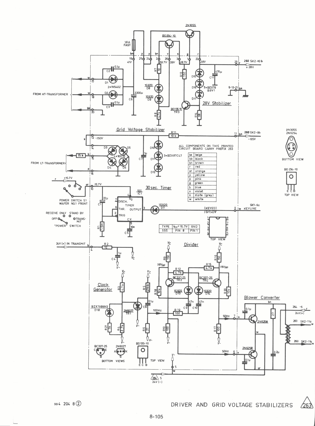
Skanti 5001 schema 263

Skanti 5001 print 263


Pagina terug