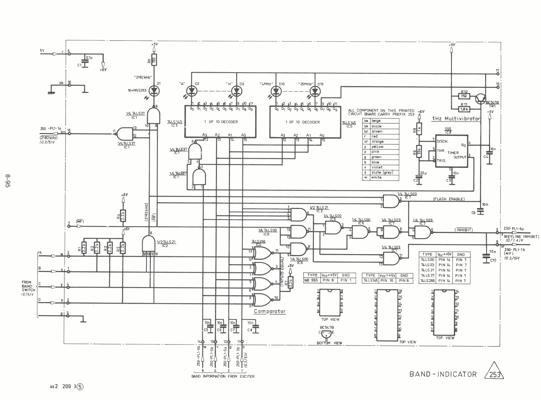
Skanti 5001 band indicator schema 253

Skanti 5001 band indicator print 253


Pagina terug