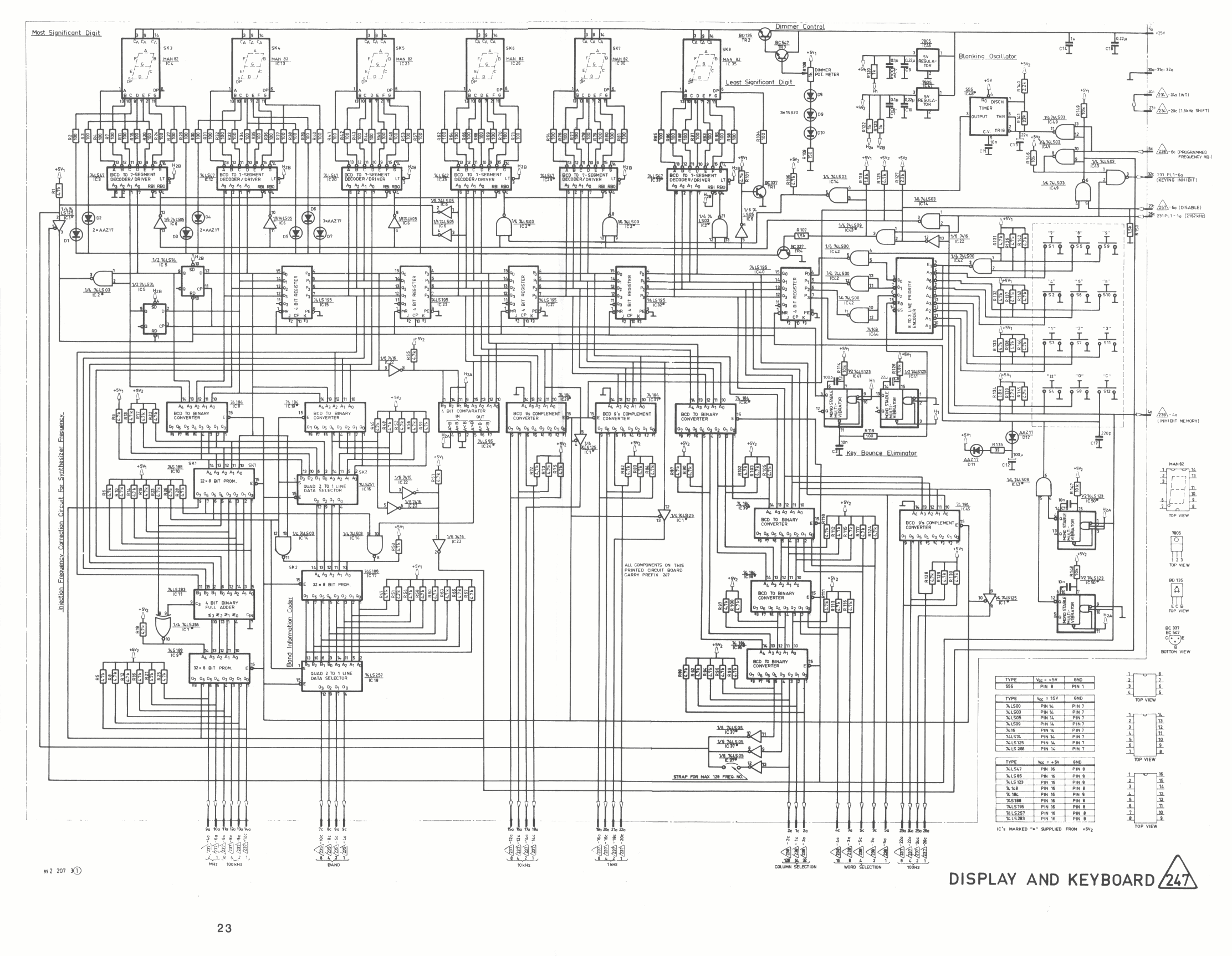
Skanti 5001 247 display and keyboard

Skanti 5001 247 display and keyboard print


Pagina terug