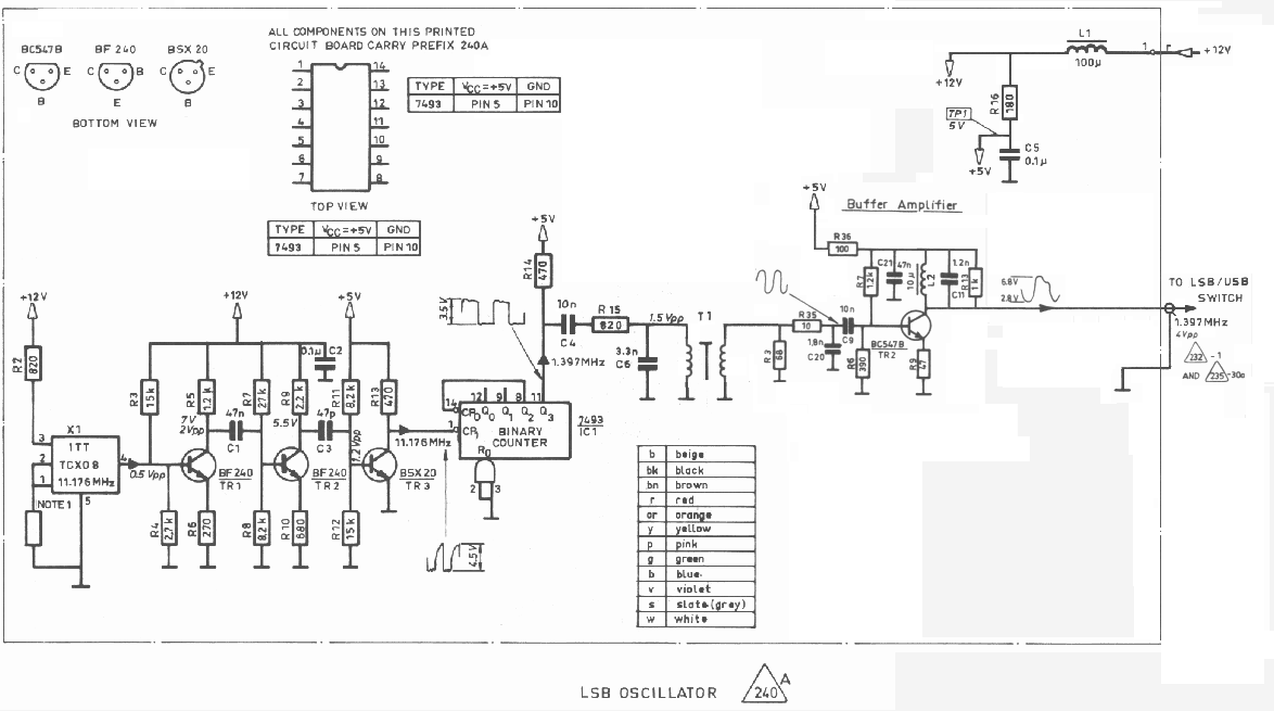
Skanti 5001 LSB oscillator schema 240A

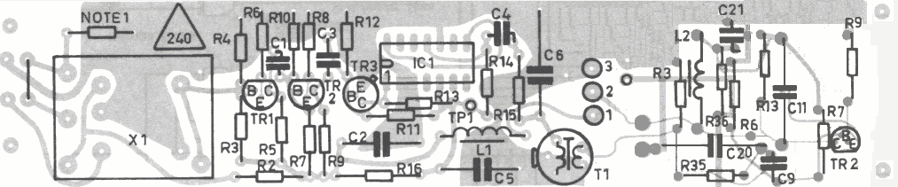
Skanti 5001 LSB oscillator print 240A


Pagina terug