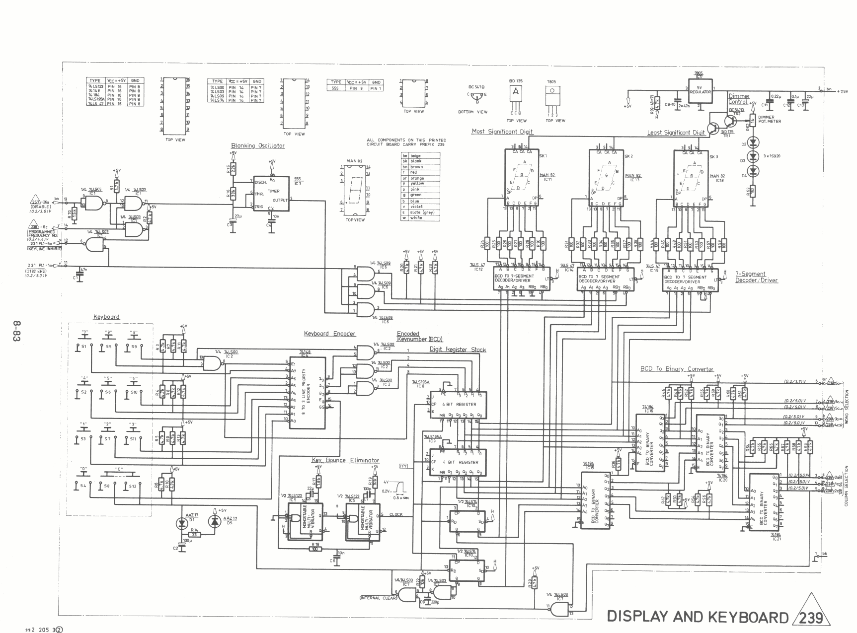
Skanti 5001 display and keyboard schema 239 231 231 237 238 238 /MAP>

Skanti 5001 display and keyboard print 239


Pagina terug