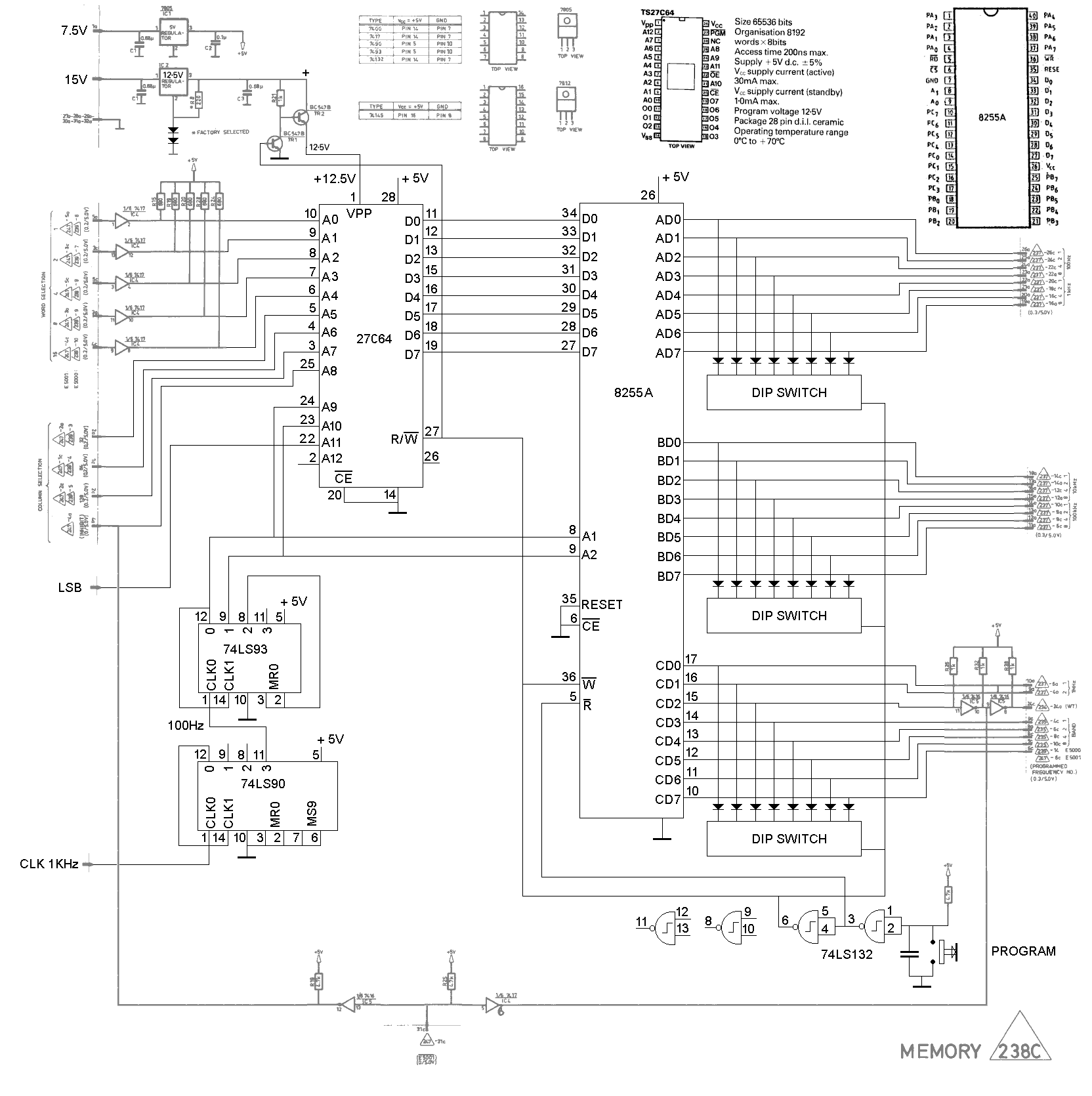
Skanti 5001 Eprom memory print 238C

Skanti 5001 Eprom memory schema 238C
Pagina terug