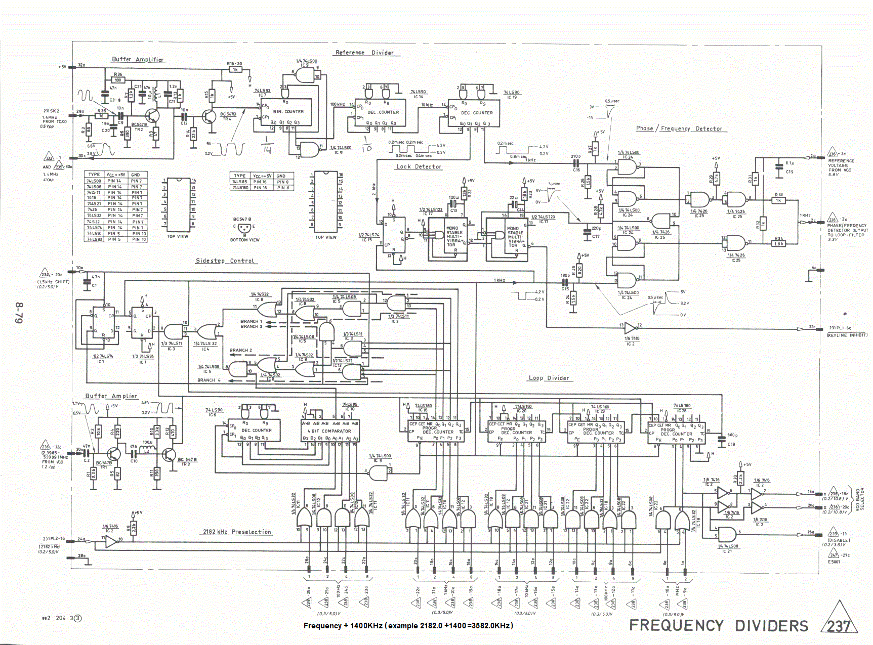
Skanti 5001 frequency dividers schema 237 231 232 235 234 236 231 238 239 247 236 231 236

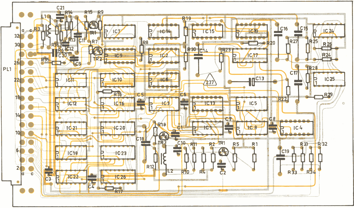
Skanti 5001 frequency dividers print 237


Pagina terug