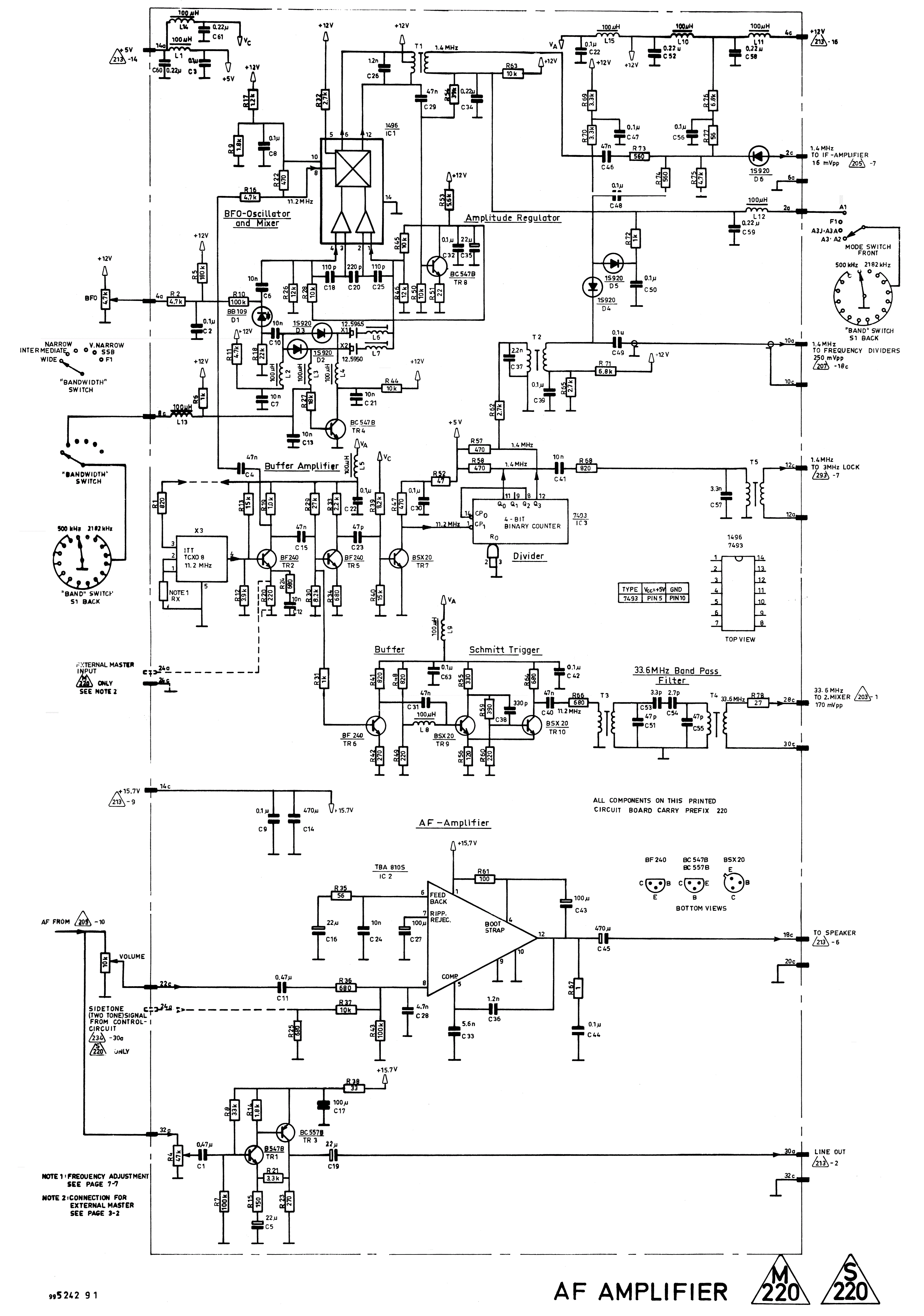
Skanti HF R-5001 IF Amplifier detector & AGC 220

Skanti HF R-5001 IF Amplifier detector & AGC diagram 2220 Pagina terug