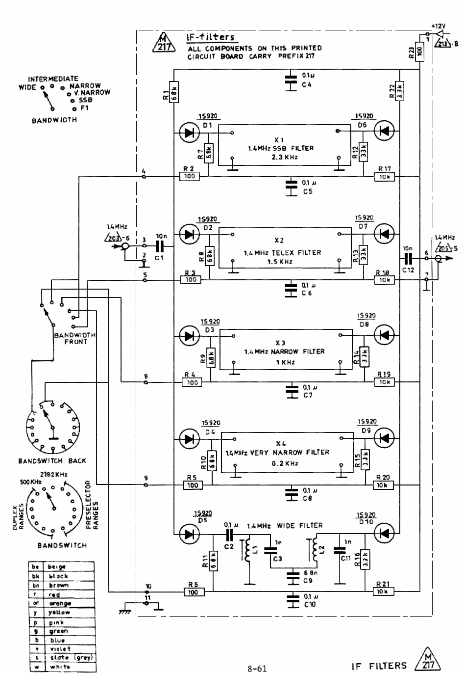
Skanti HF R-5001 IF Filters 217

Skanti R-5001 IF Filters diagram 217 203 205 213


Pagina terug