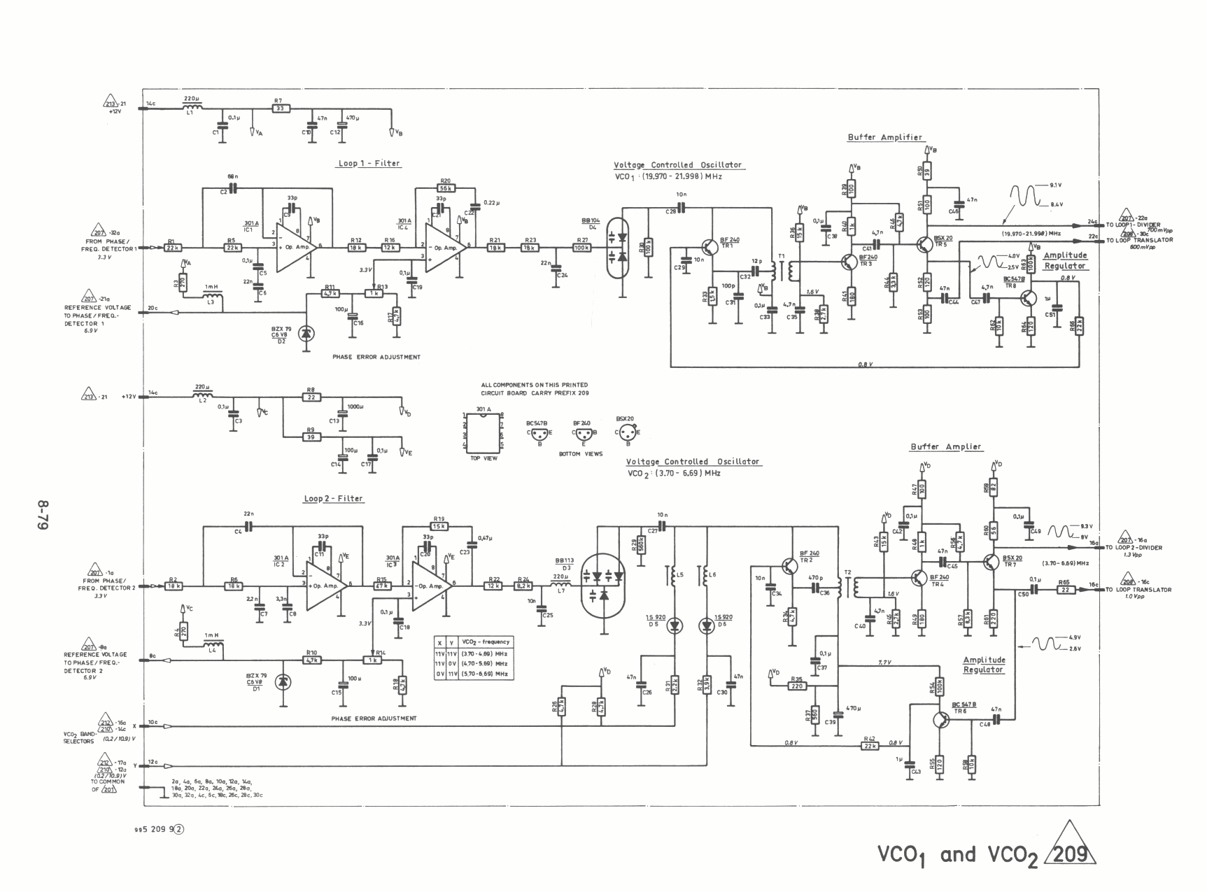
Skanti HF VCO-1_and_VCO-2 diagram 209 200 207 207 207 207 208 208 210 210 212 212 213 213

Skanti HF VCO-1_and_VCO-2 209


Pagina terug