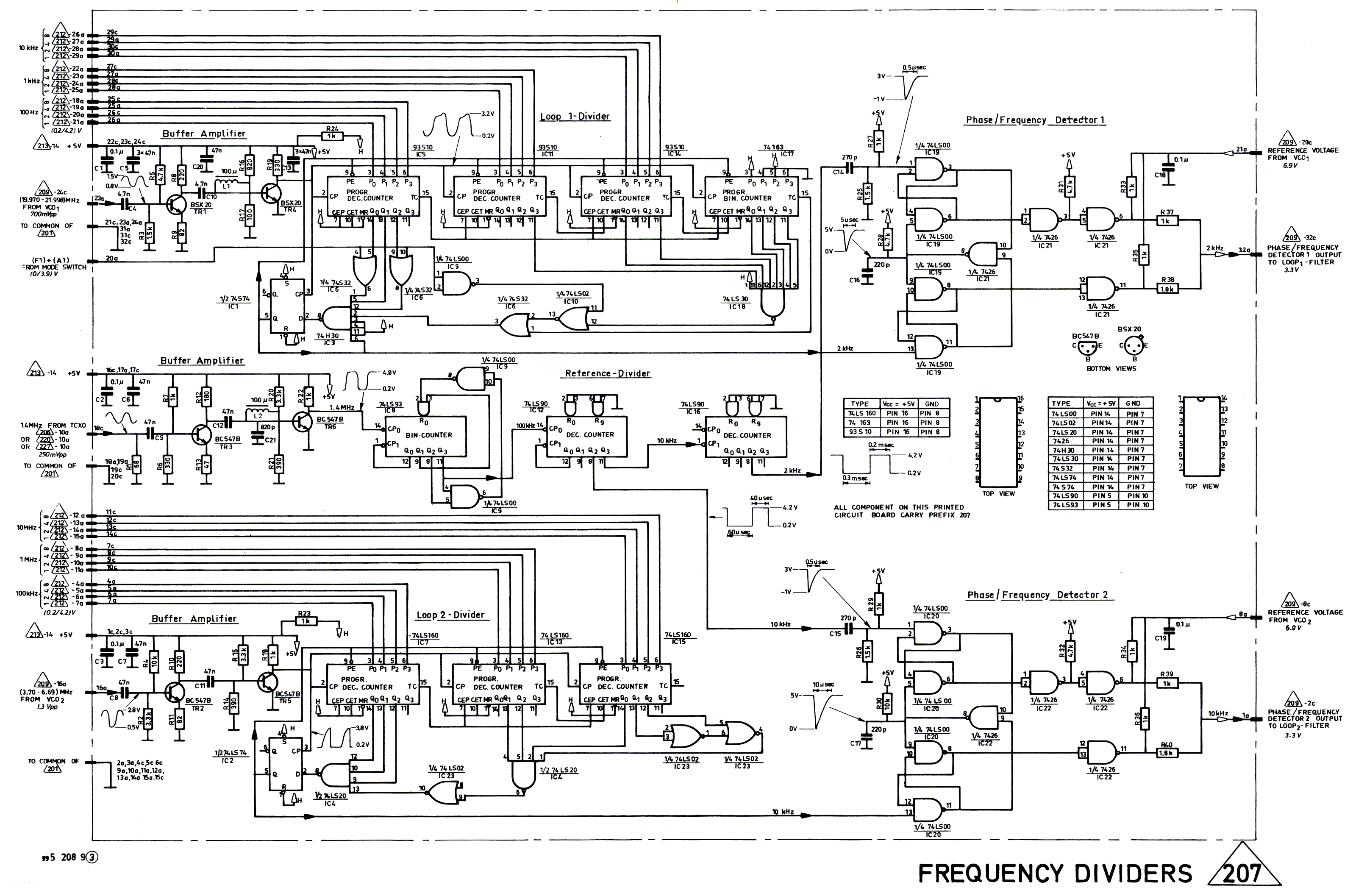
Skanti HF Frequency_dividers diagram 207 200 200 200 200 206 209 209 209 209 209 212 212 213 213 213

Skanti HF Frequency_dividers 207


Pagina terug