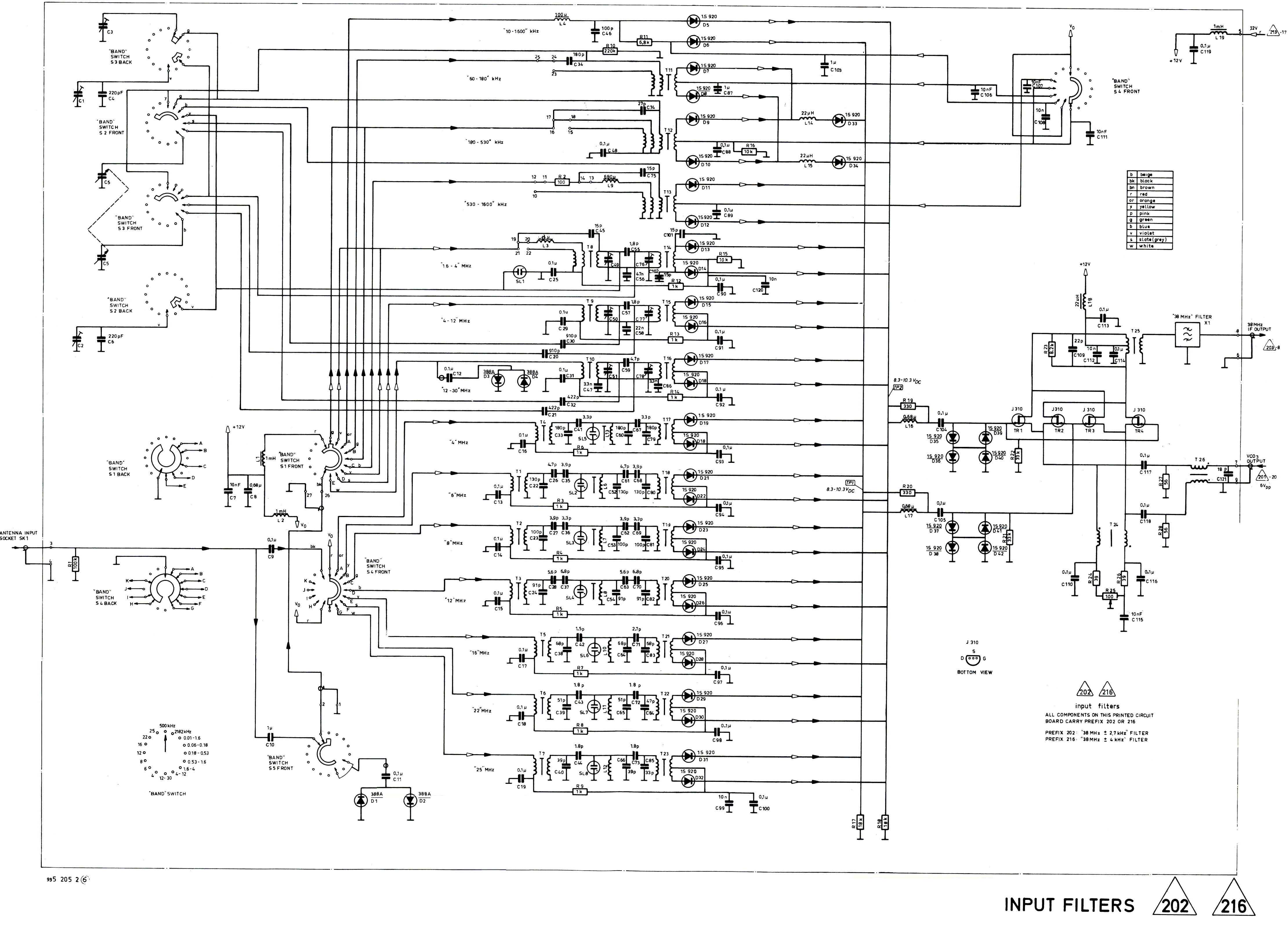
Skanti HF Input Filters diagram 202 213 203 201


Pagina terug