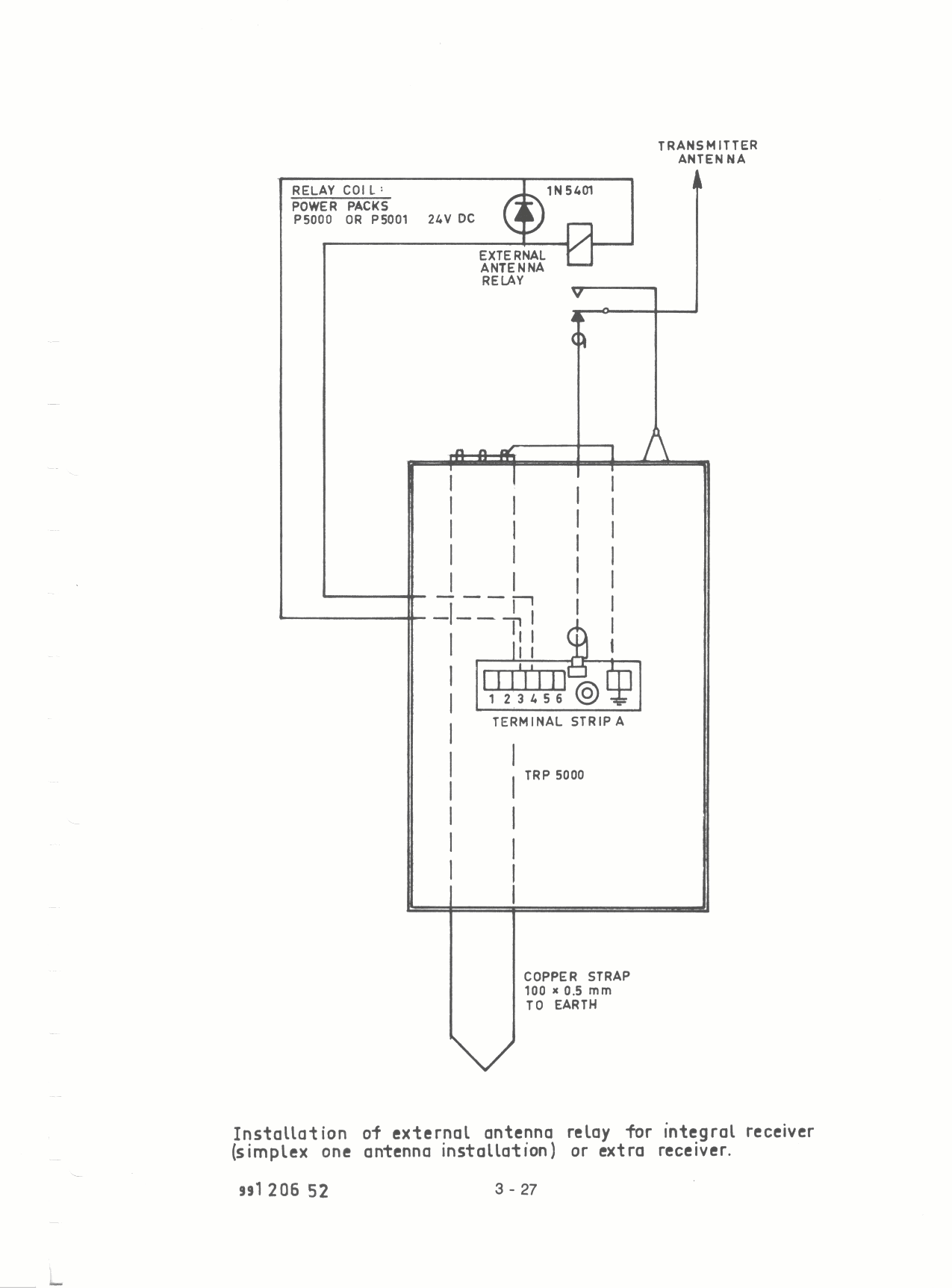
Skanti TRP5001 external antena relais


Pagina terug