Skanti HF Divider 3KHz full adder aanpassing

Skanti HF Divider 3KHz full adder aanpassing

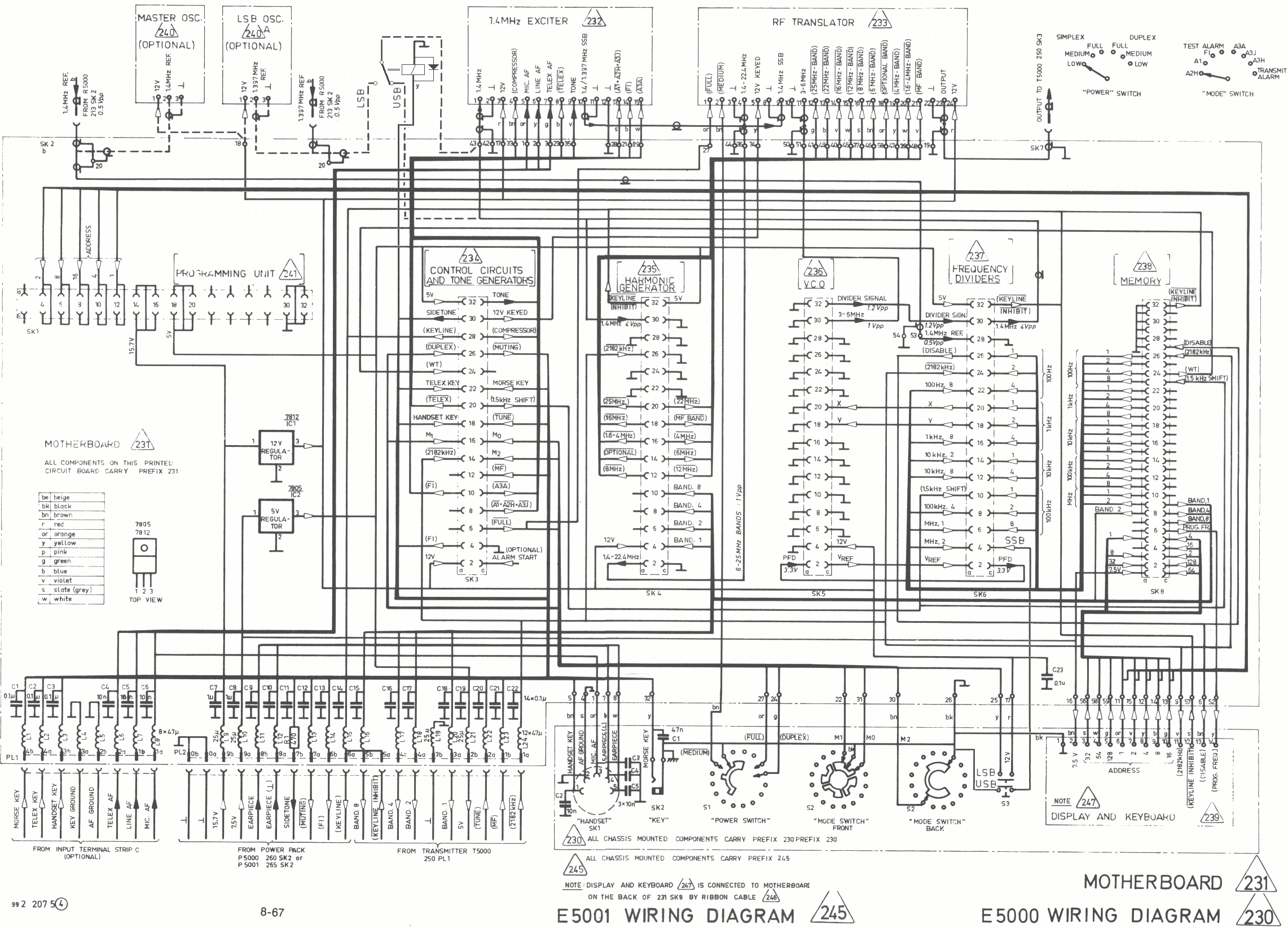
Skanti E5001 Motherboard wiring diagram 230

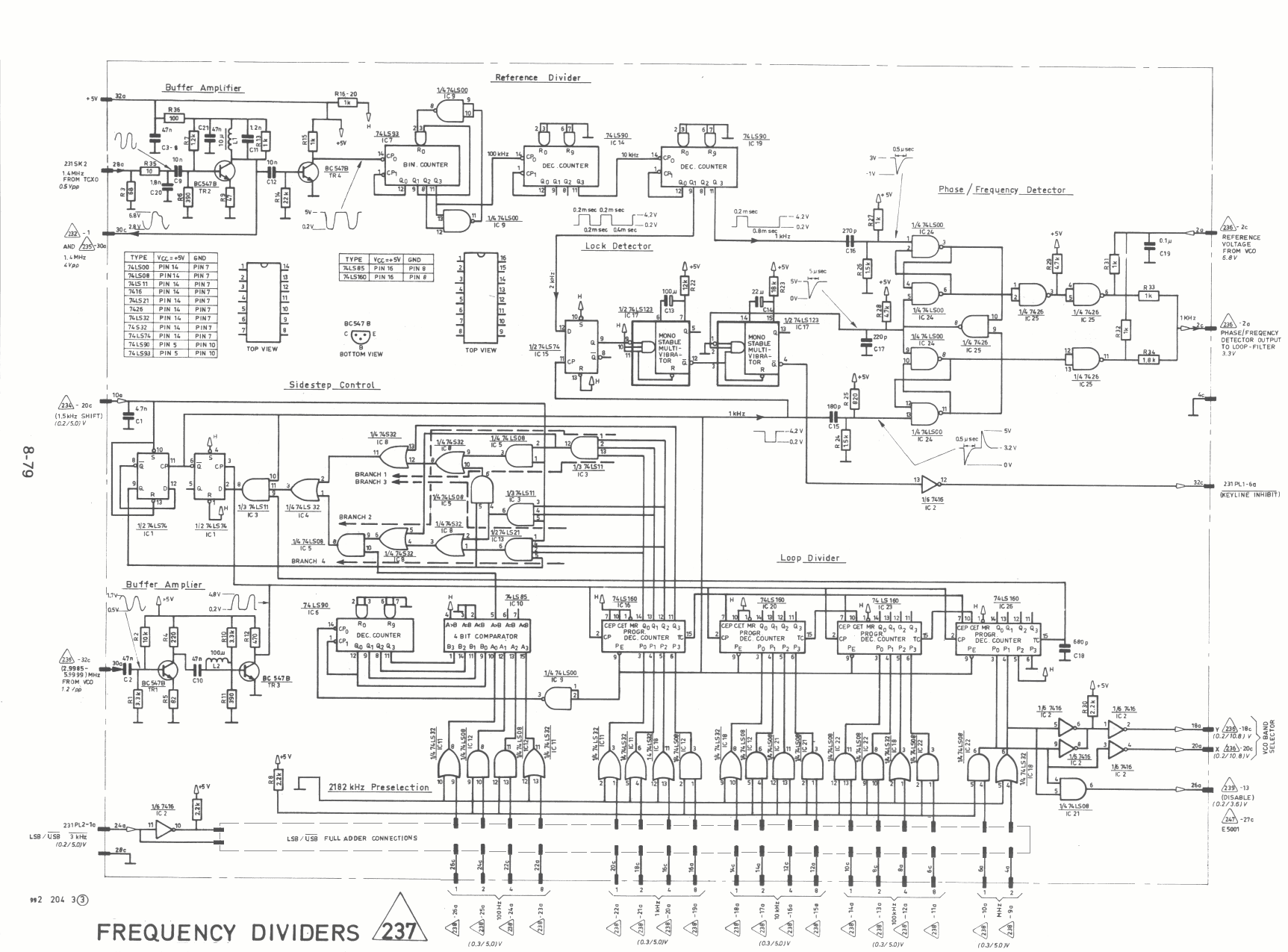
Frequency dividers circuit 237 modifications for LSB - USB


Pagina terug