Hex full adder 74LS283 calculations

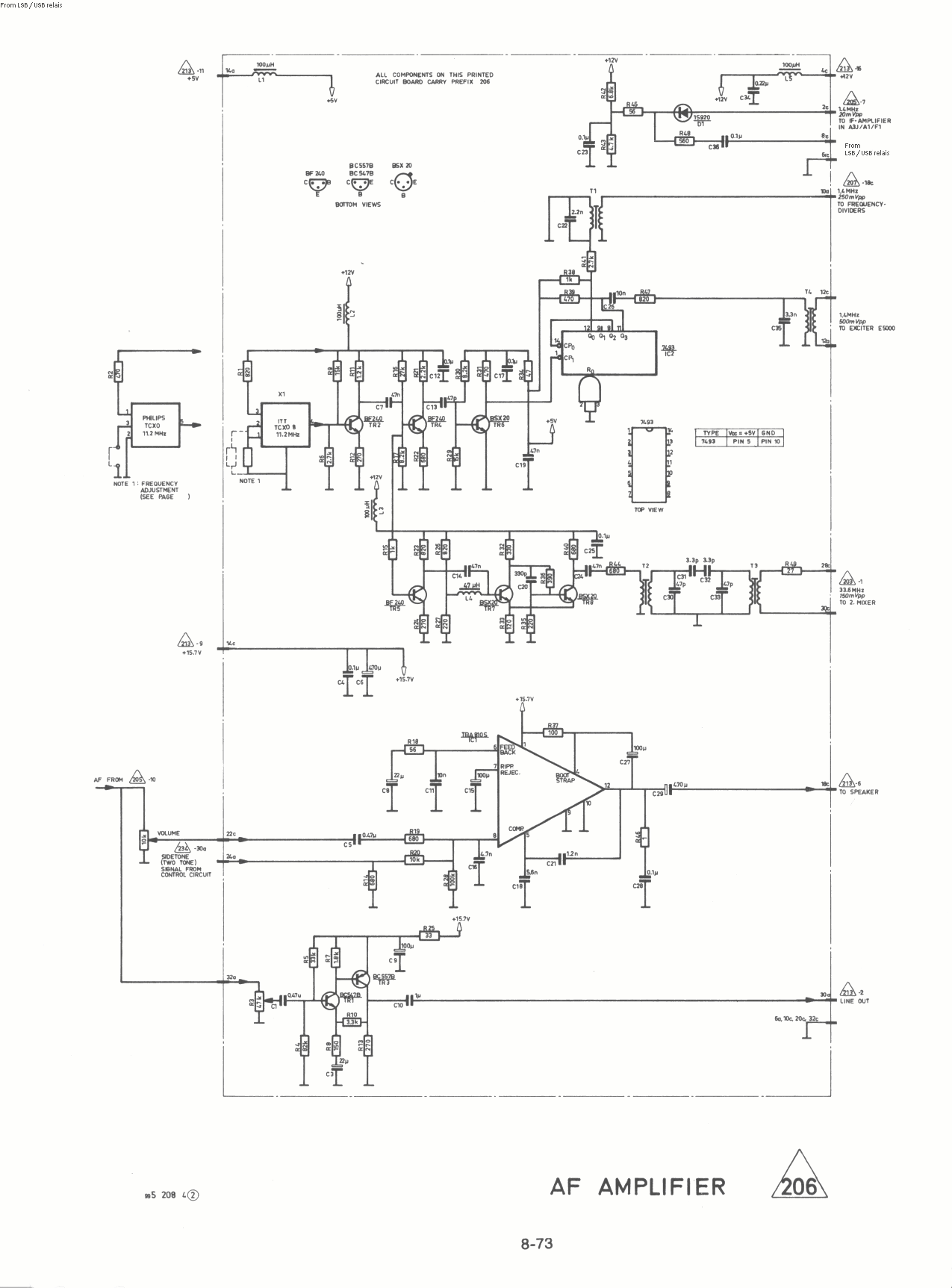
Skanti HF AF-Amplifier 206

Skanti HF AF-Amplifier diagram 206

Skanti HF Divider 3KHz full adder aanpassing

Skanti HF Divider 3KHz full adder aanpassing

Skanti HF LSB_Oscillator

Skanti 5001 Motherboard 201

Skanti 5001 Motherboard wiring diagram 200


Pagina terug