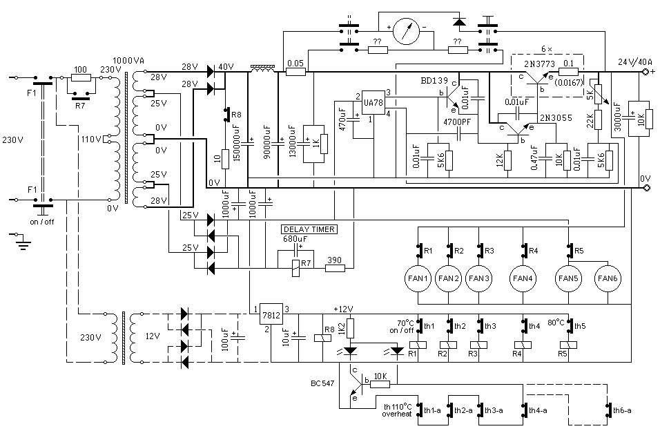
Supply for Sailor 1000/B

Supply for Sailor 1000/B


Pagina terug